GM Service Manual Online
For 1990-2009 cars only
Makes
🢒
Chevrolet
🢒
2008
🢒
Malibu Classic
🢒
Body Systems
🢒
Lighting
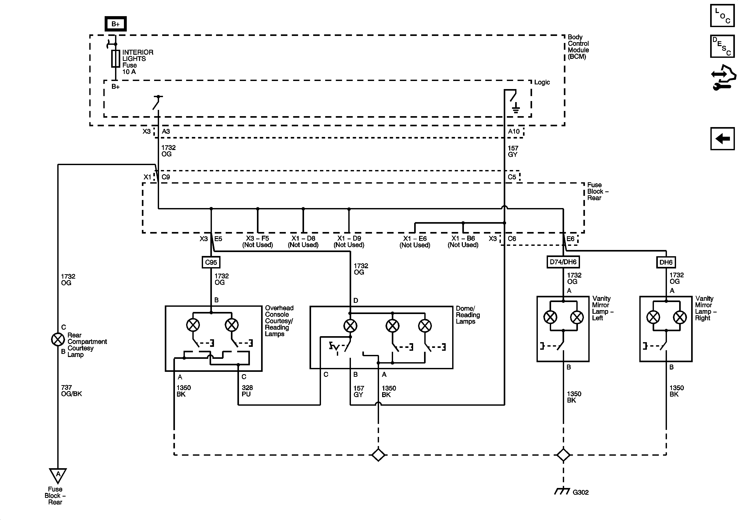
🢒 Interior Lights Schematics
Figure
1:
Inputs
Master Electrical Component List
Interior Lighting Systems Description and Operation
Control Module References
Outputs
Figure
2:
Outputs
Master Electrical Component List
Interior Lighting Systems Description and Operation
Control Module References
Inputs