GM Service Manual Online
For 1990-2009 cars only
Makes
🢒
Chevrolet
🢒
2008
🢒
Malibu Classic
🢒
Power and Signal Distribution
🢒
Data Communications
🢒 HVAC Schematics
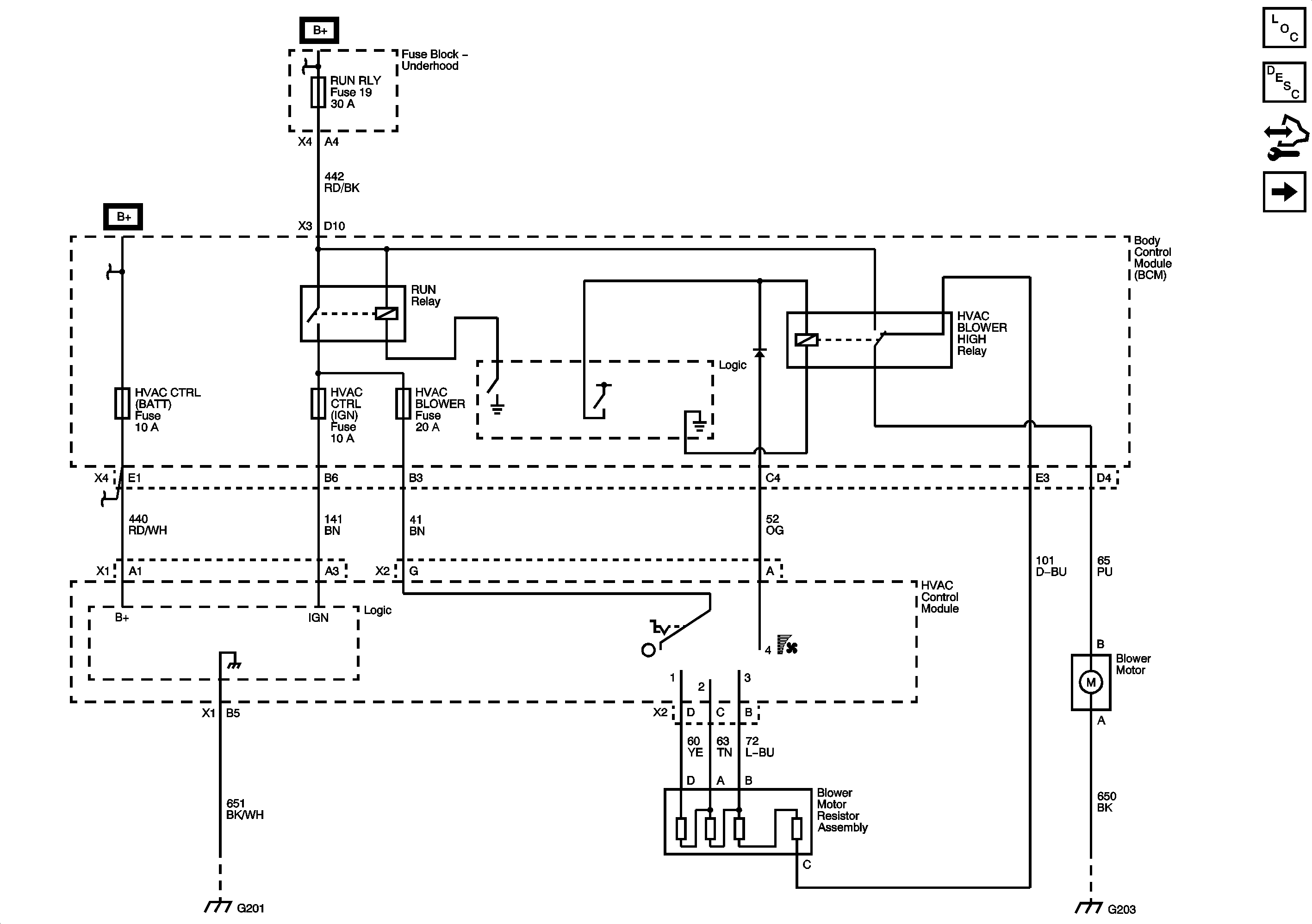
Figure
1:
Power, Ground and Blower Motor Controls
Master Electrical Component List
Air Delivery Description and Operation
Control Module References
Compressor Controls
Figure
2:
Compressor Controls
Master Electrical Component List
Air Delivery Description and Operation
Control Module References
Air Temperature and Mode Controls
Power, Ground and Blower Motor Controls
Figure
3:
Air Temperature and Mode Controls
Master Electrical Component List
Air Delivery Description and Operation
Control Module References
Compressor Controls