GM Service Manual Online
For 1990-2009 cars only
Figure 1:

Module Power, Ground, Serial Data and MIL


Object Number: 1892060  Size: FS
Master Electrical Component List
Engine Control Module Description
Control Module References
5-Volt and Low Reference
Figure 2:

5-Volt and Low References


Object Number: 1892061  Size: FS
Master Electrical Component List
Engine Control Module Description
Control Module References
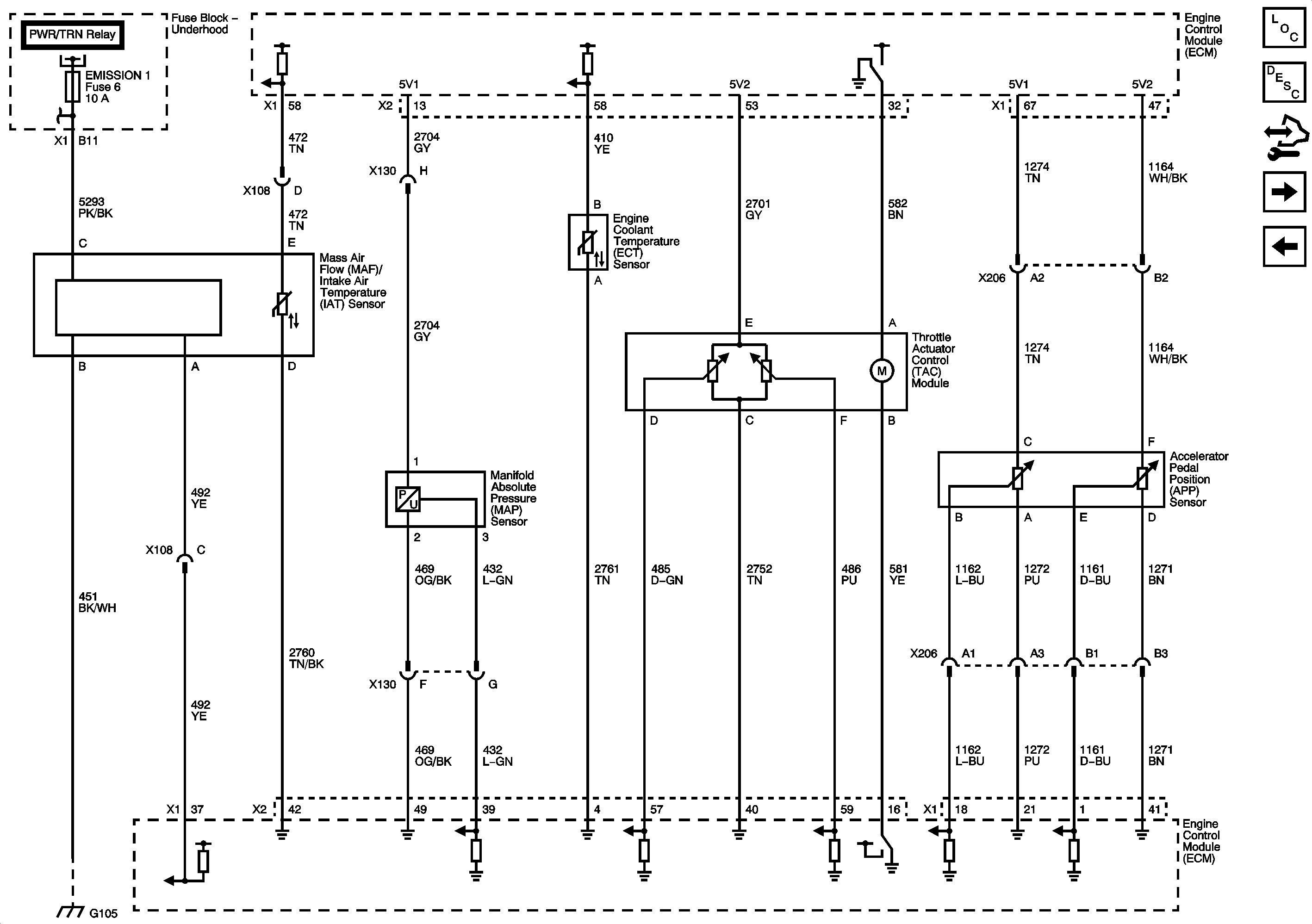
Engine Data Sensors - Pressure, Temperature, and Throttle Controls
Module Power, Ground, Serial Data and MIL
Figure 3:

Engine Data Sensors - Pressure, Temperature, and Throttle Controls


Object Number: 1892062  Size: FS
Master Electrical Component List
Engine Control Module Description
Control Module References
Engine Data Sensors - HO2S
5-Volt and Low Reference
Figure 4:

Engine Data Sensors - HO2S


Object Number: 1892063  Size: FS
Master Electrical Component List
Engine Control Module Description
Control Module References
Electronic Throttle Controls
Engine Data Sensors - Pressure, Temperature, and Throttle Controls
Figure 5:

Ignition Controls - Ignition System


Object Number: 1892065  Size: FS
Master Electrical Component List
Engine Control Module Description
Control Module References
Ignition Controls - Sensors
Electronic Throttle Controls
Figure 6:

Ignition Controls - Sensors


Object Number: 1891878  Size: FS
Master Electrical Component List
Engine Control Module Description
Control Module References
Fuel Controls - Fuel Injectors and Fuel Pump
Ignition Controls - Ignition System
Figure 7:

Fuel Controls -- Fuel Injectors and Fuel Pump


Object Number: 1892066  Size: FS
Master Electrical Component List
Engine Control Module Description
Control Module References
Fuel Controls - EVAP Controls
Ignition Controls - Sensors
Figure 8:

Fuel Controls - EVAP Controls


Object Number: 1891865  Size: FS
Master Electrical Component List
Engine Control Module Description
Control Module References
Monitored/Controlled Subsystem Reference
Fuel Controls - Fuel Injectors and Fuel Pump
Figure 9:

Monitored/Controlled Subsystem References


Object Number: 1891870  Size: FS
Master Electrical Component List
Engine Control Module Description
Control Module References
Fuel Controls - EVAP Controls