GM Service Manual Online
For 1990-2009 cars only
Makes
🢒
Chevrolet
🢒
1999
🢒
Monte Carlo
🢒
Transmission/Transaxle
🢒
Automatic Transaxle - 4T60-E
🢒 Automatic Transmission Controls Schematics
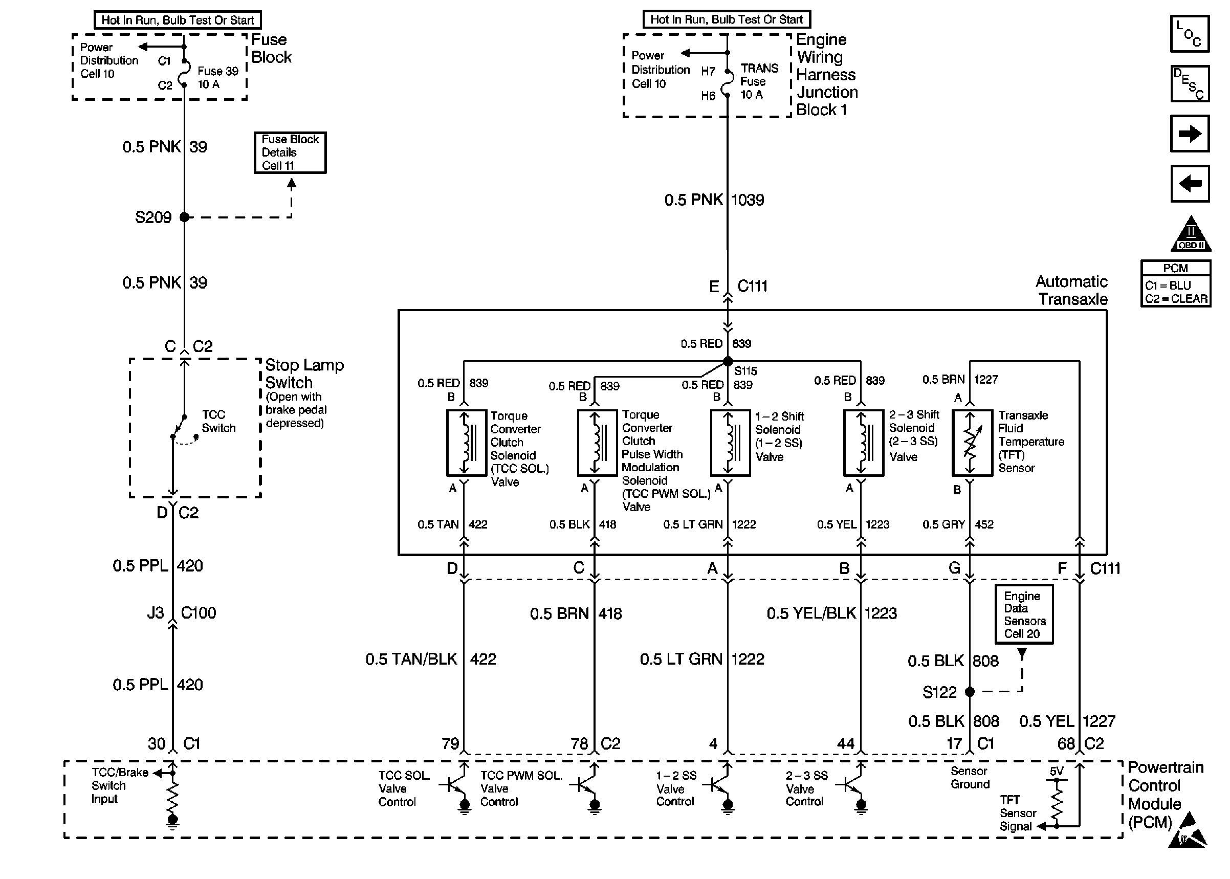
Figure
1:
Cell 39: VSS, Cruise
Automatic Transmission Components
Electronic Component Description
Cell 10: Generator, Starter, Fusible Links, MaxiFuse® 1, 2 and4
Cell 10: Fuses 12, 21, 30, 33, 39, and 42
Cell 11: PCM BAT, and R/CMPT REL Fuses
Cell 11: Anti-Theft PCM (12), Air Bag (21), Turn Signal (30), and IP Electronics Ignition Feed (39) Fuses
Handling ESD Sensitive Parts Notice
Handling ESD Sensitive Parts Notice
Handling ESD Sensitive Parts Notice
OBD II Symbol Description Notice
Cell 39: Automatic Transmission, TCC Switch
Figure
2:
Cell 39: Automatic Transmission, TCC Switch
Automatic Transmission Components
Electronic Component Description
Cell 10: Fuses 12, 21, 30, 33, 39, and 42
Cell 10: Fuses 12, 21, 30, 33, 39, and 42
Cell 11: Anti-Theft PCM (12), Air Bag (21), Turn Signal (30), and IP Electronics Ignition Feed (39) Fuses
OBD II Symbol Description Notice
Cell 39: VSS, Cruise
Cell 39: Transmission Range Switch (1 of 2)
Handling ESD Sensitive Parts Notice
Cell 20: Engine Data Sensors-A/C Refrig Press, TP, MAP, ECT, IAT
Figure
3:
Cell 39: Transmission Range Switch (1 of 2)
Automatic Transmission Components
Electronic Component Description
Handling ESD Sensitive Parts Notice
OBD II Symbol Description Notice
Cell 39: Automatic Transmission, TCC Switch
Cell 39: Transmission Range Switch (2 of 2)
Cell 14: G111 and G113
Figure
4:
Cell 39: Transmission Range Switch (2 of 2)
Automatic Transmission Components
Electronic Component Description
DTC P0716, P0717 Figure
Cell 39: Transmission Range Switch (1 of 2)
Cell 14: G302 (2 of 2)