GM Service Manual Online
For 1990-2009 cars only
Figure 1:

Power and Grounds


Object Number: 506760  Size: FS
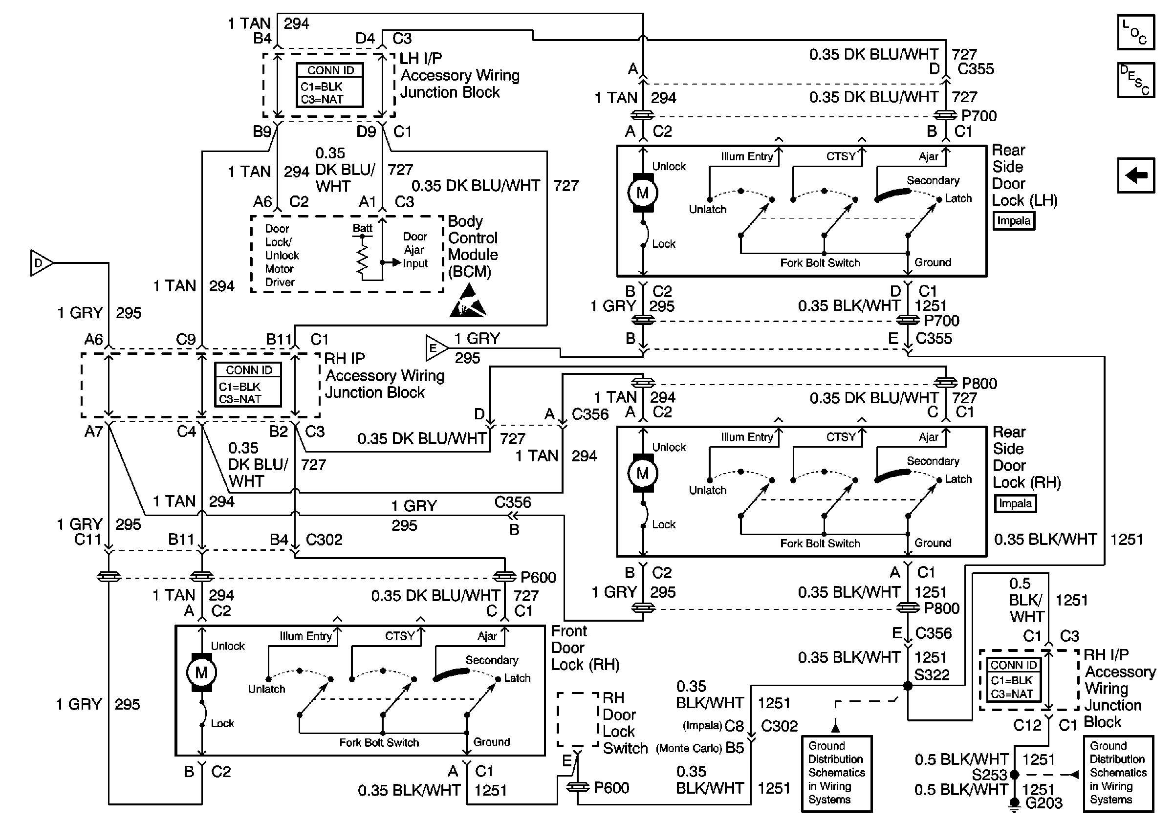
Figure 2:

Door Lock Switch Inputs


Object Number: 500544  Size: FS
Figure 3:

Door Lock Outputs


Object Number: 506766  Size: FS