GM Service Manual Online
For 1990-2009 cars only
Makes
🢒
Chevrolet
🢒
2003
🢒
Monte Carlo
🢒
Body and Accessories
🢒
Wiring Systems
🢒 Headlights/Daytime Running Lights (DRL) Schematics
Figure
1:
DRL Relay, Headlamps, and Power (w/o 6J7)
Master Electrical Component List
Exterior Lighting Systems Description and Operation
DRL Relay, Headlamps, and Power [w/6J7]
Junction Block-Underhood [Top View]
Junction Block-Underhood [Top View]
G101
Indicators, and Lamp Control
Indicators, and Lamp Control
Indicators, and Lamp Control
Figure
2:
DRL Relay, Flasher, Headlamps, and Power (6J7)
Master Electrical Component List
Exterior Lighting Systems Description and Operation
Indicators, and Lamp Control
DRL Relay, Headlamps, and Power [w/o 6J7]
Junction Block-Underhood [Top View]
Junction Block-Underhood [Top View]
G101
Indicators, and Lamp Control
Indicators, and Lamp Control
Indicators, and Lamp Control
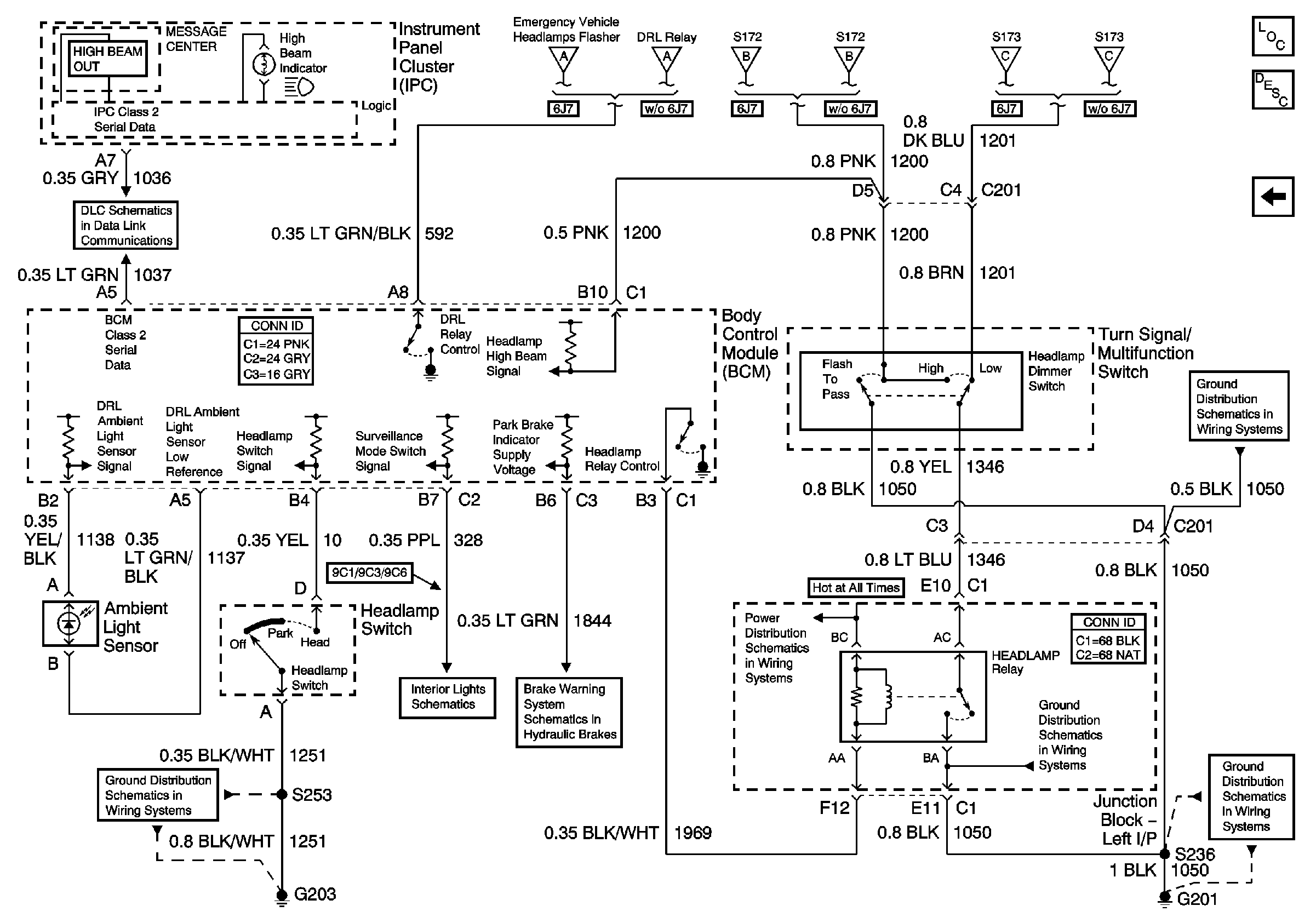
Figure
3:
Indicators, and Lamp Control
Master Electrical Component List
Exterior Lighting Systems Description and Operation
DRL Relay, Headlamps, and Power [w/6J7]
G201 [1 of 2]
DLC
DRL Relay, Headlamps, and Power [w/6J7]
DRL Relay, Headlamps, and Power [w/o 6J7]
DRL Relay, Headlamps, and Power [w/6J7]
DRL Relay, Headlamps, and Power [w/o 6J7]
DRL Relay, Headlamps, and Power [w/6J7]
DRL Relay, Headlamps, and Power [w/o 6J7]
G201 [1 of 2]
G203 [1 of 3]
Courtesy Lamps Control, and I/P
Brake Warning System
CLSTR/BCM, DK LK, LEFT IP, LT HTD ST/BCM, and PWR MIR
G201 [1 of 2]