GM Service Manual Online
For 1990-2009 cars only
Figure 1:

Fuse Block-SEO and Fusible Links


Object Number: 796990  Size: FS
Master Electrical Component List
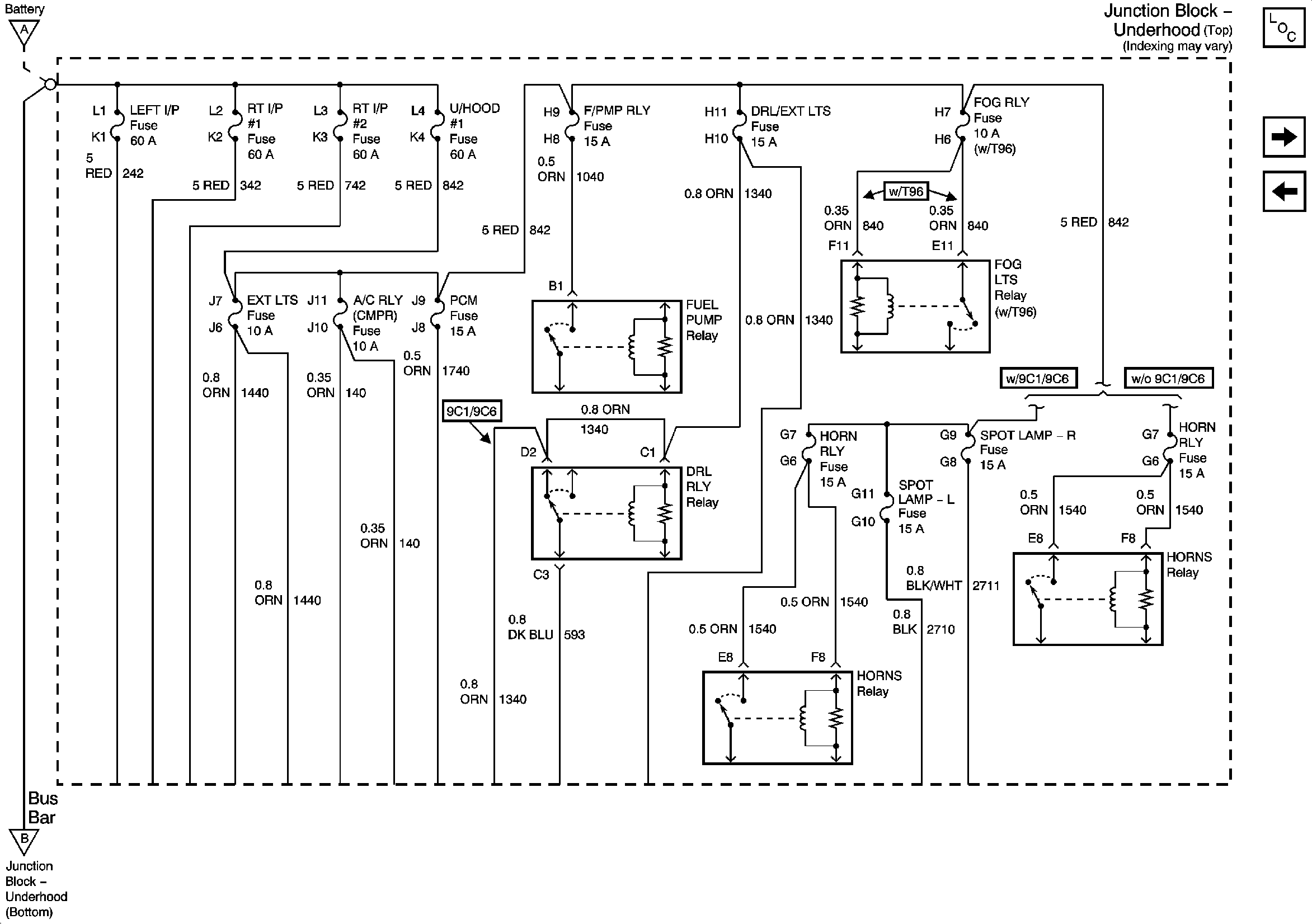
Junction Block-Underhood [Top View]
Junction Block-Underhood [Top View]
Figure 2:

Junction Block-Underhood (Top) Bussing


Object Number: 796991  Size: FS
Master Electrical Component List
Junction Block-Underhood [Bottom View]
Fuse Block-SEO, and Fusible Links
Fuse Block-SEO, and Fusible Links
Junction Block-Underhood [Bottom View]
Figure 3:

Junction Block-Underhood (Bottom) Bussing


Object Number: 1226357  Size: FS
Master Electrical Component List
CLSTR/BCM, DK LK, LEFT IP, LT HTD ST/BCM, and PWR MIR
Junction Block-Underhood [Top View]
Junction Block-Underhood [Top View]
Figure 4:

CLSTR/BCM, DR LK, LEFT IP, LT HTD ST/BCM, and PWR MIR Fuses, RETAINED ACCSRY PWR BRKR Circuit Breaker, and RETAINED ACCSRY PWR RELAY


Object Number: 814582  Size: FS
Master Electrical Component List
B/U LP, DIL/RKE, PWR DROP, and RT HTD ST Fuses
Junction Block-Underhood [Bottom View]
Figure 5:

B/U LP, DIC/RKE, PWR DROP, and RT HTD ST Fuses, PWR SEATS BRKR Circuit Breaker


Object Number: 909194  Size: FS
Master Electrical Component List
BATT Rundown Prot. Relay, IP BRP, and TRK/ROOF BRP Fuses
CLSTR/BCM, DK LK, LEFT IP, LT HTD ST/BCM, and PWR MIR
FRT PARK LP, and REAR PK LP Fuses
Figure 6:

BATT RUNDOWN PROTECTION RELAY, IP BRP, and TRK/ROOF BRP Fuses (Early Production)


Object Number: 865593  Size: FS
Master Electrical Component List
FRT PARK LP, and REAR PK LP Fuses
B/U LP, DIL/RKE, PWR DROP, and RT HTD ST Fuses
Figure 7:

BATT RUNDOWN PROTECTION RELAY, IP BRP, and TRK/ROOF BRP Fuses (Late Production)


Object Number: 1194061  Size: FS
Master Electrical Component List
FRT PARK LP, and REAR PK LP Fuses
B/U LP, DIL/RKE, PWR DROP, and RT HTD ST Fuses
Figure 8:

FRT PARK LP, and REAR PRK LP Fuses


Object Number: 792631  Size: FS
Master Electrical Component List
AUX PWR, BRK SW, C/LTR, DRL/EXT LTS, HAZ SW, HVAC BLO
BATT Rundown Prot. Relay, IP BRP, and TRK/ROOF BRP Fuses
B/U LP, DIL/RKE, PWR DROP, and RT HTD ST Fuses
Dimming Control, and Steering Wheel Controls
Dimming Control, and Steering Wheel Controls
SIR Caution for Zoning
Figure 9:

AUX PWR, BRK SW, C/LTR, DRL/EXT LTS, HAZ SW, HVAC BLO, RT I/P#2, Spot Lamp-Left, and Spot Lamp-Right Fuses, DRL RLY Relay


Object Number: 792632  Size: FS
Master Electrical Component List
A/C RLY (CMPR), A.I.R PMP RLY, BCM, CIG/AUX, EXT LTS, IGN
FRT PARK LP, and REAR PK LP Fuses
Junction Block-Underhood [Top View]
Figure 10:

A/C RLY (CMPR), BCM, CIG/AUX, EXT LTS, IGN SW, PCM, and WSW Fuses


Object Number: 885107  Size: FS
Master Electrical Component List
A/C Cruise, A/C Fan, CRUISE, PCM/BCM CLSTR, and PCM Fuses
AUX PWR, BRK SW, C/LTR, DRL/EXT LTS, HAZ SW, HVAC BLO
Junction Block-Underhood [Top View]
A/C Cruise, A/C Fan, CRUISE, PCM/BCM CLSTR, and PCM Fuses
ABS/PCM, SRS, STOP, and TURN SIGNAL Fuses
Figure 11:

A/C/CRUISE, A/C FAN, CRUISE, PCM/BCM/CLSTR, and PCM (CRANK) Fuses


Object Number: 885110  Size: FS
Master Electrical Component List
ABS/PCM, SRS, STOP, and TURN SIGNAL Fuses
A/C RLY (CMPR), A.I.R PMP RLY, BCM, CIG/AUX, EXT LTS, IGN
A/C RLY (CMPR), A.I.R PMP RLY, BCM, CIG/AUX, EXT LTS, IGN
Figure 12:

ABS/PCM, SRS, STOP, and TURN SIGNAL Fuses


Object Number: 1194126  Size: FS
Master Electrical Component List
HTD MIR, RADIO, and RT IP#3 Fuses, Rear DEFOG BRKR Relay
A/C Cruise, A/C Fan, CRUISE, PCM/BCM CLSTR, and PCM Fuses
A/C RLY (CMPR), A.I.R PMP RLY, BCM, CIG/AUX, EXT LTS, IGN
SIR Caution for Zoning
Figure 13:

HTD MIR, RADIO, and RT IP#3 Fuses, REAR DEFOG BRKR Circuit Breaker, REAR DEFOG RELAY, and Digital Radio Receiver


Object Number: 849434  Size: FS
Master Electrical Component List
FUEL INJ, and TRANS SOL Fuses
ABS/PCM, SRS, STOP, and TURN SIGNAL Fuses
Figure 14:

FUEL INJ, and TRANS SOL Fuses


Object Number: 796994  Size: FS
Master Electrical Component List
DFI, MDL, ENG DEVICES, and OXY SEN Fuses
HTD MIR, RADIO, and RT IP#3 Fuses, Rear DEFOG BRKR Relay
Junction Block-Underhood [Bottom View]
Figure 15:

DFI MDL, ENG DEVICES, and OXY SEN Fuses


Object Number: 885111  Size: FS
Master Electrical Component List
FUEL INJ, and TRANS SOL Fuses
Junction Block-Underhood [Bottom View]