GM Service Manual Online
For 1990-2009 cars only

Removal Procedure


    Object Number: 456736  Size: SH
  1. Open the hood.
  2. Remove the upper radiator air baffle. Refer to Radiator Air Upper Baffle and Deflector Replacement in Engine Cooling.
  3. Remove the hood latch from the hood latch support. Refer to Hood Primary and Secondary Latch Replacement .
  4. Remove the bolts from the upper support bracket to the front bumper fascia. Refer to Front Bumper Fascia Upper Support Replacement in Bumpers.
  5. Remove the bolts from the hood latch support at the upper tie bar.

  6. Object Number: 456737  Size: SH
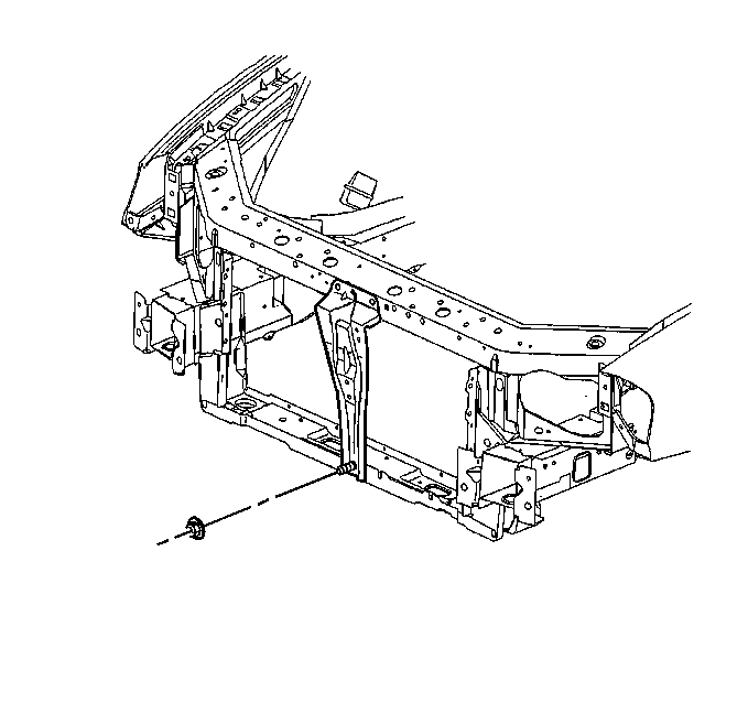
  7. Remove the nut from the hood latch support at the lower tie bar.
  8. Remove the hood latch support from the vehicle.

Installation Procedure

  1. Install the hood latch support to the vehicle.

  2. Object Number: 456736  Size: SH

    Notice: Use the correct fastener in the correct location. Replacement fasteners must be the correct part number for that application. Fasteners requiring replacement or fasteners requiring the use of thread locking compound or sealant are identified in the service procedure. Do not use paints, lubricants, or corrosion inhibitors on fasteners or fastener joint surfaces unless specified. These coatings affect fastener torque and joint clamping force and may damage the fastener. Use the correct tightening sequence and specifications when installing fasteners in order to avoid damage to parts and systems.

  3. Install the hood latch support bolts to the upper tie bar.
  4. Tighten
    Tighten the bolts to 25 N·m (18 lb ft).


    Object Number: 456737  Size: SH
  5. Install the hood latch support nut to the lower tie bar.
  6. Tighten
    Tighten the nut to 10 N·m (89 lb in).

  7. Install the bolts to the upper support bracket at the front bumper fascia. Refer to Front Bumper Fascia Upper Support Replacement in Bumpers.
  8. Install the hood latch to the hood latch support. Refer to Hood Primary and Secondary Latch Replacement .
  9. Install the upper radiator air baffle. Refer to Radiator Air Upper Baffle and Deflector Replacement in Engine Cooling.
  10. Close the hood.