GM Service Manual Online
For 1990-2009 cars only
Figure 1:

Lock Switches


Object Number: 885147  Size: FS
Master Electrical Component List
Power Door Locks Description and Operation
Door Lock Actuators
G203 [2 of 3]
G203 [1 of 3]
Figure 2:

Door Lock Actuators


Object Number: 789087  Size: FS
Master Electrical Component List
Power Door Locks Description and Operation
Door Open Switches [Left]
Lock Switches
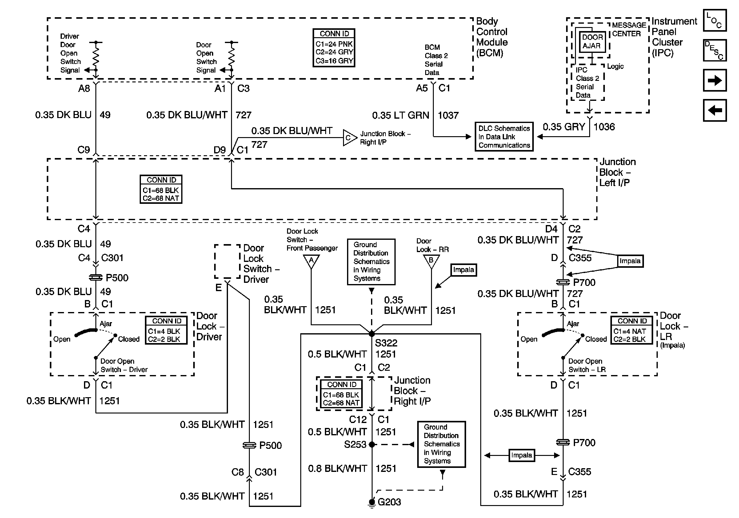
Figure 3:

Door Open Switches (Left)


Object Number: 789088  Size: FS
Master Electrical Component List
Power Door Locks Description and Operation
Door Open Switches [Right]
Door Lock Actuators
Door Open Switches [Right]
Door Open Switches [Right]
Door Open Switches [Right]
G203 [2 of 3]
G203 [1 of 3]
Figure 4:

Door Open Switches (Right)


Object Number: 814398  Size: FS
Master Electrical Component List
Power Door Locks Description and Operation
Door Open Switches [Left]
Door Open Switches [Left]
Door Open Switches [Left]
Door Open Switches [Left]