GM Service Manual Online
For 1990-2009 cars only

Removal Procedure


    Object Number: 61848  Size: SH
  1. Remove the engine mount strut from the engine mount strut bracket at the upper radiator support. Refer to Engine Mount Strut Replacement - Right Side or Engine Mount Strut Replacement - Left Side .

  2. Object Number: 190488  Size: SH
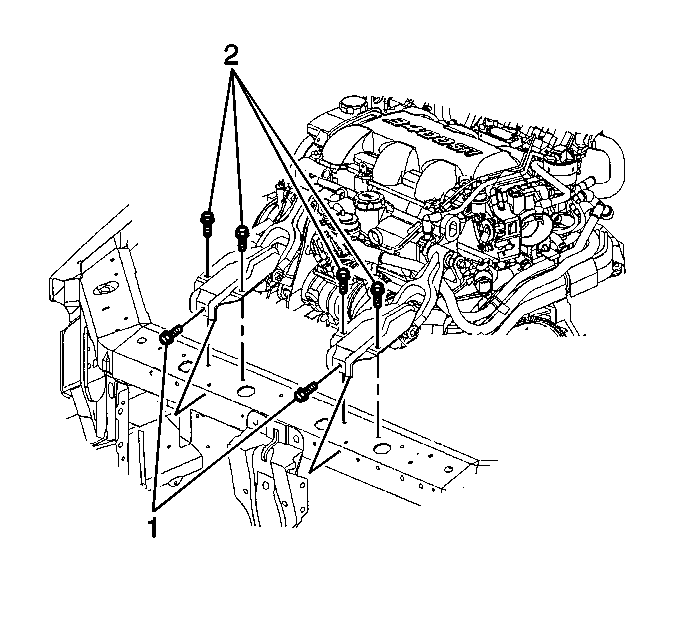
  3. Remove the horizontal bolt from the engine mount strut bracket.
  4. Remove the vertical bolts from the engine mount strut bracket.
  5. Remove the engine mount strut bracket from the upper radiator support.

Installation Procedure


    Object Number: 462724  Size: SH
  1. Position the engine mount strut bracket over the upper radiator support. Make sure that the engine mount strut bracket and the engine mount strut are aligned to the proper holes of the upper radiator support.
  2. Notice: Use the correct fastener in the correct location. Replacement fasteners must be the correct part number for that application. Fasteners requiring replacement or fasteners requiring the use of thread locking compound or sealant are identified in the service procedure. Do not use paints, lubricants, or corrosion inhibitors on fasteners or fastener joint surfaces unless specified. These coatings affect fastener torque and joint clamping force and may damage the fastener. Use the correct tightening sequence and specifications when installing fasteners in order to avoid damage to parts and systems.

  3. Install the vertical bolts (2) to the engine mount strut bracket.
  4. Tighten
    Tighten the engine mount strut bracket bolts to 28 N·m (21 lb ft).

  5. Install the horizontal bolt (1) to the engine mount strut bracket.
  6. Tighten
    Tighten the engine mount strut bracket bolt to 28 N·m (21 lb ft).

  7. Install the engine mount strut to the engine mount strut bracket at the upper radiator support. Refer to Engine Mount Strut Replacement - Right Side or Engine Mount Strut Replacement - Left Side .