GM Service Manual Online
For 1990-2009 cars only
Makes
🢒
Chevrolet
🢒
2005
🢒
Monte Carlo
🢒
Body
🢒
Wiring Systems
🢒 Headlights/Daytime Running Lights (DRL) Schematics
Figure
1:
DRL Relay, Headlamps, and Power (w/o 6J7)
Master Electrical Component List
Exterior Lighting Systems Description and Operation
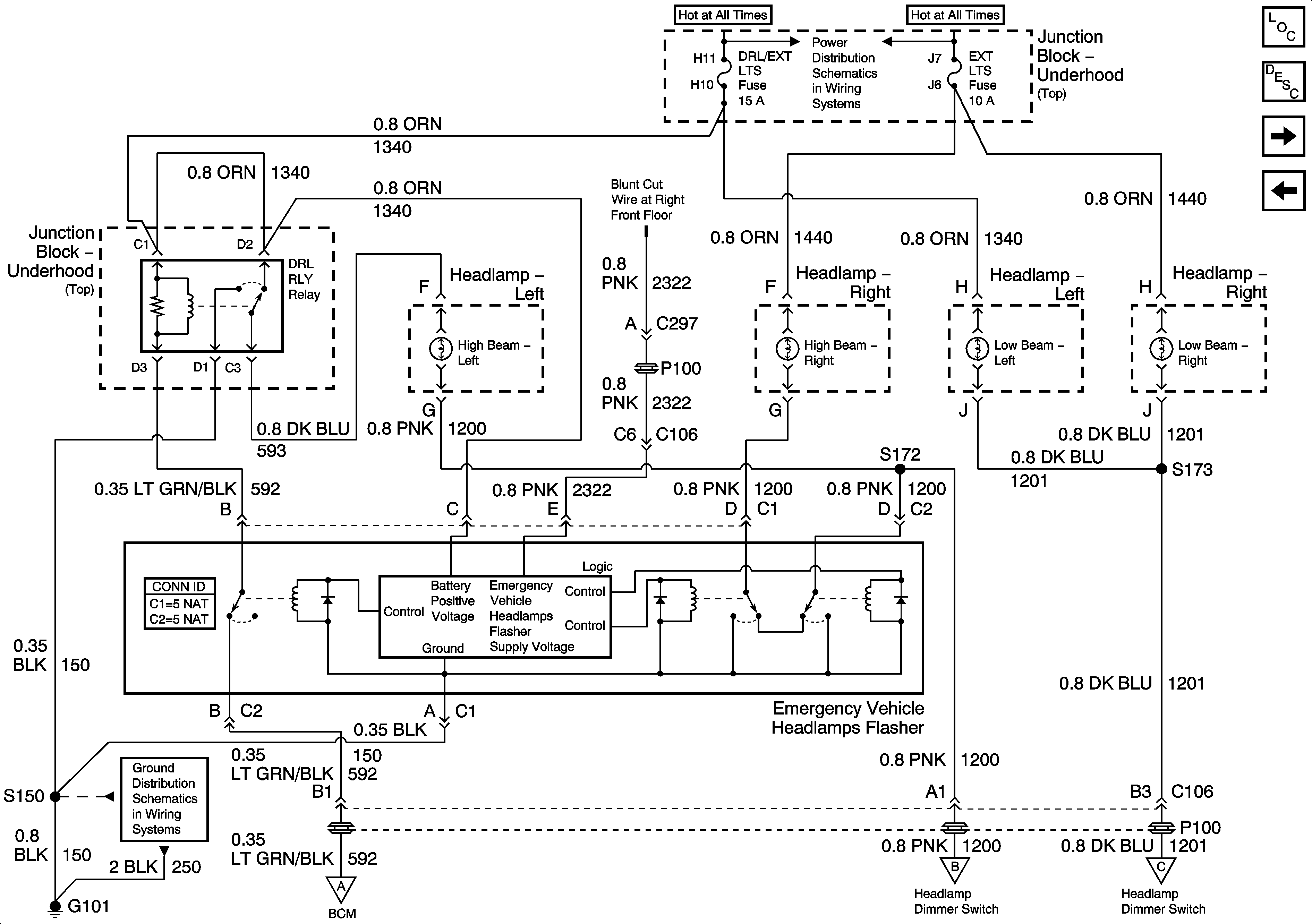
DRL Relay, Flasher, Headlamps, and Power (6J7)
Junction Block - Underhood (Top) Bussing
G101
Indicators and Lamp Control
Indicators and Lamp Control
Indicators and Lamp Control
Figure
2:
DRL Relay, Flasher, Headlamps, and Power (6J7)
Master Electrical Component List
Exterior Lighting Systems Description and Operation
Indicators and Lamp Control
DRL Relay, Headlamps and Power (w/o 6J7)
Junction Block - Underhood (Top) Bussing
G101
Indicators and Lamp Control
Indicators and Lamp Control
Indicators and Lamp Control
Figure
3:
Indicators, and Lamp Control
Master Electrical Component List
Exterior Lighting Systems Description and Operation
DRL Relay, Flasher, Headlamps, and Power (6J7)
DLC
DRL Relay, Flasher, Headlamps, and Power (6J7)
DRL Relay, Headlamps and Power (w/o 6J7)
DRL Relay, Flasher, Headlamps, and Power (6J7)
DRL Relay, Headlamps and Power (w/o 6J7)
DRL Relay, Flasher, Headlamps, and Power (6J7)
DRL Relay, Headlamps and Power (w/o 6J7)
G201 - 1 of 2
G203 - 1 of 3
Courtesy Lamps Control and I/P
Brake Warning System
CLSTR/BCM, DR LK, LEFT IP, LH HTD ST/BCM and PWR MIR Fuses, RETAINED ACCSRY PWR BRKR Circuit Breaker, and RETAINED ACCSRY PWR Relay
G201 - 1 of 2
G201 - 1 of 2