GM Service Manual Online
For 1990-2009 cars only
Makes
🢒
Chevrolet
🢒
2007
🢒
Monte Carlo
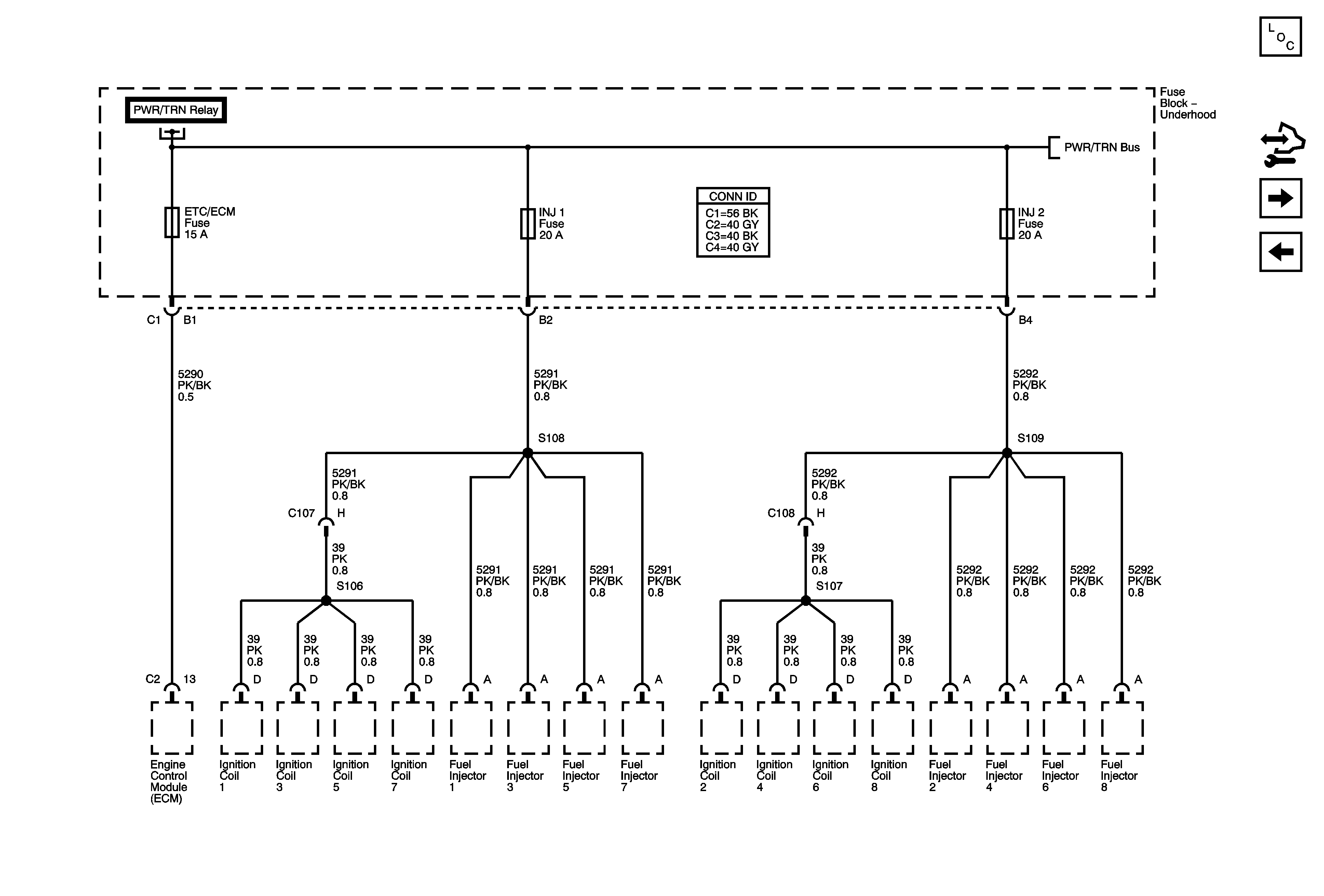
🢒 ETC/ECM, INJ 1, INJ 2 Fuses (LS4)
ETC/ECM, INJ 1, INJ 2 Fuses (LS4)
ETC/ECM, INJ 1, and INJ 2 Fuses (LS4)
Master Electrical Component List
Control Module References
EMISSIONS 1, EMISSIONS 2, A/C CMPRSR Fuses, A/C CMPRSR, FAN 1, FAN 2, and FAN 3 Relays
ETC/ECM, INJ 1, INJ 2 Fuses (LZE, LZ4, LZ8)
Fuse Block - Underhood Bussing
Fuse Block - Underhood Bussing