GM Service Manual Online
For 1990-2009 cars only
Makes
🢒
Chevrolet
🢒
2007
🢒
Omega VE
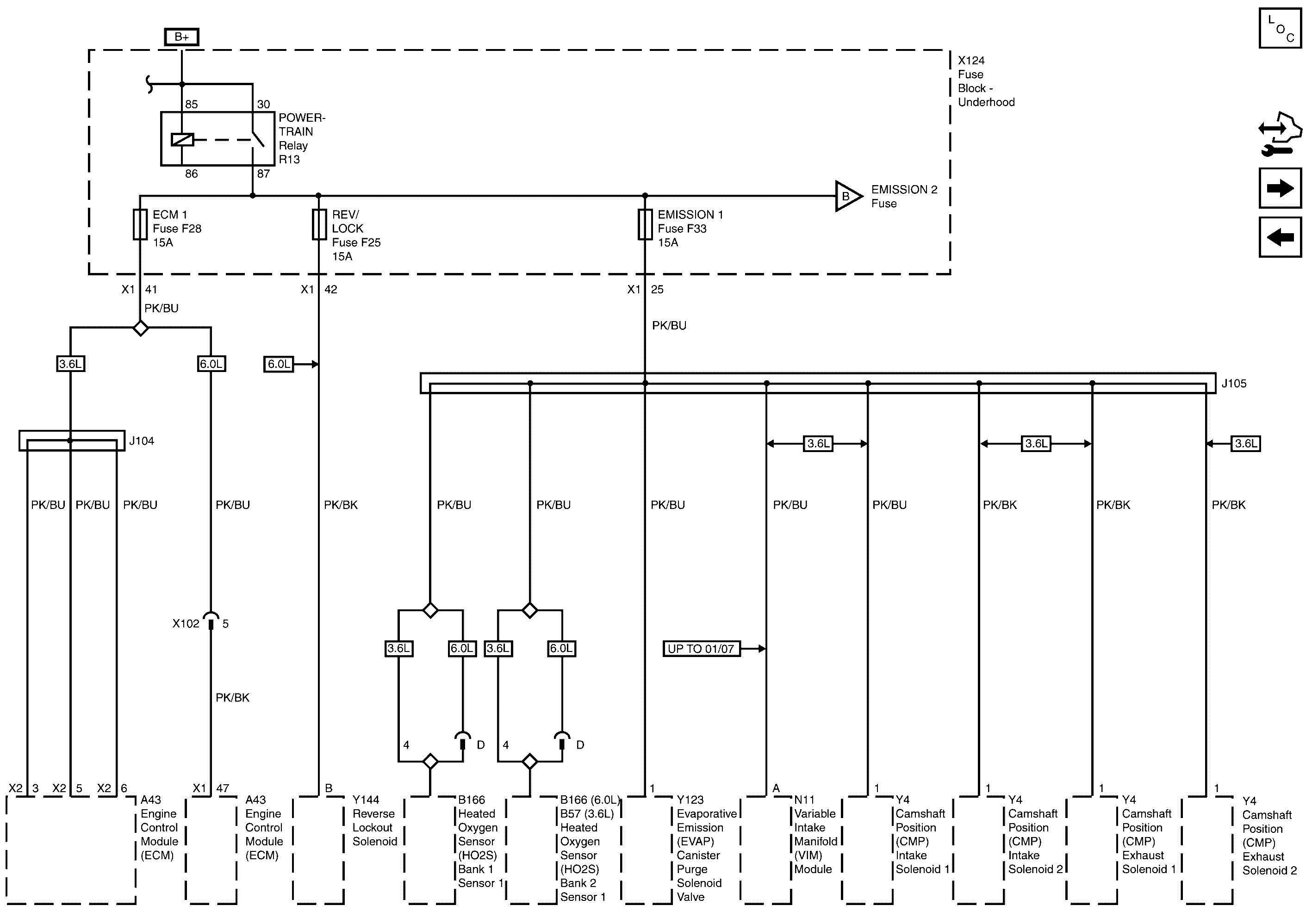
🢒 PWR.TRN Bus - ECM1, Emission 1 and REV/LOCK Fuses
PWR.TRN Bus - ECM1, Emission 1 and REV/LOCK Fuses
PWR/TRN BUS -- ECM1, EMISSION 1 and REV/LOCK Fuses
Master Electrical Component List
Control Module References
PWR/TRN Bus - Emission 2 and ODCOIL/INJ Fuses
Batt Main 4, BCM Logic, Console Lighting, IGNSW/Theft and Stop Lamps/Park Assist Fuses and Ignition Switch
PWR/TRN Bus - Emission 2 and ODCOIL/INJ Fuses
B+ Bus - 1 of 2