GM Service Manual Online
For 1990-2009 cars only
Figure 1:

Headlamps Controls and Sensors


Object Number: 2154121  Size: FS
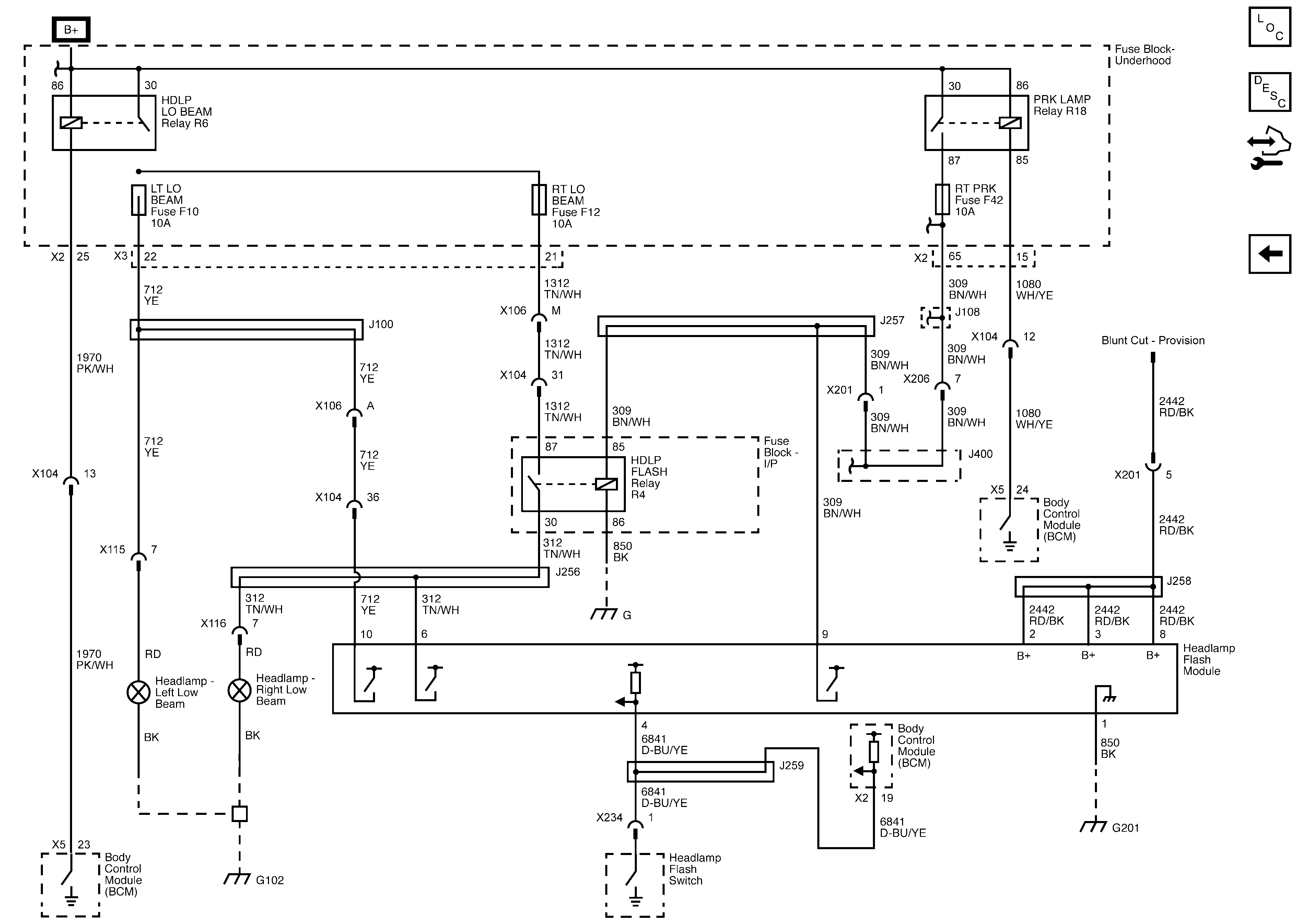
Figure 2:

Headlamps Except 9C1


Object Number: 2154123  Size: FS
Figure 3:

Headlamps 9C1


Object Number: 2146464  Size: FS
Figure 4:

Headlamp Leveling


Object Number: 2137094  Size: FS