|
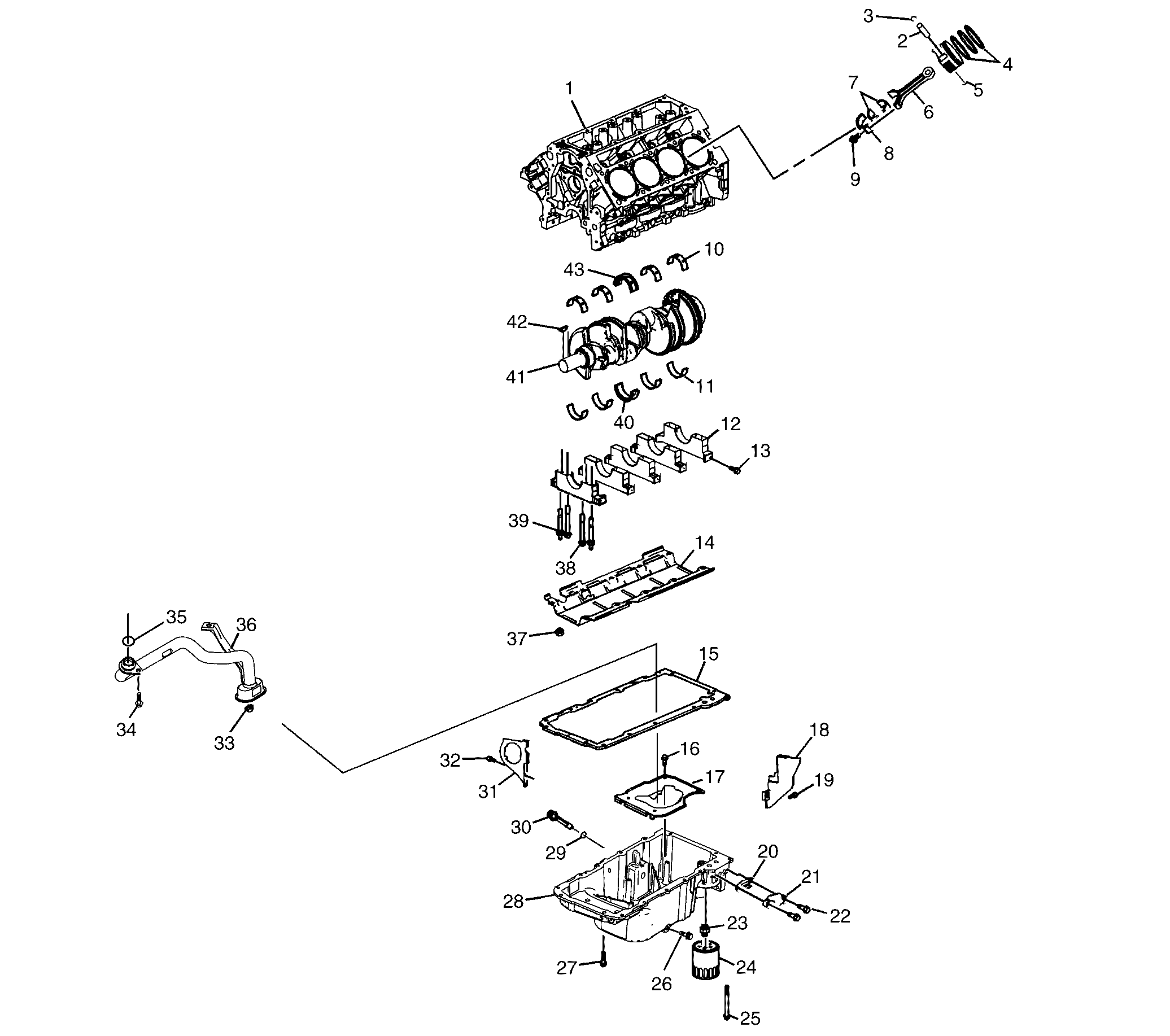
| (1) | Thermostat
Housing |
| (2) | Thermostat |
| (3) | Water Pump |
| (4) | Water Pump
Gasket |
| (5) | Water Pump
Retaining Bolt |
| (6) | Thermostat
Housing Retaining Bolt |
| (7) | Oil Level
Indicator O-Ring |
| (8) | Oil Level
Indicator |
| (9) | Oil Level Indicator
Tube Retaining Bolt |
| (10) | Oil Level
Indicator Tube |
| (11) | Oil Level
Indicator Tube O-Ring |
| (12) | Engine Block |
| (13) | Camshaft
Bearings |
| (14) | Camshaft |
| (15) | Camshaft
Sprocket Locating Pin |
| (16) | Crankshaft
Sprocket |
| (17) | Timing Chain |
| (18) | Camshaft Position (CMP)
Sensor O-Ring Seal |
| (19) | CMP Sensor |
| (20) | Crankshaft
Balancer Retaining Bolt |
| (21) | Crankshaft
Balancer |
| (22) | Crankshaft
Front Oil Seal |
| (23) | CMP Sensor
Retaining Bolt |
| (24) | Engine Front
Cover Retaining Bolt |
| (25) | Engine Front
Cover |
| (26) | Engine Front
Cover Gasket |
| (27) | Timing Chain
Tensioner Bolt |
| (28) | Timing Chain
Tensioner |
| (29) | Camshaft Retaining
Bolt |
| (30) | Camshaft Sprocket |
| (31) | Camshaft Retainer
Retaining Bolt |
| (32) | Camshaft Retainer |
| (33) | Oil Pump
Retaining Bolt |
| (34) | Oil Pump |
| (35) | Oil Pump
O-Ring Seal |
| (36) | Oil Pump
Suction Pipe |
| (37) | Oil Pump
Suction Pipe Retaining Nut |
| (38) | Oil Pump
Suction Pipe Retaining Bolt |
| (39) | Oil Pressure
Relief Valve |
| (40) | Oil Pressure
Relief Valve Spring |
| (41) | Oil Pressure
Relief Valve Bore Plug |
| (42) | Oil Pump
Driven Gear |
| (43) | Oil Pump
Drive Gear |
| (44) | Oil Pump
Cover |
| (45) | Oil Pump
Cover Bolt |