GM Service Manual Online
For 1990-2009 cars only
Makes
🢒
Chevrolet
🢒
2009
🢒
Omega VE
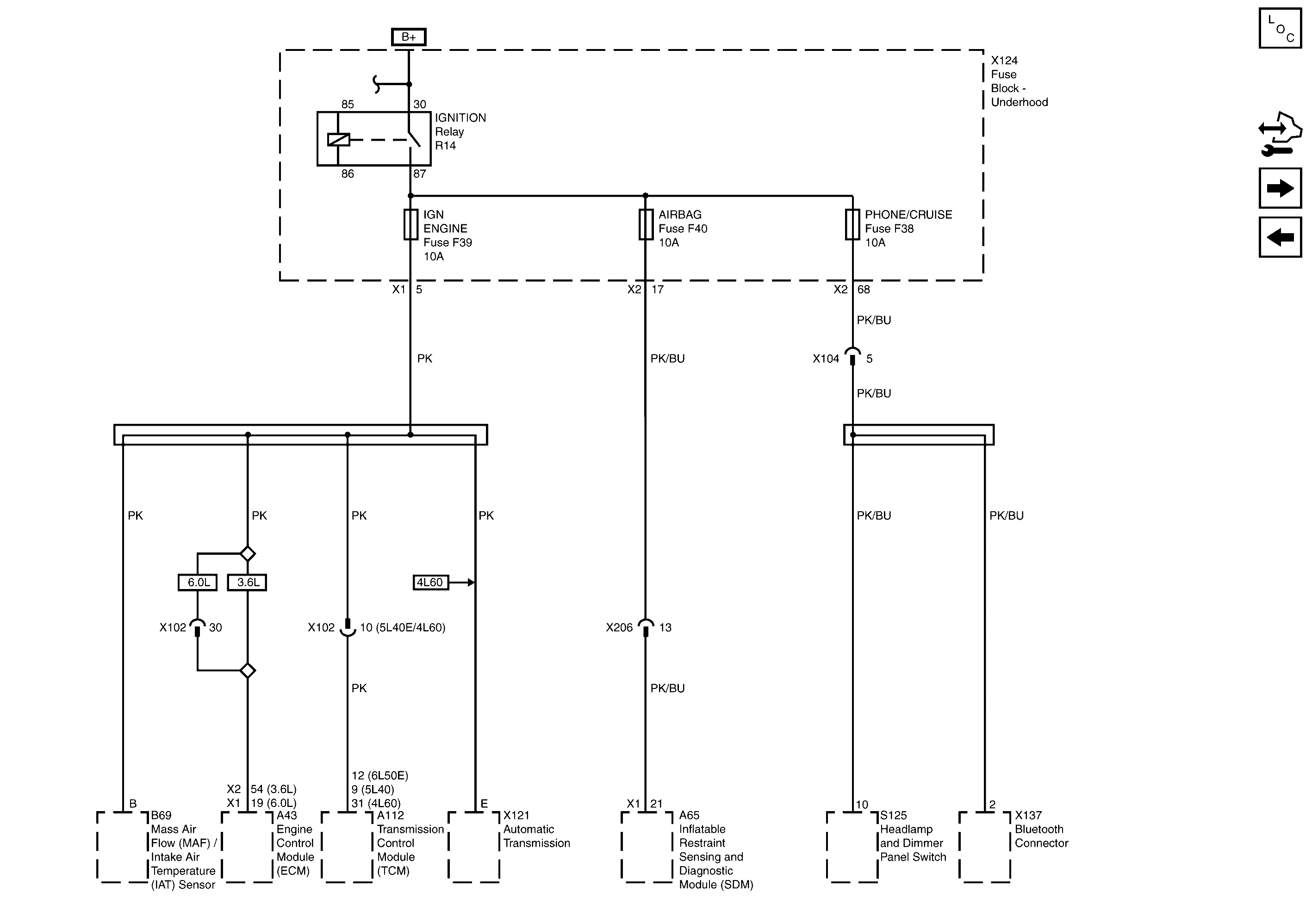
🢒 IGN II/III Bus - Airbag, IGN Engine and Phone/Cruise
IGN II/III Bus - Airbag, IGN Engine and Phone/Cruise
IGN II/III Bus - Airbag, IGN Engine and Phone/Cruise
Master Electrical Component List
Control Module References
IGN II/III Bus, Cigar Lighters, Front APO, Outside Mirrors and Phone Fuses
PWR/TRN BUS - EVCOIL/INJ Fuses
B+ Bus - 2 of 2