GM Service Manual Online
For 1990-2009 cars only
Makes
🢒
Chevrolet
🢒
2007
🢒
Optra
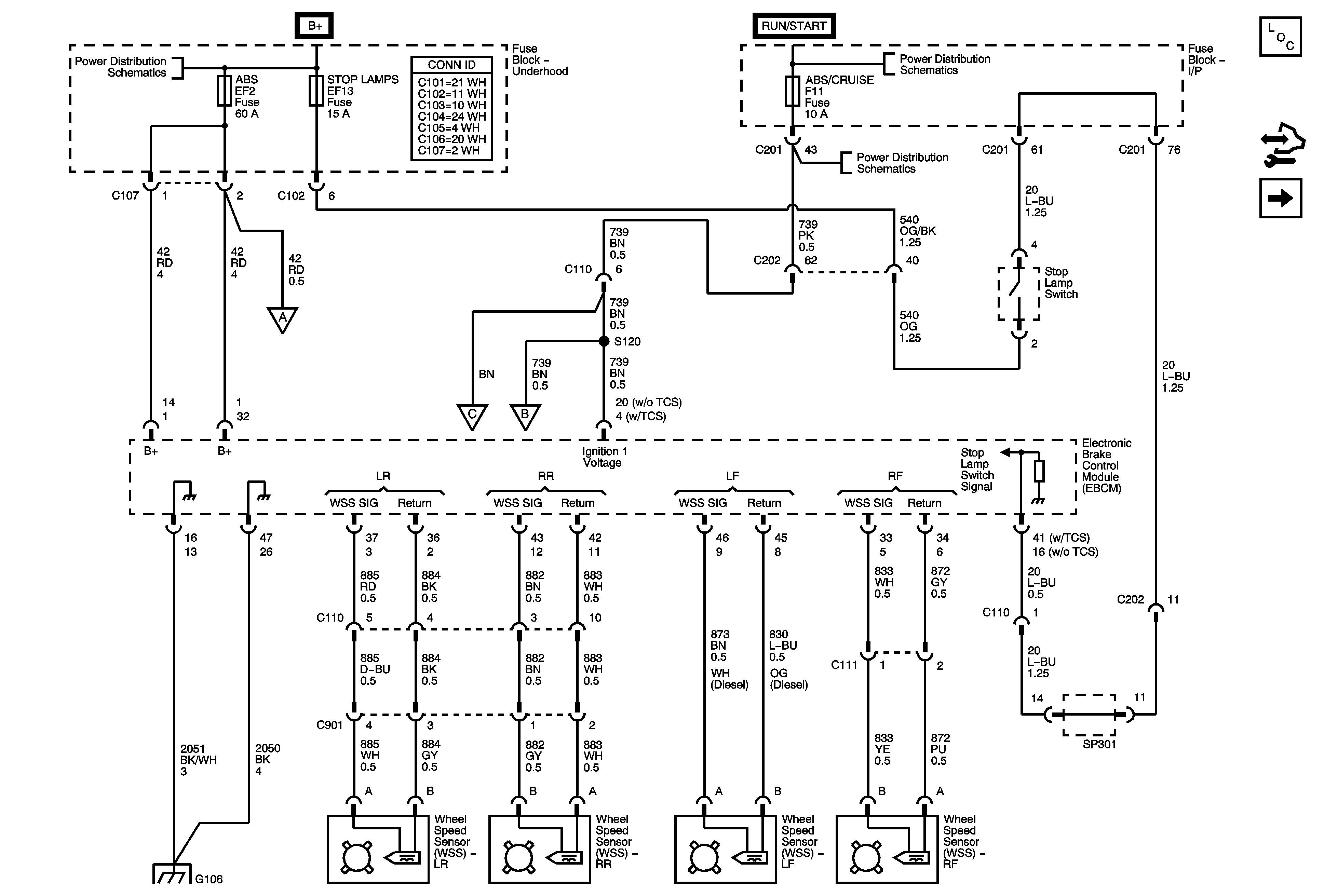
🢒 Power, Ground, Wheel Speed Sensor
Power, Ground, Wheel Speed Sensor
Power, Ground, Wheel Speed Sensors
Master Electrical Component List
Control Module References
Warning Lamps, Serial Data
Underhood Fuse Block - Battery Feeds - 1of 2
Underhood Fuse Block - Battery Feeds - 1of 2
Underhood Fuse Block - Battery Feeds - 1of 2
Warning Lamps, Serial Data
Warning Lamps, Serial Data
Warning Lamps, Serial Data
G106, G107