GM Service Manual Online
For 1990-2009 cars only
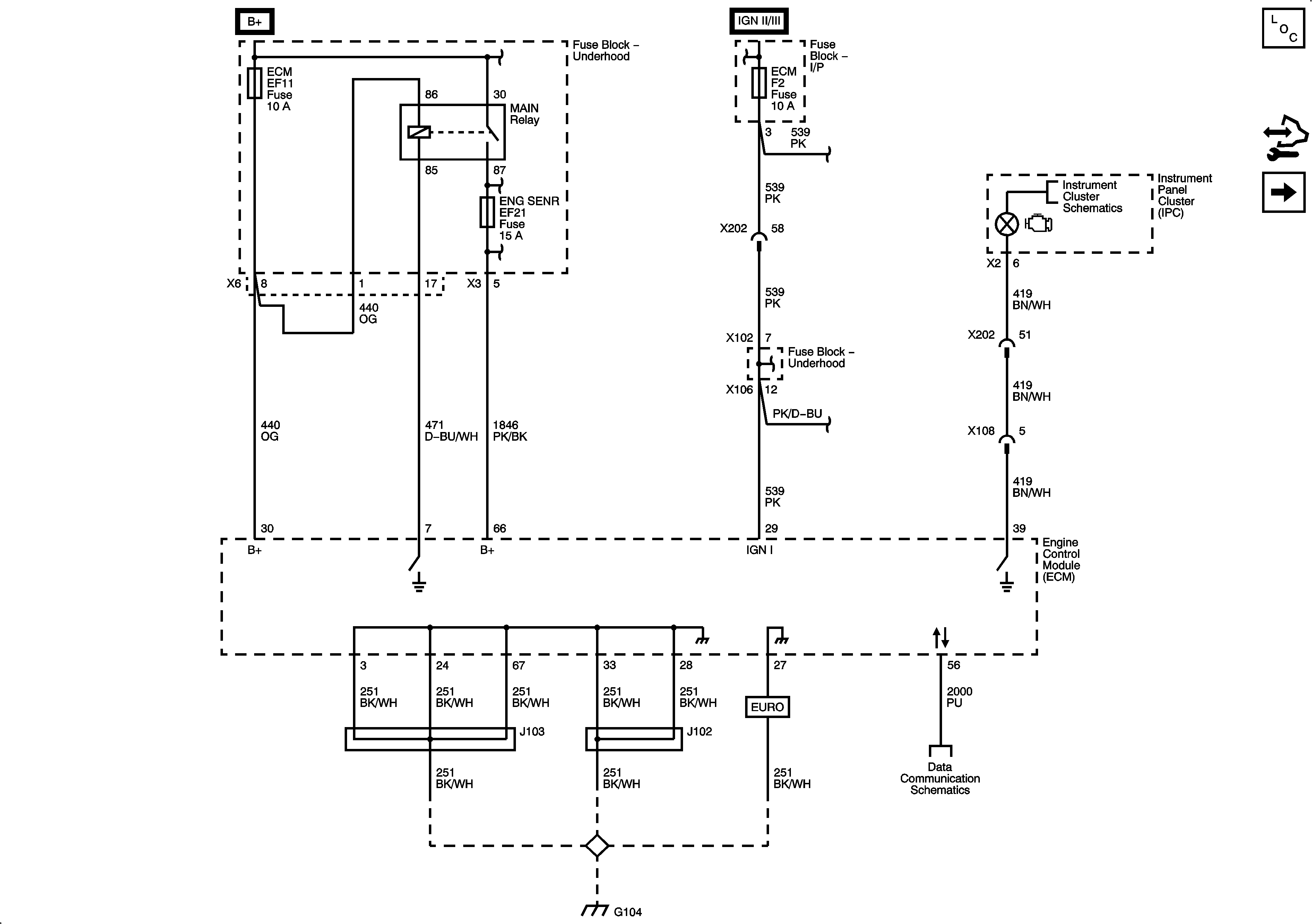
Figure 1:

Module Power, Ground, Serial Data, Malfunction Indicator Lamp (MIL)


Object Number: 1956558  Size: FS
Master Electrical Component List
Control Module References
Engine Data Sensors - Pressure and Temperature
Fuse Block - Underhood B+ Bus, 1 of 3
Fuse Block - Underhood B+ Bus, 1 of 3
Fuse Block - Underhood B+ Bus, 1 of 3
Power, Ground, I/P Illumination, and Door Open Indicators
Fuse Block - Underhood B+ Bus, 1 of 3
Fuse Block - Underhood B+ Bus, 1 of 3
G104
Data Communication
Figure 2:

Engine Data Sensors - Pressure and Temperature


Object Number: 1956560  Size: FS
Master Electrical Component List
Control Module References
Oxygen Sensors (O2S)
Module Power, Ground, Serial Data, Malfunction Indicator Lamp (MIL)
D16
Figure 3:

Oxygen Sensors (O2S)


Object Number: 1956562  Size: FS
Master Electrical Component List
Control Module References
Ignition System
Engine Data Sensors - Pressure and Temperature
Fuse Block - Underhood B+ Bus, 1 of 3
Engine Data Sensors - Pressure and Temperature
Figure 4:

Ignition System


Object Number: 1956564  Size: FS
Master Electrical Component List
Control Module References
CMP, CKP, Knock, Rough Road Sensors, Power Steering Pressure Switch
Oxygen Sensors (O2S)
Fuse Block - Underhood B+ Bus, 1 of 3
Power, Ground, I/P Illumination, and Door Open Indicators
G104
Figure 5:

CMP, CKP, Knock, Rough Road Sensors, Power Steering Pressure Switch


Object Number: 1956565  Size: FS
Master Electrical Component List
Control Module References
Main Throttle Intake Actuator (MTIA)
Ignition System
Fuse Block - Underhood B+ Bus, 1 of 3
Power, Ground, Wheel Speed Sensors
Figure 6:

Engine Data Sensors - Main Throttle Intake Actuator (MTIA)


Object Number: 1956571  Size: FS
Master Electrical Component List
Control Module References
Fuel Pump Controls and Fuel Injector
CMP, CKP, Knock, Rough Road Sensors, Power Steering Pressure Switch
Figure 7:

Fuel Pump Controls and Fuel Injectors


Object Number: 1956573  Size: FS
Master Electrical Component List
Control Module References
Intake Manifold Tuning Valve, EVAP, EGR, Octane Selection Switch
Main Throttle Intake Actuator (MTIA)
Fuse Block - Underhood B+ Bus, 1 of 3
Fuse Block - Underhood B+ Bus, 1 of 3
Fuse Block - Underhood B+ Bus, 1 of 3
Fuse Block - Underhood B+ Bus, 1 of 3
Fuse Block - Underhood B+ Bus, 1 of 3
Fuse Block - Underhood B+ Bus, 1 of 3
Power, Ground, I/P Illumination, and Door Open Indicators
G302
Figure 8:

Intake Manifold Tuning Valve, EVAP, EGR, Octane Selection Switch


Object Number: 1956574  Size: FS
Master Electrical Component List
Control Module References
Controlled/Monitored Subsystem References
Fuel Pump Controls and Fuel Injector
Fuse Block - Underhood B+ Bus, 1 of 3
Fuse Block - Underhood B+ Bus, 1 of 3
Fuse Block - Underhood B+ Bus, 1 of 3
Fuse Block - Underhood B+ Bus, 1 of 3
Fuse Block - Underhood B+ Bus, 1 of 3
G104
Figure 9:

Controlled/Monitored Subsystem References


Object Number: 1956576  Size: FS
Master Electrical Component List
Control Module References
Intake Manifold Tuning Valve, EVAP, EGR, Octane Selection Switch
Power, Ground, I/P Illumination, and Door Open Indicators
Single Fan
Blower Controls
Blower Controls
Module Power, Ground, Malfunction Indicator Lamp (MIL), Hold Lamp, and Serial Data