GM Service Manual Online
For 1990-2009 cars only
Figure 1:

TCM Power, Ground, MIL, Serial Data, Shift Program Switch


Object Number: 1962514  Size: FS
Master Electrical Component List
Control Module References
Transmission Solenoid and Stop Lamp Switch
Fuse Block - I/P ECM Fuse
Fuse Block - I/P ECM Fuse
Fuse Block - Underhood BATT MAIN, IGN 1, IGN 2 Fuses, Ignition Switch, Fuse Block-I/P RADIO, IMMOBILIZER, DLC, A/C CLK, HAZARD, RKE, TCM, REAR FOG Fuses
Park/Neutral Position (PNP) Switch
Data Communication
G201 - 1 of 2
G203
G201 - 1 of 2
Figure 2:

Transmission Solenoids and Stop Lamp Switch


Object Number: 1962519  Size: FS
Master Electrical Component List
Control Module References
Input Shaft, Output Shaft, and Vehicle Speed Sensors (VSS)
TCM Power, Ground, MIL, Serial Data, and Shift Program Switch
Fuse Block - Underhood B+ Bus, 1 of 3
Fuse Block - Underhood B+ Bus, 1 of 3
Figure 3:

Input Shaft, Output Shaft, and Vehicle Speed Sensors (VSS)


Object Number: 1962521  Size: FS
Master Electrical Component List
Control Module References
Park/Neutral Position (PNP) Switch
Transmission Solenoid and Stop Lamp Switch
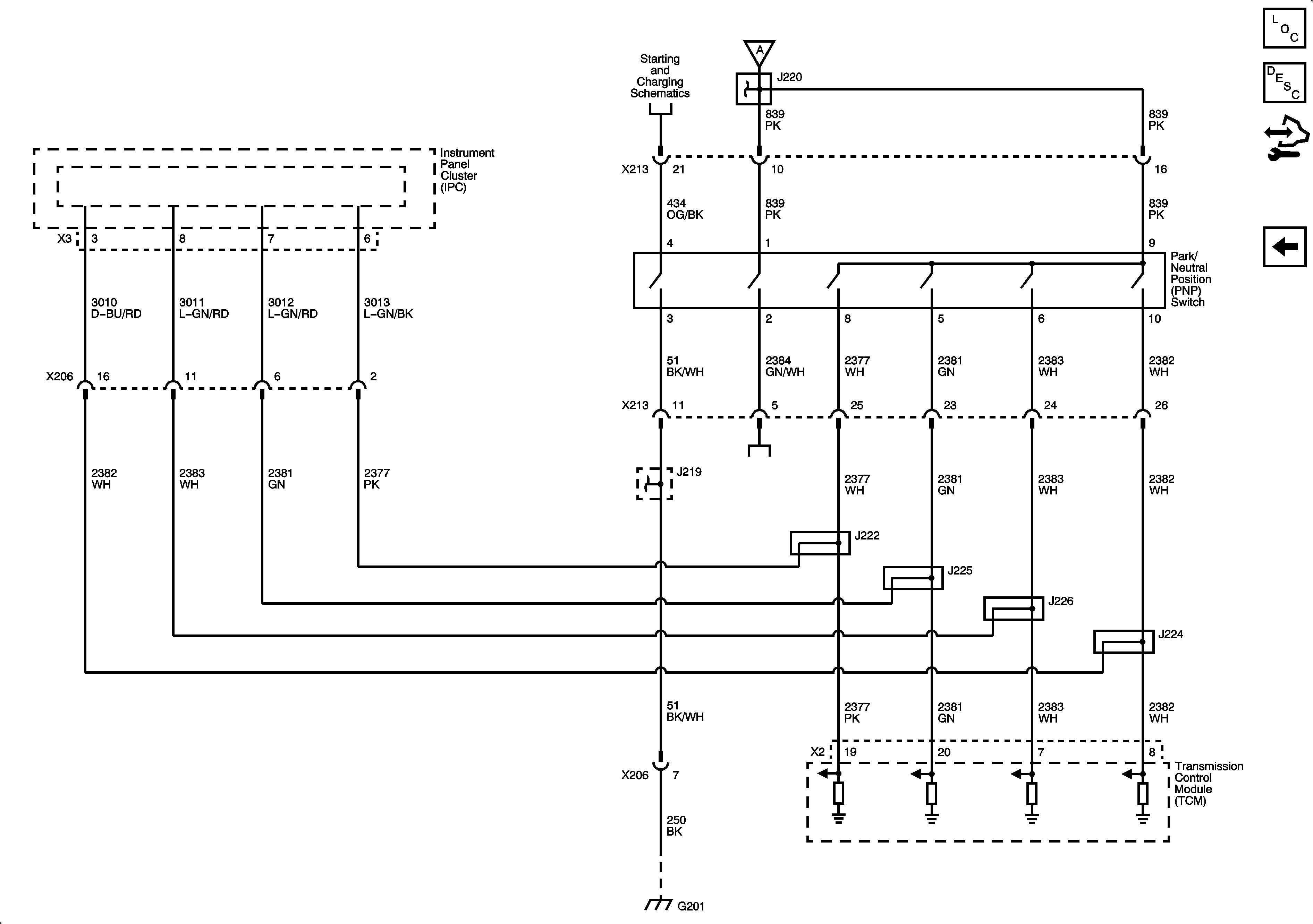
Figure 4:

Park/Neutral Position (PNP) Switch


Object Number: 1962523  Size: FS
Master Electrical Component List
Control Module References
Input Shaft, Output Shaft, and Vehicle Speed Sensors (VSS)
Starting
TCM Power, Ground, MIL, Serial Data, and Shift Program Switch
G201 - 1 of 2
G201 - 1 of 2