GM Service Manual Online
For 1990-2009 cars only
Figure 1:

Park Lamps and License Plate Lamps


Object Number: 1962917  Size: FS
Master Electrical Component List
Control Module References
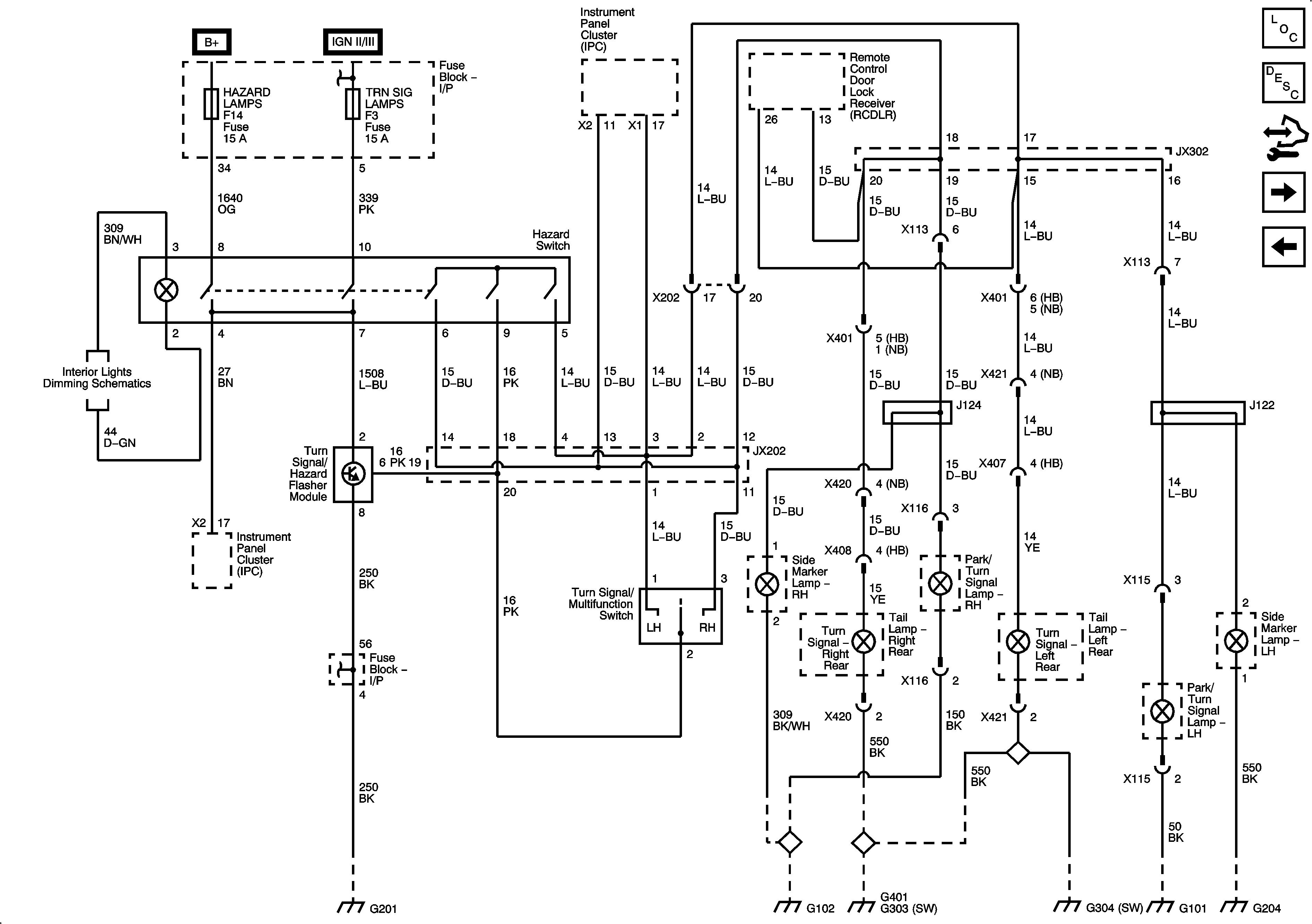
Turn and Hazard Lamps - North America
Fuse Block - Underhood B+ Bus, 1 of 3
Fuse Block - Underhood B+ Bus, 1 of 3
G101
G101
G303, G401
G304
G302
G304
G402
G303, G401
G101
G102
G303, G401
Figure 2:

Turn and Hazard Lamps - North America


Object Number: 1962920  Size: FS
Master Electrical Component List
Turn and Hazard Lamps - Expcept North America
Park Lamps and License Plate Lamps
Fuse Block - Underhood B+ Bus, 1 of 3
Interior Lights
G101
G201 - 1 of 2
G102
G303, G401
G304
G101
G202, G204
Figure 3:

Turn and Hazard Lamps - Except North America


Object Number: 1962922  Size: FS
Master Electrical Component List
Backup Lamps
Turn and Hazard Lamps - North America
Fuse Block - Underhood B+ Bus, 1 of 3
Interior Lights
G201 - 1 of 2
G102
G303, G401
G304
G101
G202, G204
Figure 4:

Stop Lamps - Notchback


Object Number: 1962923  Size: FS
Master Electrical Component List
Control Module References
Stop Lamps - Hatchback
Backup Lamps
Fuse Block - Underhood B+ Bus, 1 of 3
G302
G303, G401
Figure 5:

Stop Lamps - Hatchback


Object Number: 1962925  Size: FS
Master Electrical Component List
Control Module References
Stop Lamps - Station Wagon
Stop Lamps - Notchback
Fuse Block - Underhood B+ Bus, 1 of 3
G101
G402
G303, G401
Figure 6:

Stop Lamps - Station Wagon


Object Number: 1962927  Size: FS
Master Electrical Component List
Control Module References
Battery Saver
Stop Lamps - Hatchback
Fuse Block - Underhood B+ Bus, 1 of 3
G304
G303, G401
Figure 7:

Backup Lamps


Object Number: 1962928  Size: FS
Master Electrical Component List
Control Module References
Stop Lamps - Notchback
Turn and Hazard Lamps - Expcept North America
Fuse Block - Underhood B+ Bus, 1 of 3
Fuse Block - Underhood B+ Bus, 1 of 3
G101
G304
G303, G401
G303, G401
G402
Figure 8:

Battery Saver


Object Number: 1962929  Size: FS
Master Electrical Component List
Control Module References
Stop Lamps - Station Wagon
Fuse Block - Underhood B+ Bus, 1 of 3
Fuse Block - Underhood B+ Bus, 1 of 3
Fuse Block - Underhood B+ Bus, 1 of 3
Fuse Block - Underhood B+ Bus, 1 of 3
Starting
Park Lamps and License Plate Lamps
Park Lamps and License Plate Lamps
Remote Function
G101
G203