GM Service Manual Online
For 1990-2009 cars only

Engine Controls Schematics without Throttle Acuator Controls

Figure 1:

Module Power, Ground, Serial Data Malfunction Indicator Lamp (MIL)


Object Number: 2159026  Size: FS
Figure 2:

Engine Data Sensors - Pressure and Temperature


Object Number: 2159028  Size: FS
Figure 3:

Oxygen Sensors (O2S)


Object Number: 2159032  Size: FS
Figure 4:

Ignition Systems


Object Number: 2159037  Size: FS
Figure 5:

CKP, CMP, Knock, Rough Road Sensors


Object Number: 2159041  Size: FS
Figure 6:

Fuel Pump - Fuel Injectors


Object Number: 2159042  Size: FS
Figure 7:

Fuel Controls - EVAP Controls


Object Number: 2159044  Size: FS
Figure 8:

Device Controls


Object Number: 2159046  Size: FS
Figure 9:

Controlled/Monitored Subsystem References


Object Number: 2159048  Size: FS

Engine Controls Schematics Throttle Acuator Controls

Figure 1:

Module Power, Ground, Serial Data, Malfunction Indicator Lamp (MIL)


Object Number: 2159050  Size: FS
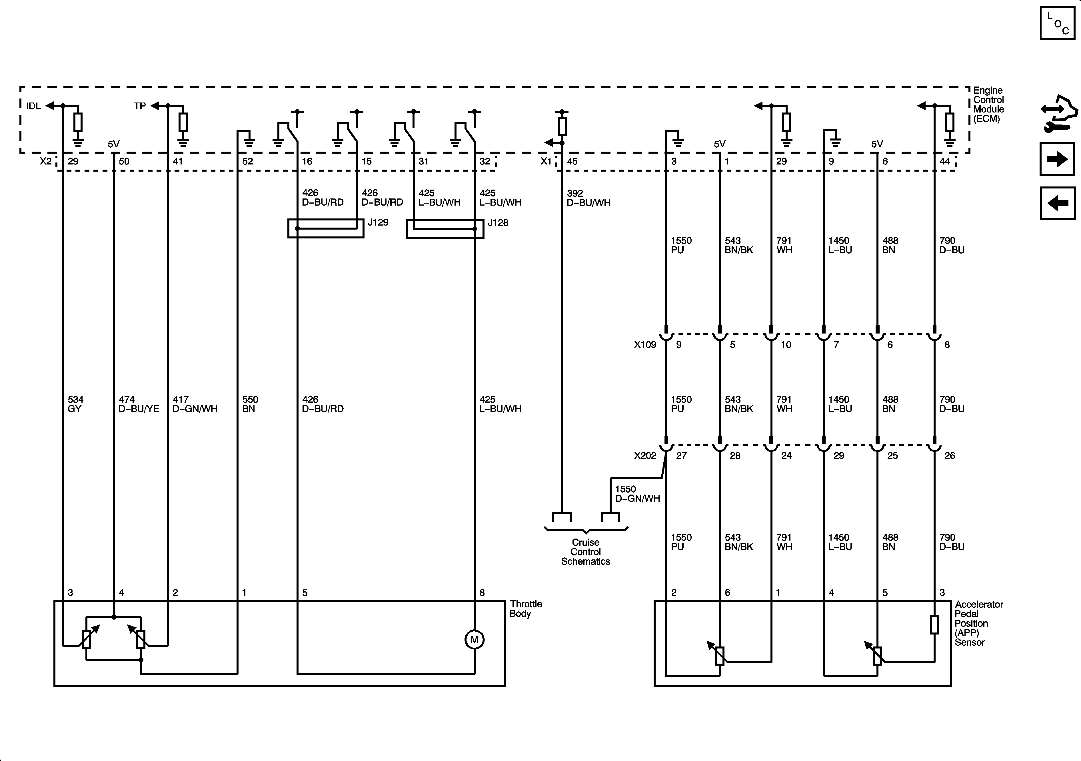
Figure 2:

Accelerator Pedal Position (APP), TP Sensor, Throttle Actuator Control Motor


Object Number: 2159054  Size: FS
Figure 3:

Ignition Coil


Object Number: 2159055  Size: FS
Figure 4:

EVAP Solenoids, FTP Sensor


Object Number: 2159139  Size: FS
Figure 5:

Heated Oxygen Sensors


Object Number: 2159140  Size: FS
Figure 6:

EGR Valve, MAP, ECT, IAT Sensors


Object Number: 2159141  Size: FS
Figure 7:

CKP, CMP, Knock, Rough Road Sensors


Object Number: 2159142  Size: FS
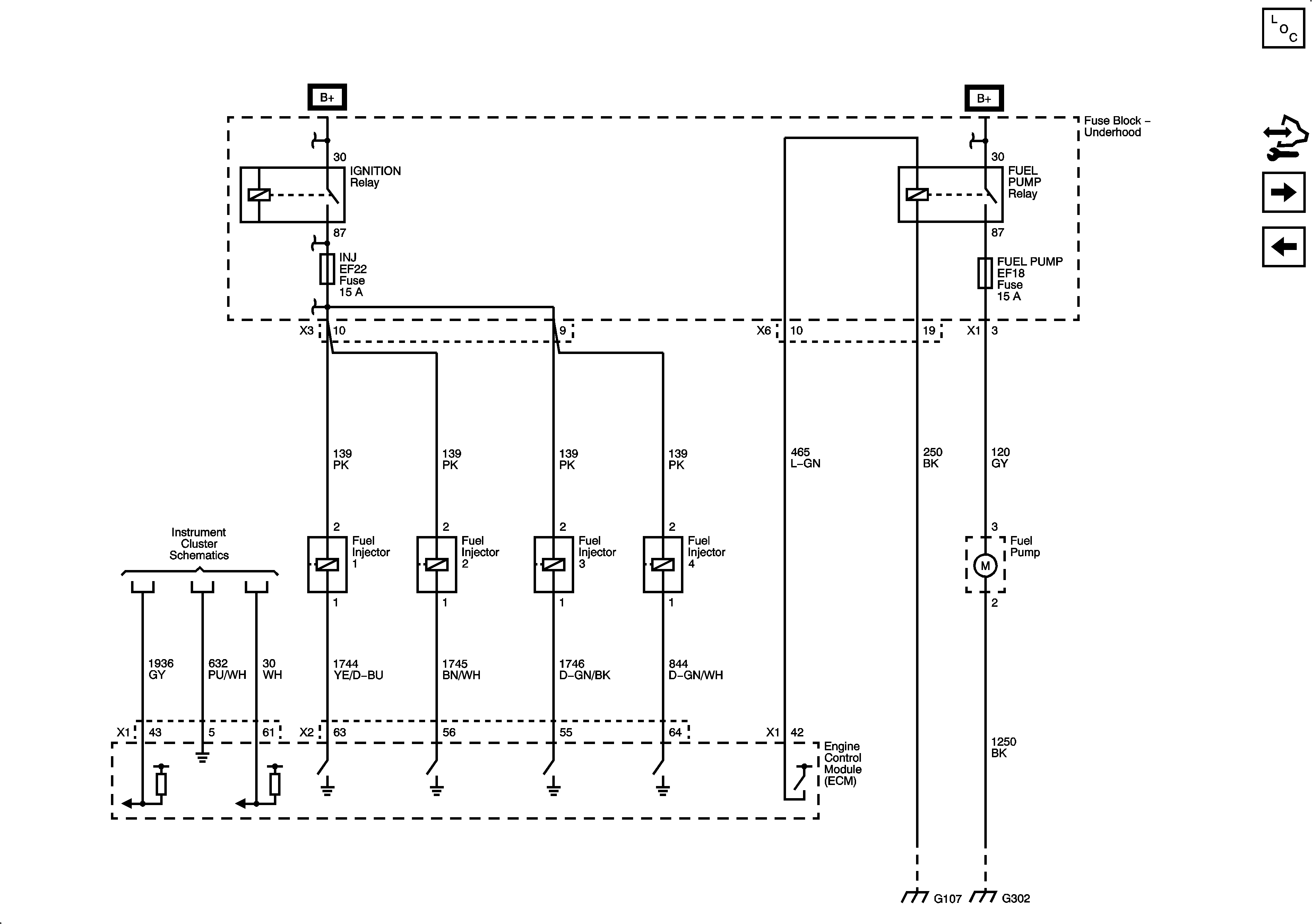
Figure 8:

Fuel Pump and Injectors


Object Number: 2159144  Size: FS
Figure 9:

Controlled/Monitored Subsystem References


Object Number: 2159147  Size: FS