GM Service Manual Online
For 1990-2009 cars only
Makes
🢒
Chevrolet
🢒
2009
🢒
Optra
🢒
Power and Signal Distribution
🢒
Wiring Systems and Power Management
🢒 Trailer Connector/Provision Schematics
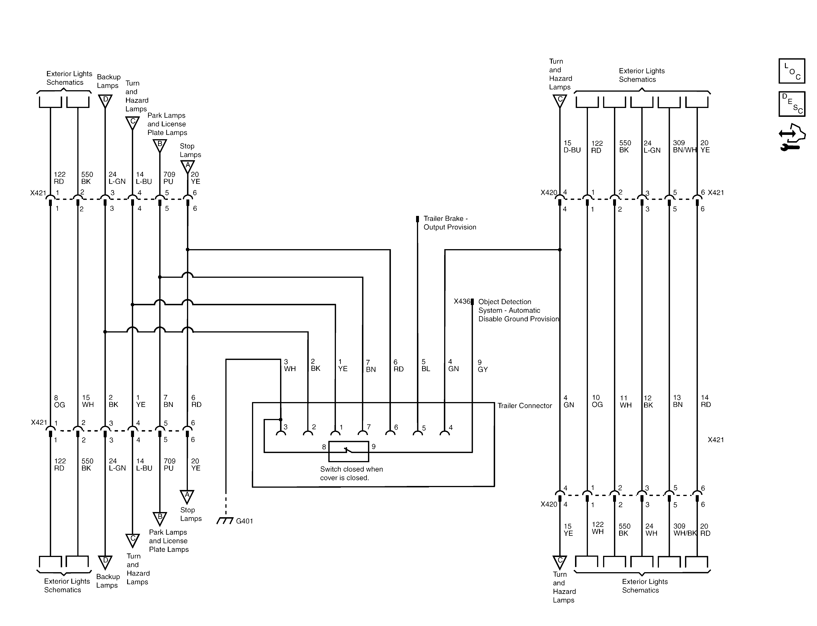
Trailer Connector/Provision Schematics Holden Genuine Aaccessory
Figure
1:
Trailer Connector/Provision Schematics - Holden Genuine Accessory - Hatch
Master Electrical Component List
Object Detection Description and Operation (Except Holden)
Control Module References
Figure
2:
Trailer Connector/Provision Schematics - Holden Genuine Accessory - Sedan
Master Electrical Component List
Object Detection Description and Operation (Except Holden)
Control Module References
Figure
3:
Trailer Connector/Provision Schematics - Holden Genuine Accessory - Wagon
Master Electrical Component List
Object Detection Description and Operation (Except Holden)
Control Module References