GM Service Manual Online
For 1990-2009 cars only
Makes
🢒
Chevrolet
🢒
2006
🢒
Optra - Mexico
🢒
Body
🢒
Lighting Systems
🢒 Headlights/Daytime Running Lights (DRL) Schematics
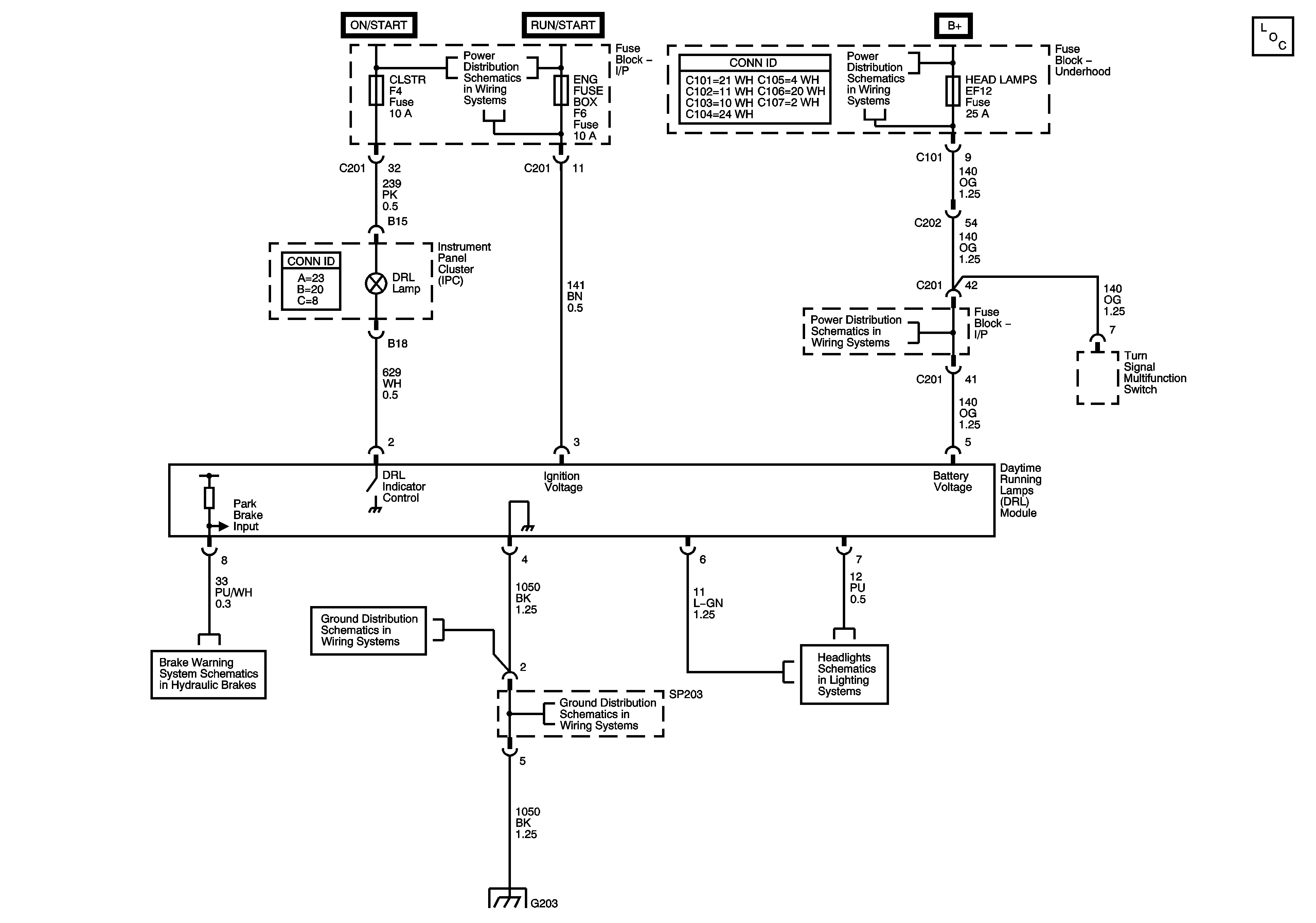
Figure
1:
Daytime Running Lamps - North America
Master Electrical Component List
I/P Fuse Block CLSTR, AIR BAG, BCK/UP and ENG FUSE BOX DRL Fuses
Underhood Fuse Block HEAD LAMPS FUSE
Underhood Fuse Block HEAD LAMPS FUSE
G201 (2 of 2)
Brake Warning System Schematics
Headlamps w/North American Daytime Running Lamps
G203
G203
Figure
2:
Daytime Running Lamps - Scandinavia
Master Electrical Component List
I/P Fuse Block CLSTR, AIR BAG, BCK/UP and ENG FUSE BOX DRL Fuses
Underhood Fuse Block LOW BEAM LT, LOW BEAM RT, ILLUM LT, ILLUM RT, and HI BEAM Fuses
Underhood Fuse Block HEAD LAMPS FUSE
Underhood Fuse Block HI BEAM Fuse w/o Dimming
I/P Illumination w/Dimming
G203
G203
Headlamps w/Scandanavia Daytime Running Lamps
Power Steering, Shift Program, Air Bag, Seat Belt, Oil Pressure, MIL, ABS, TCS, Parking Brake, and Charing Warning Lamps
G203
G203
G201 (2 of 2)