GM Service Manual Online
For 1990-2009 cars only
Makes
🢒
Chevrolet
🢒
2009
🢒
Optra - Mexico
🢒
Suspension
🢒
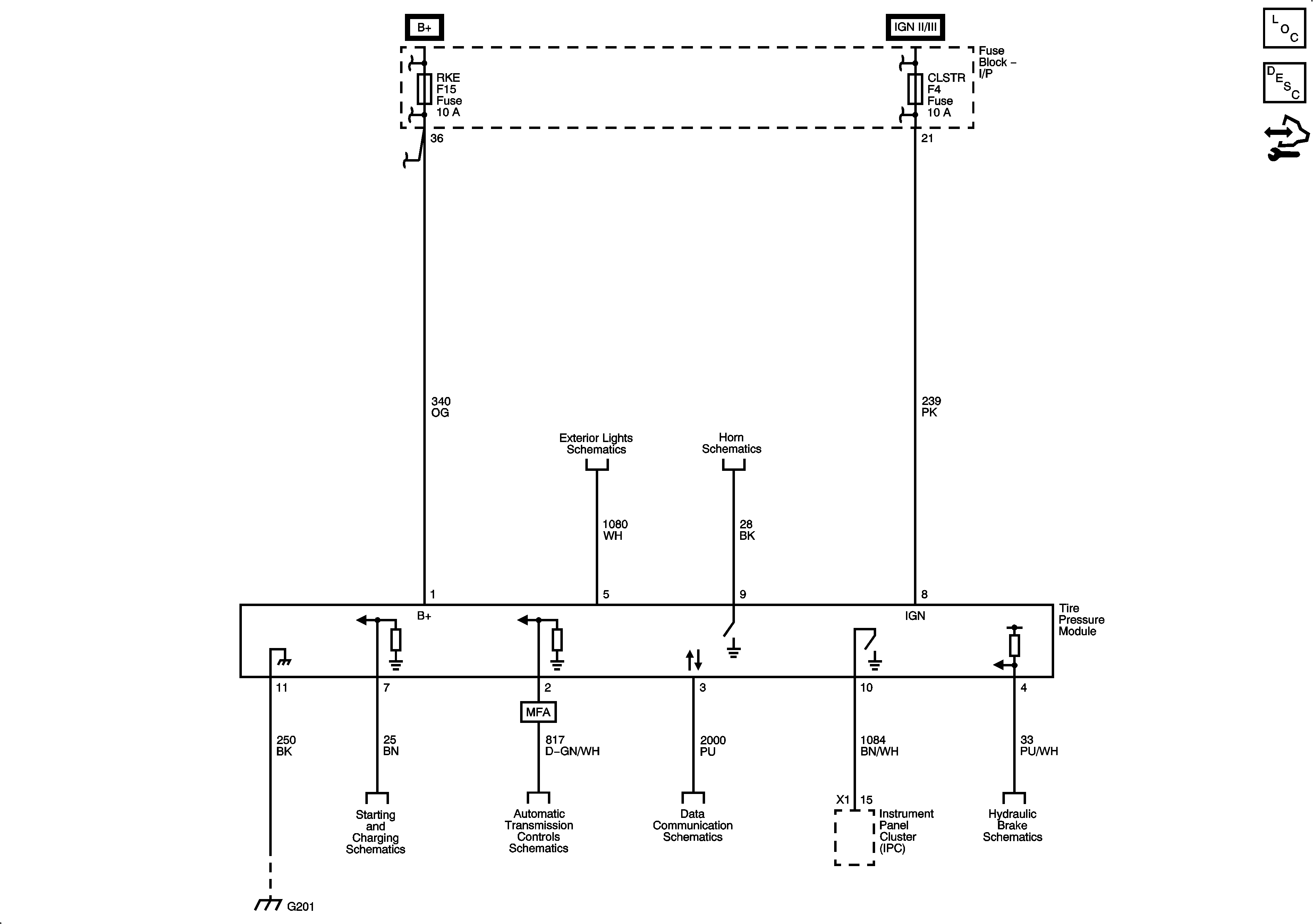
Tire Pressure Monitoring
🢒 Tire Pressure Monitoring System Schematics
Tire Pressure Monitoring System