GM Service Manual Online
For 1990-2009 cars only

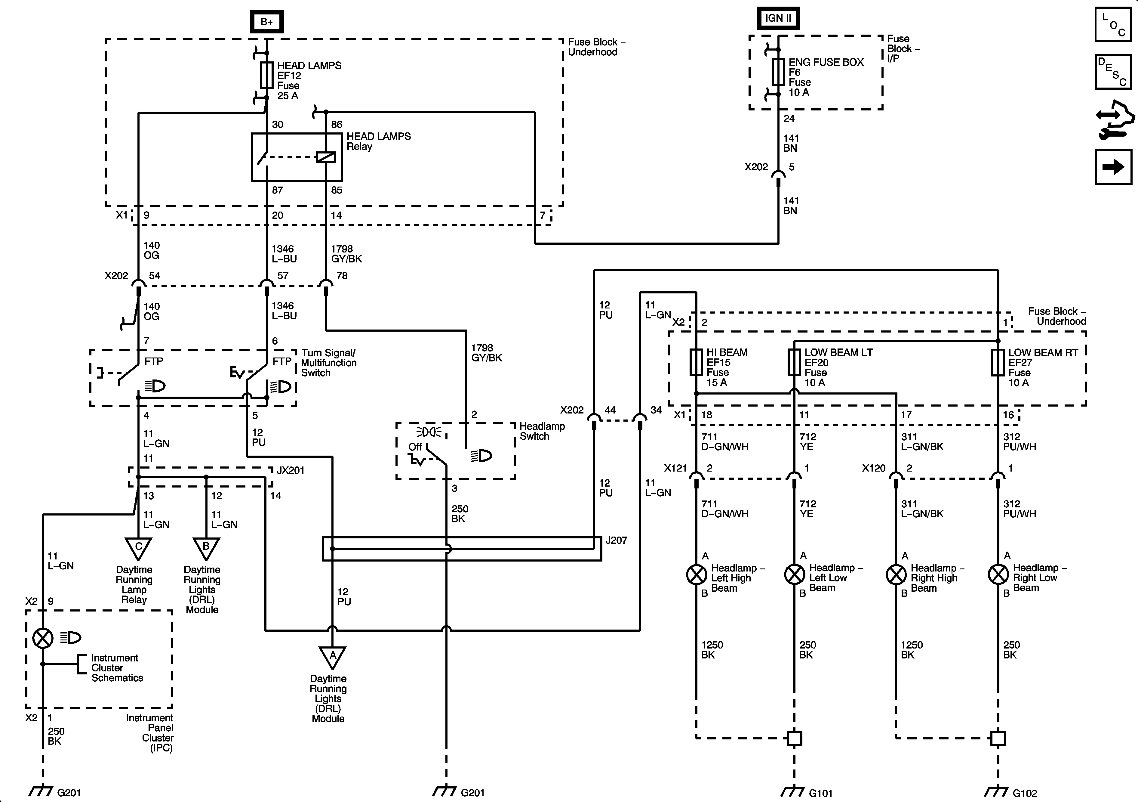
Headlights/Daytime Running Lights (DRL) Schematics Headlights/DRL

Figure 1:

Headlamps - North America


Object Number: 2159229  Size: FS
Figure 2:

Headlamps - LHD Except North America


Object Number: 2159234  Size: FS
Figure 3:

Daytime Running Lamps - North America


Object Number: 2159238  Size: FS
Figure 4:

Daytime Running Lamps - LHD Except North America


Object Number: 2159241  Size: FS

Headlights/Daytime Running Lights (DRL) Schematics Headlights (RHD)

Headlights Schematics (RHD)


Object Number: 2159224  Size: FS

Headlights/Daytime Running Lights (DRL) Schematics Headlight Leveling

Headlight Leveling


Object Number: 2159222  Size: FS