GM Service Manual Online
For 1990-2009 cars only
Makes
🢒
Chevrolet
🢒
2000
🢒
Prizm
🢒
HVAC
🢒
HVAC Systems - Manual
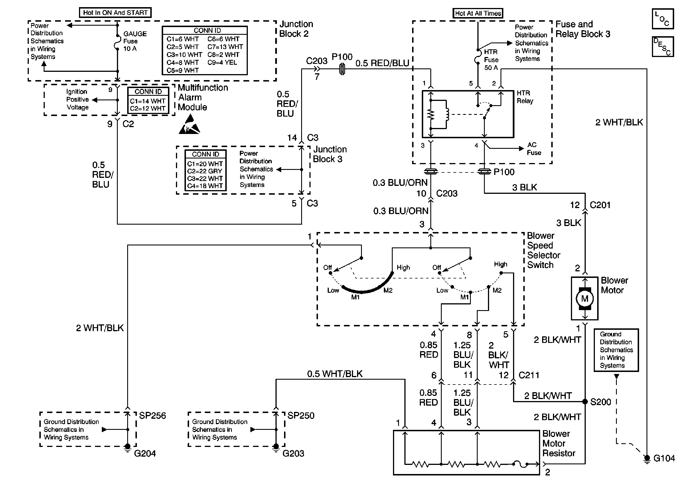
🢒 HVAC Blower Control Schematics
HVAC Components
HVAC Compressor/Condenser Fan Circuit Description
Handling ESD Sensitive Parts Notice
Gauge Fuse
Gauge Fuse
Gauge Fuse
Cell 14: G204 and SP256
Cell 14: G200, G203, SP250 and SP650
Cell 14: Battery, G100, G101, G102, G103, and G104