GM Service Manual Online
For 1990-2009 cars only
Makes
🢒
Chevrolet
🢒
2000
🢒
Prizm
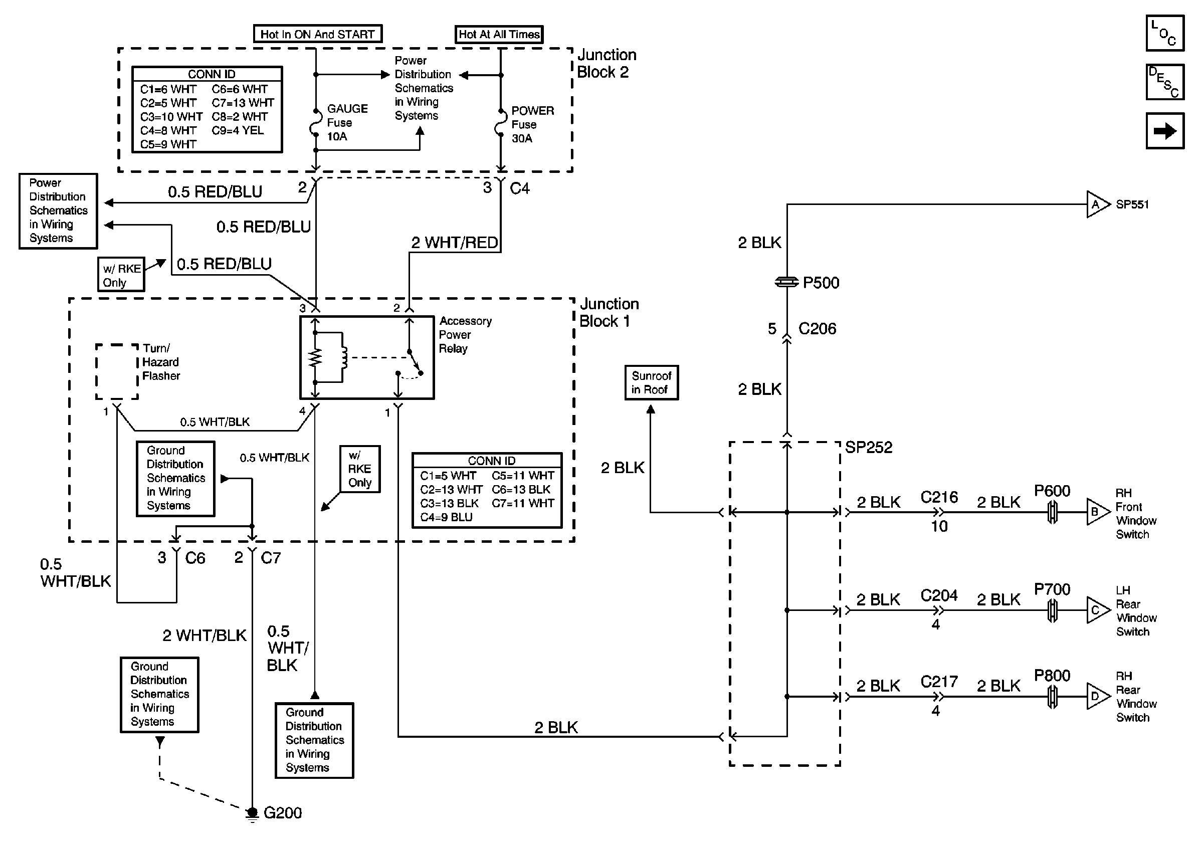
🢒 Cell 120: Accessory Power Relay, GAUGE Fuse, POWER Fuse, and SP252
Cell 120: Accessory Power Relay, GAUGE Fuse, POWER Fuse, and SP252
Cell 120: Accessary Power Relay, GAUGE Fuse, POWER Fuse, and SP252
Cell 120: Window Motors and Window Switches
Power Door Systems Components
Cell 122
Cell 14: G204 and SP256
Cell 14: G204 and SP256
Cell 14: G200, G203, SP250 and SP650
Cell 10: Gauge Fuse
Cell 10: Gauge Fuse