GM Service Manual Online
For 1990-2009 cars only

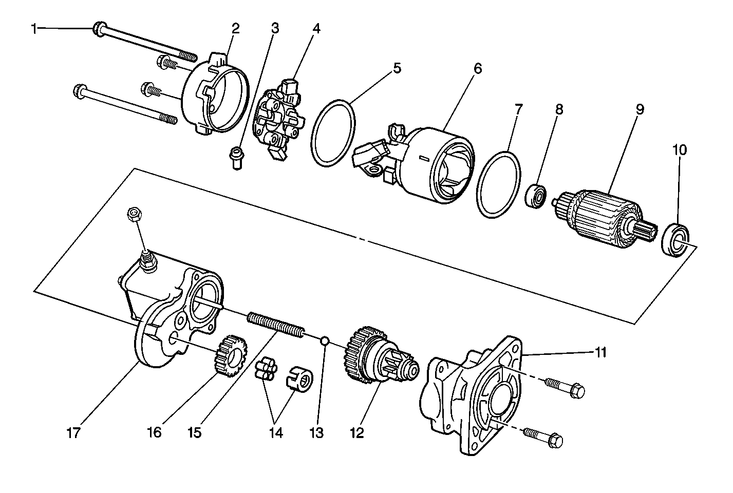
Starter Assembly


Object Number: 325415  Size: MF
(1)Through Bolt
(2)End Cover
(3)Dust Protector
(4)Brush Holder
(5)O-Ring
(6)Field Frame
(7)O-Ring
(8)Rear Bearing
(9)Armature
(10)Front Bearing
(11)Starter Housing
(12)Clutch Assembly
(13)Steel Ball
(14)Idler Gear Bearing
(15)Return Spring
(16)Idler Gear
(17)Solenoid Assembly

Solenoid Assembly


Object Number: 325411  Size: MF
(1)Terminal Nut
(2)Wave Washer
(3)Terminal Insulator
(4)O-Ring
(5)Terminal Insulator
(6)Contact Plate
(7)Terminal Bolt
(8)Terminal C Kit
(9)Terminal 30 Kit
(10)Terminal Nut
(11)Wave Washer
(12)Terminal Insulator
(13)Packing
(14)O-Ring
(15)Insulation Paper
(16)Terminal Insulator
(17)Contact Plate
(18)Terminal Bolt
(19)Terminal Plunger
(20)Gasket
(21)End Cover

The repairable starter motors have pole pieces that are arranged around the armature. Both solenoid windings are energized. The pull-in winding circuit is completed to ground through the starter motor. The windings work together magnetically to pull and hold in the plunger. The plunger moves the shift lever. This action causes the starter drive assembly to rotate on the armature shaft spline as it engages with the flywheel ring gear on the engine. Moving at the same time, the plunger also closes the solenoid switch contacts in the starter solenoid. Full battery voltage is applied directly to the starter motor and it cranks the engine.

As soon as the solenoid switch contacts close, current stops flowing through the pull-in winding because battery voltage is applied to both ends of the windings. The hold-in winding remains energized; its magnetic field is strong enough to hold the plunger, shift lever, starter drive assembly, and solenoid switch contacts in place to continue cranking the engine. When the engine starts, pinion overrun protects the armature from excessive speed until the switch is opened.

When the ignition switch is released from the START position, the START relay opens and battery voltage is removed from the starter solenoid S terminal. Current flows from the motor contacts through both windings to ground at the end of the hold-in winding. However, the direction of the current flow through the pull-in winding is now opposite the direction of the current flow when the winding was first energized.

The magnetic fields of the pull-in and hold-in windings now oppose one another. This action of the windings, along with the help of the return spring, causes the starter drive assembly to disengage and the solenoid switch contacts to open simultaneously. As soon as the contacts open, the starter circuit is turned off.

Circuit Description

Moving the ignition switch to the CRANK position closes the circuit to both the pull-in and hold-in windings. The park/neutral position (PNP) switch or the clutch pedal position (CPP) switch are in series with the starter relay coil, and must be closed, in order for the relay to energize and for voltage reach the starter solenoid S terminal. Moving the ignition switch to the CRANK position also sends a 12 V signal to the PCM.