GM Service Manual Online
For 1990-2009 cars only
Makes
🢒
Chevrolet
🢒
2001
🢒
Prizm
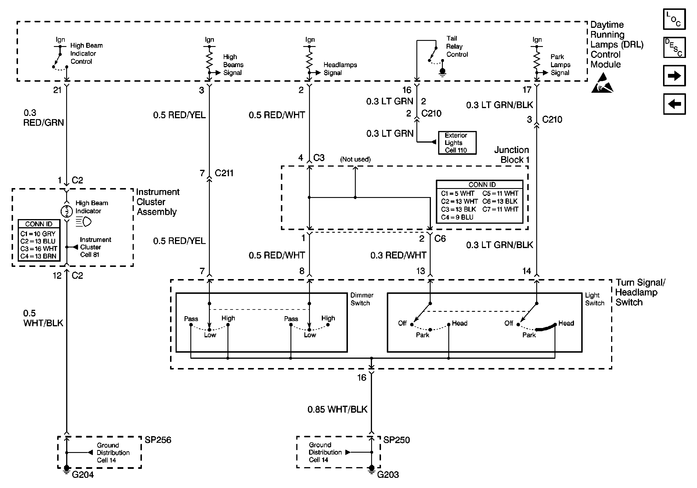
🢒 Cell 102: Light Switch, Dimmer Switch DRL Control Module
Cell 102: Light Switch, Dimmer Switch DRL Control Module
Cell 102: Light Switch, Dimmer Switch DRL Control Module
Lighting Systems Components
Headlights/Daytime Running Lights (DRL) Circuit Description
Cell 102: Dimmer Relay, HEAD Relay, and DRL Relay
Cell 102: Ambient Light Sensor and DRL Control Module
Handling ESD Sensitive Parts Notice
Cell 110: DRL Control Module, Remote Control Door Lock Reciever, Tail, and Light
Cell 81: Turn, High Beam, Defogger, Brake, and Seat Belt Indicator
Cell 14: G200, G203, SP250 and SP650
Cell 14: G204 and SP256