GM Service Manual Online
For 1990-2009 cars only
Makes
🢒
Chevrolet
🢒
2001
🢒
Prizm
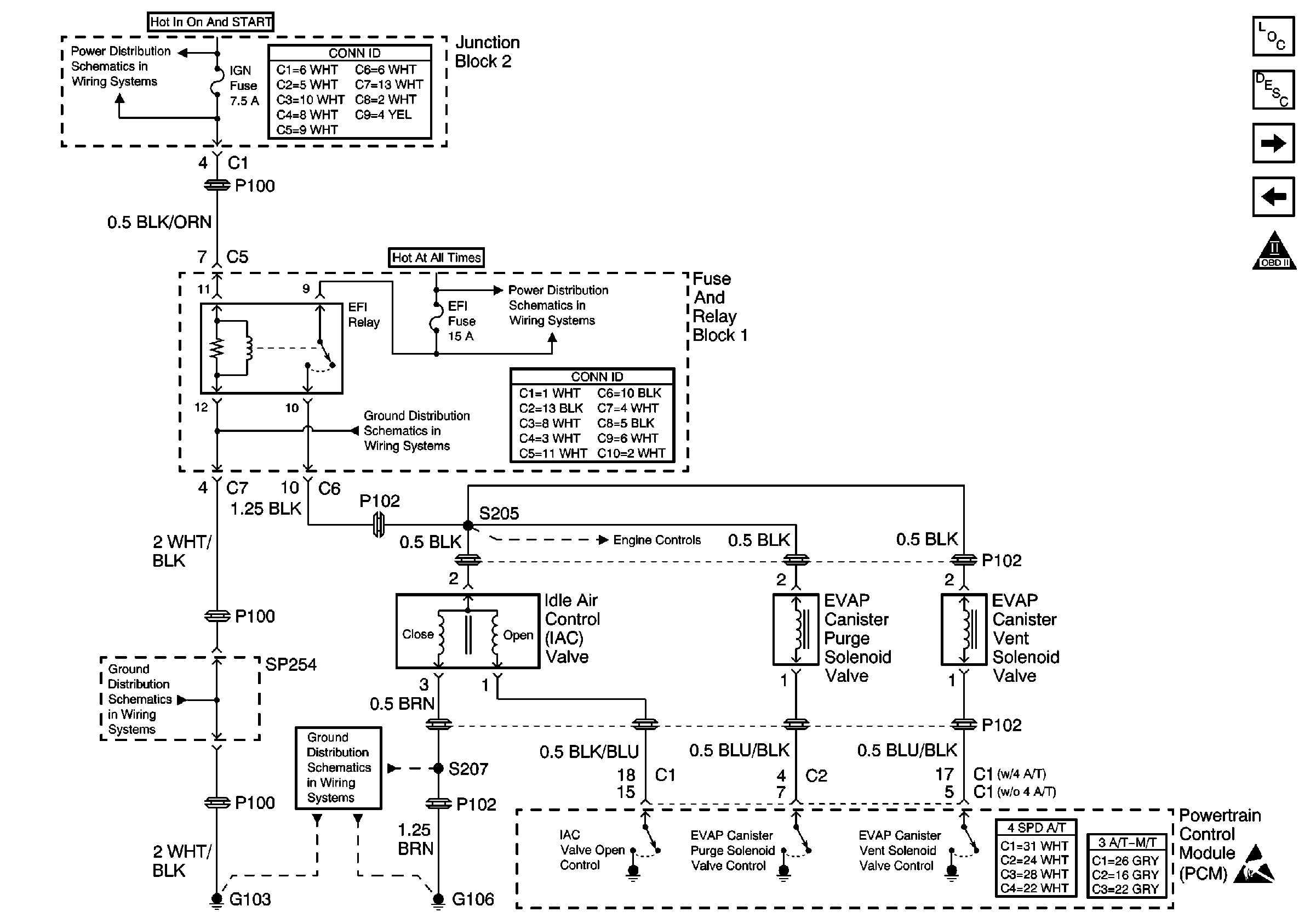
🢒 EVAP Controls, and IAC Valve
EVAP Controls, and IAC Valve
EVAP Controls,and IAC Valve
Engine Controls Components
Idle Up signals
VSS Output
OBD II Symbol Description Notice
Handling ESD Sensitive Parts Notice
Cell 10: Ignition Switch, IGN Fuse, and ST Fuse
Cell 10: Alt-S, AM2, Dome, EFI, Hazard, Horn, and Main Fuses
Cell 14: SP254 and SP261
Cell 14: SP254 and SP261
Cell 14: Battery, G100, G101, G102, G103, and G104