GM Service Manual Online
For 1990-2009 cars only
Makes
🢒
Chevrolet
🢒
2002
🢒
Prizm
🢒
Restraints
🢒
Seat Belts
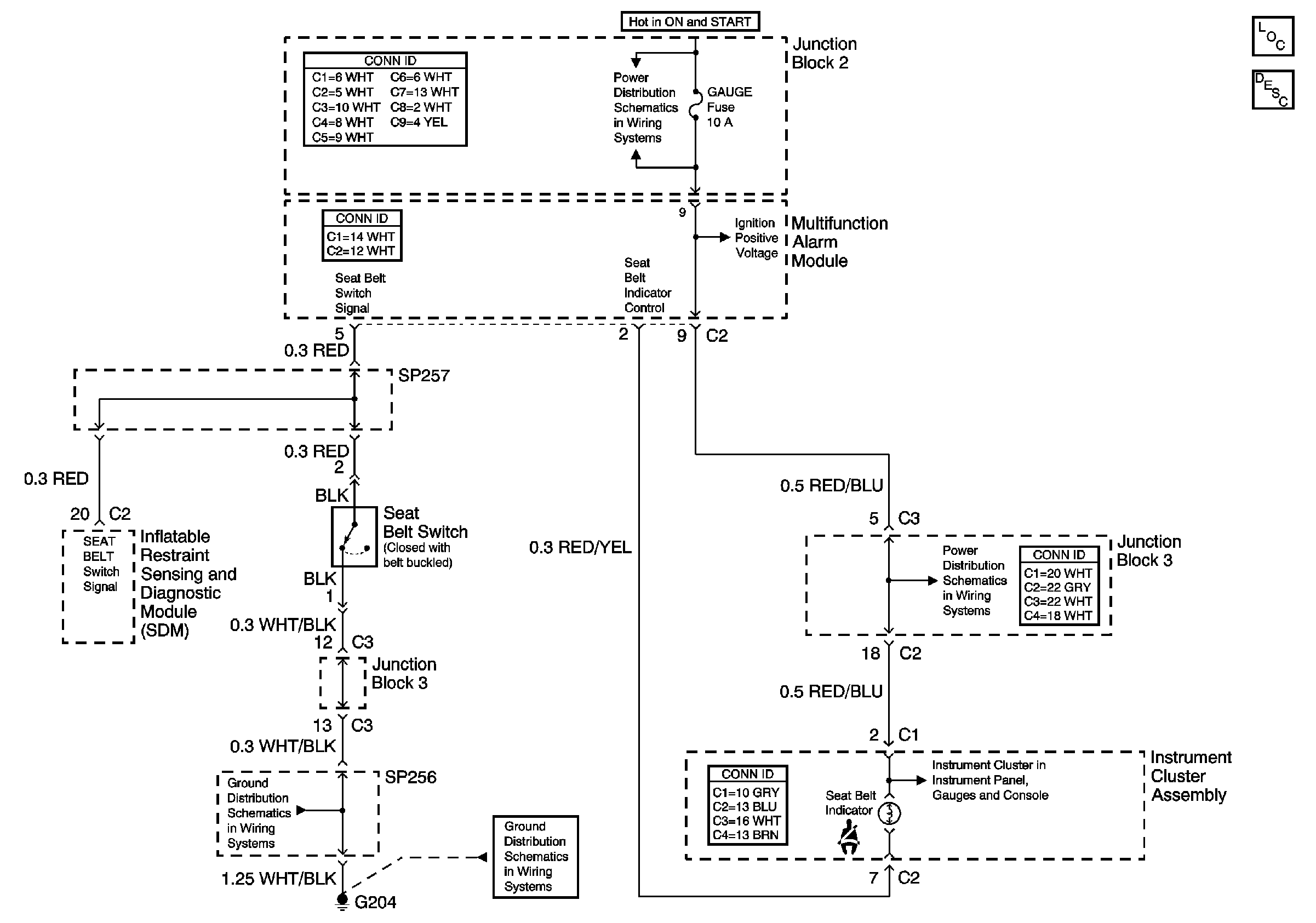
🢒 Seat Belt Schematics
Master Electrical Component List
Seat Belt System Description and Operation
Instrument Cluster Assembly
Gauge Fuse
Gauge Fuse
Gauge Fuse
G300, G301, G400, and SP451
G300, G301, G400, and SP451