GM Service Manual Online
For 1990-2009 cars only
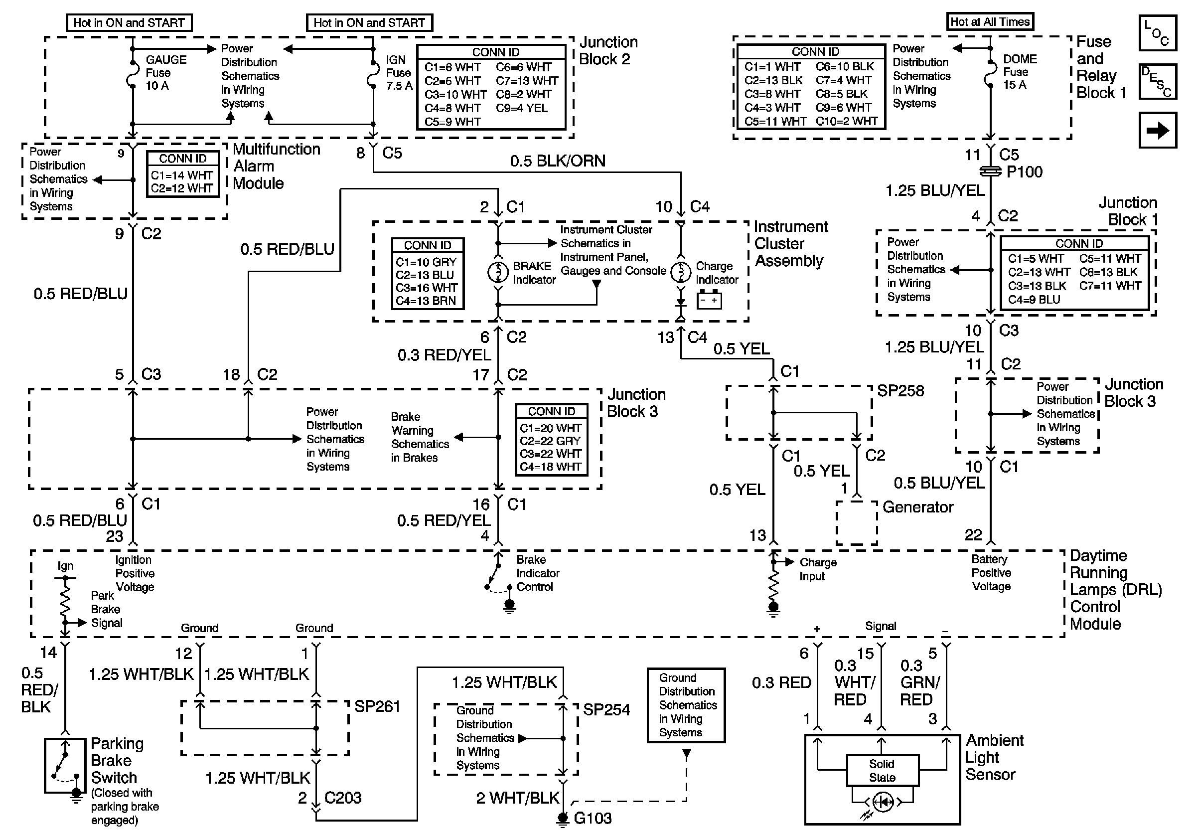
Figure 1:

DRL Control Module and Ambient Light Sensor


Object Number: 787453  Size: FS
Figure 2:

Turn Signal/Headlamp Switch


Object Number: 787477  Size: FS
Figure 3:

LH and RH Headlamp


Object Number: 787485  Size: FS
Figure 4:

Hazard Switch


Object Number: 787514  Size: FS
Figure 5:

Cruise Control Module, Shift Lock Control Module


Object Number: 787544  Size: FS
Figure 6:

PNP Switch and Backup Lamps


Object Number: 787548  Size: FS