GM Service Manual Online
For 1990-2009 cars only

Driver Seat Buckle and Passenger Seat Buckles

Removal Procedure


    Object Number: 68059  Size: SH
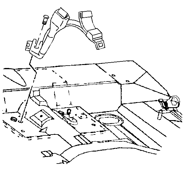
  1. Disconnect the driver-side seat belt buckle electrical connector.

  2. Object Number: 68065  Size: SH
  3. Remove the bolt that retains the driver-side seat belt buckle or buckles to the vehicle.
  4. Remove the driver-side seat belt buckle or buckles from the vehicle.

  5. Object Number: 8048  Size: SH
  6. Remove the bolt that retains the passenger-side seat belt buckle or buckle and belt assembly to the vehicle.
  7. Remove the passenger-side seat belt buckle or buckle and belt assembly from the vehicle.

Installation Procedure


    Object Number: 8048  Size: SH
  1. Install the passenger-side seat belt buckle or buckle and belt assembly to the vehicle.
  2. Install the bolt that retains the passenger-side seat belt buckle or buckle and belt assembly to the vehicle.
  3. Tighten
    Tighten the seat belt buckle or buckle and belt assembly bolt to 70 N·m (52 lb ft).

    Notice: Use the correct fastener in the correct location. Replacement fasteners must be the correct part number for that application. Fasteners requiring replacement or fasteners requiring the use of thread locking compound or sealant are identified in the service procedure. Do not use paints, lubricants, or corrosion inhibitors on fasteners or fastener joint surfaces unless specified. These coatings affect fastener torque and joint clamping force and may damage the fastener. Use the correct tightening sequence and specifications when installing fasteners in order to avoid damage to parts and systems.


    Object Number: 68065  Size: SH
  4. Install the driver-side seat belt buckle or buckles to the vehicle.
  5. Install the bolt that retains the driver-side seat belt buckle or buckles to the vehicle.
  6. Tighten
    Tighten the seat belt buckle or buckles bolt to 70 N·m (52 lb ft).


    Object Number: 68059  Size: SH
  7. Connect the driver-side seat belt buckle electrical connector.