GM Service Manual Online
For 1990-2009 cars only
Figure 1:

Headlamp Switch


Object Number: 1283683  Size: FS
Master Electrical Component List
Interior Lighting Systems Description and Operation
Headlamp Lighted Interior Lamps
B+ Bus Bar
Headlamp Switch, Ambient Light Sensor and BCM
Headlamp Lighted Interior Lamps
G203 and G204 - Pickup
G203 and G204 - Pickup
Headlamp Switch
Front
Figure 2:

Headlamp Switch Lamps Interior


Object Number: 755899  Size: FS
Master Electrical Component List
Interior Lighting Systems Description and Operation
CTSY LP Fuse and Courtesy Lamp Relay
Headlamp Switch
Headlamp Switch
ILLUM, STG WHL ILLUM, and PARK LP Fuses
Outside Rearview Mirror Switch
Front Side Window Motors - 2-Door
G202 - Pickup Except Crew Cab
G202 - Utility and Crew Cab
G205 - Utility and Crew Cab
G205 - Utility and Crew Cab
G203 and G204 - Utility w/Manual A/C
G203 and G204 - Pickup
Figure 3:

CTSY LP Fuse and Courtesy Lamp Relay


Object Number: 886778  Size: FS
Master Electrical Component List
Interior Lighting Systems Description and Operation
Inadvertent Power Relay and Front Door Jamb Switches
Headlamp Switched Interior Lamps
INT BATT, PWR LKS, AMPF, CTSY LP and CIGAR LTR Fuses
Inadvertent Power Relay
G200, G201, G207, and G300- Pickup and Crew Cab
Inadvertent Power Relay and Front Door Jamb Switches
G200, G201, G207, and G300- Pickup and Crew Cab
Inside Rearview Mirror or Driver Information Center
Driver Information Center - Utility w/o Sunroof
Driver Information Display Module - Utility w/ Sunroof
Inside Rearview Mirror or Driver Information Center
Driver Information Center - Utility w/o Sunroof
Driver Information Display Module - Utility w/ Sunroof
Figure 4:

Inadvertent Power Relay and Front Door Jamb Switches


Object Number: 880030  Size: FS
Master Electrical Component List
Interior Lighting Systems Description and Operation
Rear Door Jamb and Liftglass Ajar Jamb Switches
CTSY LP Fuse and Courtesy Lamp Relay
G203 and G204 - Utility w/Manual A/C
G203 and G204 - Utility w/Manual A/C
G203 and G204 - Utility w/Manual A/C
Inside Rearview Mirror or Driver Information Center
Driver Information Center - Utility w/o Sunroof
Driver Information Display Module - Utility w/ Sunroof
CTSY LP Fuse and Courtesy Lamp Relay
CTSY LP Fuse and Courtesy Lamp Relay
Figure 5:

Rear Door Jamb and Liftglass Ajar Jamb Switches


Object Number: 755903  Size: FS
Master Electrical Component List
Interior Lighting Systems Description and Operation
Inside Rearview Mirror or Driver Information Center
Inadvertent Power Relay and Front Door Jamb Switches
Inadvertent Power Relay and Front Door Jamb Switches
G420, G450 and S427 - Utility and Crew Cab
Figure 6:

Inside Rearview Mirror or Driver Information Center


Object Number: 886839  Size: FS
Master Electrical Component List
Interior Lighting Systems Description and Operation
Driver Information Center - Utility w/o Sunroof
Rear Door Jamb and Liftglass Ajar Jamb Switches
CTSY LP Fuse and Courtesy Lamp Relay
CTSY LP Fuse and Courtesy Lamp Relay
Inadvertent Power Relay and Front Door Jamb Switches
Inside Rearview Mirror Schematics
G202 - Pickup Except Crew Cab
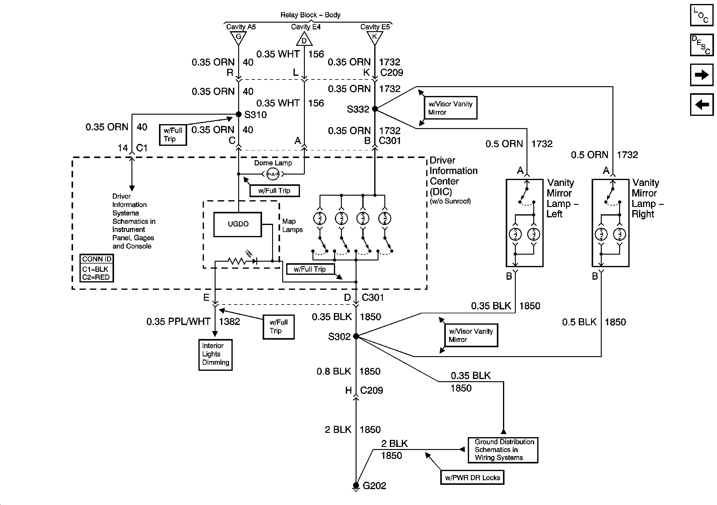
Figure 7:

Driver Information Center (Utility w/o Sunroof)


Object Number: 886841  Size: FS
Master Electrical Component List
Interior Lighting Systems Description and Operation
Driver Information Display Module - Utility w/ Sunroof
Inside Rearview Mirror or Driver Information Center
CTSY LP Fuse and Courtesy Lamp Relay
CTSY LP Fuse and Courtesy Lamp Relay
Inadvertent Power Relay and Front Door Jamb Switches
Power and Ground w/ Trip Computer
LED Dimming Signal
G202 - Utility and Crew Cab
Figure 8:

Driver Information Display Module (Utility w/ Sunroof)


Object Number: 755907  Size: FS
Master Electrical Component List
Interior Lighting Systems Description and Operation
Driver Information Center - Utility w/o Sunroof
CTSY LP Fuse and Courtesy Lamp Relay
CTSY LP Fuse and Courtesy Lamp Relay
Inadvertent Power Relay and Front Door Jamb Switches
Power and Ground w/ Trip Computer
LED Dimming Signal
G202 - Utility and Crew Cab
G202 - Utility and Crew Cab