GM Service Manual Online
For 1990-2009 cars only
Figure 1:

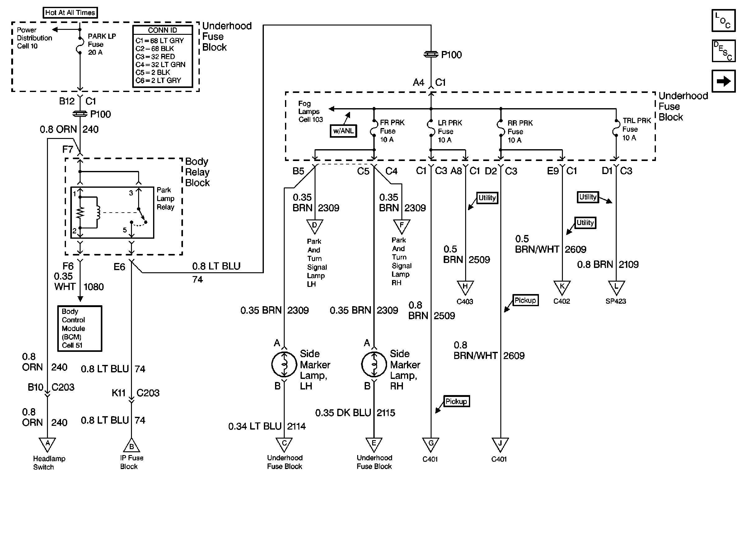
Cell 110: PARK LP Fuse and Park Lamp Relay


Object Number: 391515  Size: FS
Cell 10: ILLUM, PARK LP Fuses
Power and Grounding Connector End Views
Cell 51: Headlamp Switch, Inadvertent Power Relay and Courtesy Lamp Relay
Cell 110: PARK LP Fuse and Headlamp Switch
Cell 110: PARK LP Fuse and Headlamp Switch
Cell 110: Front Park and Turn Signal Lamps
Cell 110: Front Park and Turn Signal Lamps
Cell 110: License and Side Marker Lamps
Cell 110: License and Side Marker Lamps
Cell 110: Park and Turn Signal Lamps (Utility)
Cell 110: Front Park and Turn Signal Lamps
Cell 110: Front Park and Turn Signal Lamps
Cell 110: Park and Turn Signal Lamps (Utility)
Cell 110: License and Side Marker Lamps
Cell 103
Lighting Systems Components
Exterior Lights Circuit Description
Cell 110: STOP LP, HAZ LP Fuses and Turn Signal Switch
Figure 2:

Cell 110: STOP LP, HAZ LP Fuses and Turn Signal Switch


Object Number: 391522  Size: FS
Cell 10: Stop, Turn and Hazard Buss Bar
Power and Grounding Connector End Views
Cell 110: STOP LP Fuse, High Mount Stop Lamp and High Mount Stop Lamp Relay
Cell 10: Stop, Turn and Hazard Buss Bar
Cell 10: Stop, Turn and Hazard Buss Bar
Lighting Systems Components
Exterior Lights Circuit Description
Cell 110: Front Park and Turn Signal Lamps
Cell 110: PARK LP Fuse and Park Lamp Relay
Cell 34: CRUISE Fuse, Multifunction Switch and Cruise Control Module
Cell 110: STOP LP Fuse, High Mount Stop Lamp and High Mount Stop Lamp Relay
Cell 110: STOP LP Fuse, High Mount Stop Lamp and High Mount Stop Lamp Relay
Cell 110: PARK LP Fuse and Headlamp Switch
Cell 110: PARK LP Fuse and Headlamp Switch
Cell 110: Front Park and Turn Signal Lamps
Cell 110: Front Park and Turn Signal Lamps
Cell 110: Turn Signal Lamp Flasher
Cell 110: Turn Signal Lamp Flasher
Cell 110: Turn Signal Lamp Flasher
Figure 3:

Cell 110: Front Park and Turn Signal Lamps


Object Number: 391527  Size: FS
Power and Grounding Connector End Views
Cell 110: PARK LP Fuse and Headlamp Switch
Cell 110: PARK LP Fuse and Headlamp Switch
Cell 110: STOP LP, HAZ LP Fuses and Turn Signal Switch
Cell 110: STOP LP, HAZ LP Fuses and Turn Signal Switch
Cell 110: PARK LP Fuse and Park Lamp Relay
Cell 110: PARK LP Fuse and Park Lamp Relay
Cell 110: PARK LP Fuse and Park Lamp Relay
Cell 110: PARK LP Fuse and Park Lamp Relay
Cell 14: G109, G111, G112 and G113
Cell 14: G109, G111, G112 and G113
Cell 110: Park and Turn Signal Lamps (Utility)
Cell 110: Park and Turn Signal Lamps (Pickup)
Cell 110: Park and Turn Signal Lamps (Utility)
Cell 110: Park and Turn Signal Lamps (Pickup)
Lighting Systems Components
Exterior Lights Circuit Description
Cell 110: Turn Signal Lamp Flasher
Cell 110: STOP LP, HAZ LP Fuses and Turn Signal Switch
Figure 4:

Cell 110: Turn Signal Lamp Flasher


Object Number: 391529  Size: FS
Cell 110: STOP LP, HAZ LP Fuses and Turn Signal Switch
Cell 110: STOP LP, HAZ LP Fuses and Turn Signal Switch
Cell 110: STOP LP, HAZ LP Fuses and Turn Signal Switch
Cell 38: Transfer Case Encoder Motor
Lighting Systems Components
Exterior Lights Circuit Description
Cell 110: PARK LP Fuse and Headlamp Switch
Cell 110: Front Park and Turn Signal Lamps
Cell 14: G205 and G206 (Utility)
Figure 5:

Cell 110: PARK LP Fuse and Headlamp Switch


Object Number: 391533  Size: FS
Cell 110: PARK LP Fuse and Park Lamp Relay
Cell 110: PARK LP Fuse and Park Lamp Relay
Cell 10: ILLUM, PARK LP Fuses
Cell 110: Front Park and Turn Signal Lamps
Cell 110: STOP LP, HAZ LP Fuses and Turn Signal Switch
Cell 110: Front Park and Turn Signal Lamps
Cell 110: STOP LP, HAZ LP Fuses and Turn Signal Switch
Lighting Systems Components
Exterior Lights Circuit Description
Cell 110: STOP LP Fuse, High Mount Stop Lamp and High Mount Stop Lamp Relay
Cell 110: Turn Signal Lamp Flasher
Cell 117: Headlamp Switch
Cell 51: Door Handle Switches and Door Lock Cylinder Switches
Power Door Systems Connector End Views
Power Door Systems Connector End Views
Body Control System Connector End Views
Figure 6:

Cell 110: STOP LP Fuse, High Mount Stop Lamp and High Mount Stop Lamp Relay


Object Number: 391536  Size: FS
Cell 110: STOP LP, HAZ LP Fuses and Turn Signal Switch
Cell 110: STOP LP, HAZ LP Fuses and Turn Signal Switch
Power and Grounding Connector End Views
Cell 10: Stop, Turn and Hazard Buss Bar
Lighting Systems Components
Exterior Lights Circuit Description
Cell 110: License and Side Marker Lamps
Cell 110: PARK LP Fuse and Headlamp Switch
Cell 14: G102 (Except Envoy)
Cell 110: STOP LP, HAZ LP Fuses and Turn Signal Switch
Cell 14: G202 (Pickup)
Cell 14: G420 and G450 (Utility w/ Endgate)
Figure 7:

Cell 110: License and Side Marker Lamps


Object Number: 391541  Size: FS
Cell 110: PARK LP Fuse and Park Lamp Relay
Cell 110: Park and Turn Signal Lamps (Pickup)
Cell 110: PARK LP Fuse and Park Lamp Relay
Cell 110: PARK LP Fuse and Park Lamp Relay
Cell 110: Park and Turn Signal Lamps (Pickup)
Lighting Systems Components
Exterior Lights Circuit Description
Cell 110: Park and Turn Signal Lamps (Utility)
Cell 110: STOP LP Fuse, High Mount Stop Lamp and High Mount Stop Lamp Relay
Cell 21: Fuel Level Sensor
Cell 14: G402, G422 and G475 (Fleetside Pickup)
Cell 14: G402, G422 and G475 (Fleetside Pickup)
Figure 8:

Cell 110: Park and Turn Signal Lamps (Utility)


Object Number: 391548  Size: FS
Cell 110: PARK LP Fuse and Park Lamp Relay
Cell 110: Front Park and Turn Signal Lamps
Cell 110: PARK LP Fuse and Park Lamp Relay
Cell 110: Front Park and Turn Signal Lamps
Lighting Systems Components
Exterior Lights Circuit Description
Cell 110: Park and Turn Signal Lamps (Pickup)
Cell 110: License and Side Marker Lamps
Cell 112 (Pickup)
Cell 112 (Pickup)
Cell 14: G420 and G450 (Utility w/ Endgate)
Figure 9:

Cell 110: Park and Turn Signal Lamps (Pickup)


Object Number: 391550  Size: FS
Cell 110: License and Side Marker Lamps
Cell 110: Front Park and Turn Signal Lamps
Cell 110: License and Side Marker Lamps
Cell 110: Front Park and Turn Signal Lamps
Cell 112 (Pickup)
Cell 112 (Pickup)
Cell 14: G402, G422 and G475 (Fleetside Pickup)
Cell 14: G402, G422 and G475 (Fleetside Pickup)
Lighting Systems Components
Exterior Lights Circuit Description
Cell 110: Park and Turn Signal Lamps (Utility)