GM Service Manual Online
For 1990-2009 cars only
Makes
🢒
Chevrolet
🢒
1999
🢒
S10 Pickup - 4WD
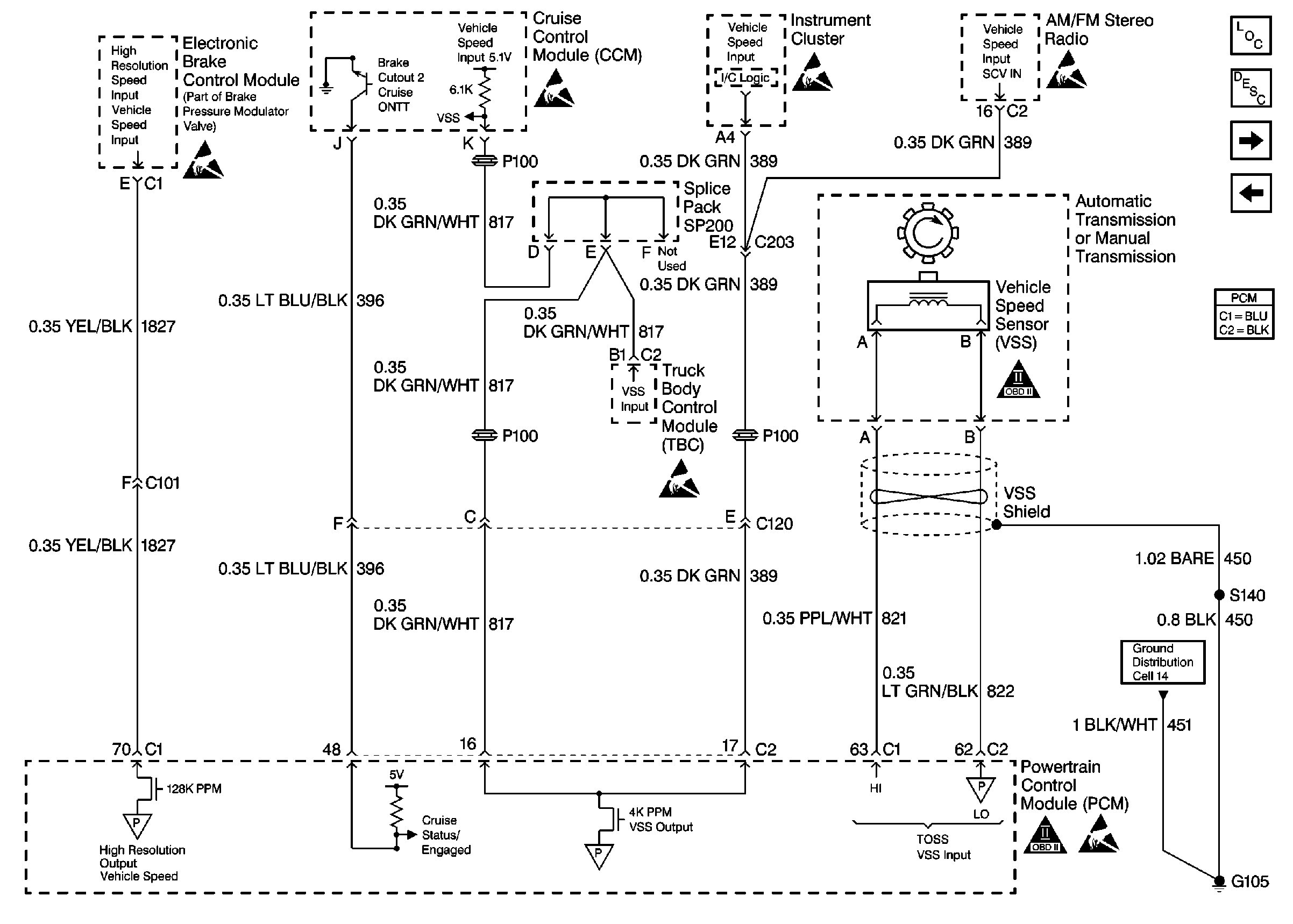
🢒 Vehicle Speed Sensor W/ Cruise Control
Vehicle Speed Sensor W/ Cruise Control
Vehicle Speed Sensor W/ Cruise Control
Engine Controls Components
Powertrain Control Module Description
A/C Compressor Controls
Vehicle Speed Sensor W/O Cruise Control
Handling Electrostatic Discharge Sensitive Parts Notice
Handling Electrostatic Discharge Sensitive Parts Notice
Handling Electrostatic Discharge Sensitive Parts Notice
Handling Electrostatic Discharge Sensitive Parts Notice
Handling Electrostatic Discharge Sensitive Parts Notice
OBD II Symbol Description Notice
OBD II Symbol Description Notice
Handling Electrostatic Discharge Sensitive Parts Notice