GM Service Manual Online
For 1990-2009 cars only
Makes
🢒
Chevrolet
🢒
1999
🢒
S10 Pickup - 4WD
🢒 Cell 19 (Envoy Only)
Cell 19 (Envoy Only)
Cell 19 (Envoy Only)
Power and Grounding Components
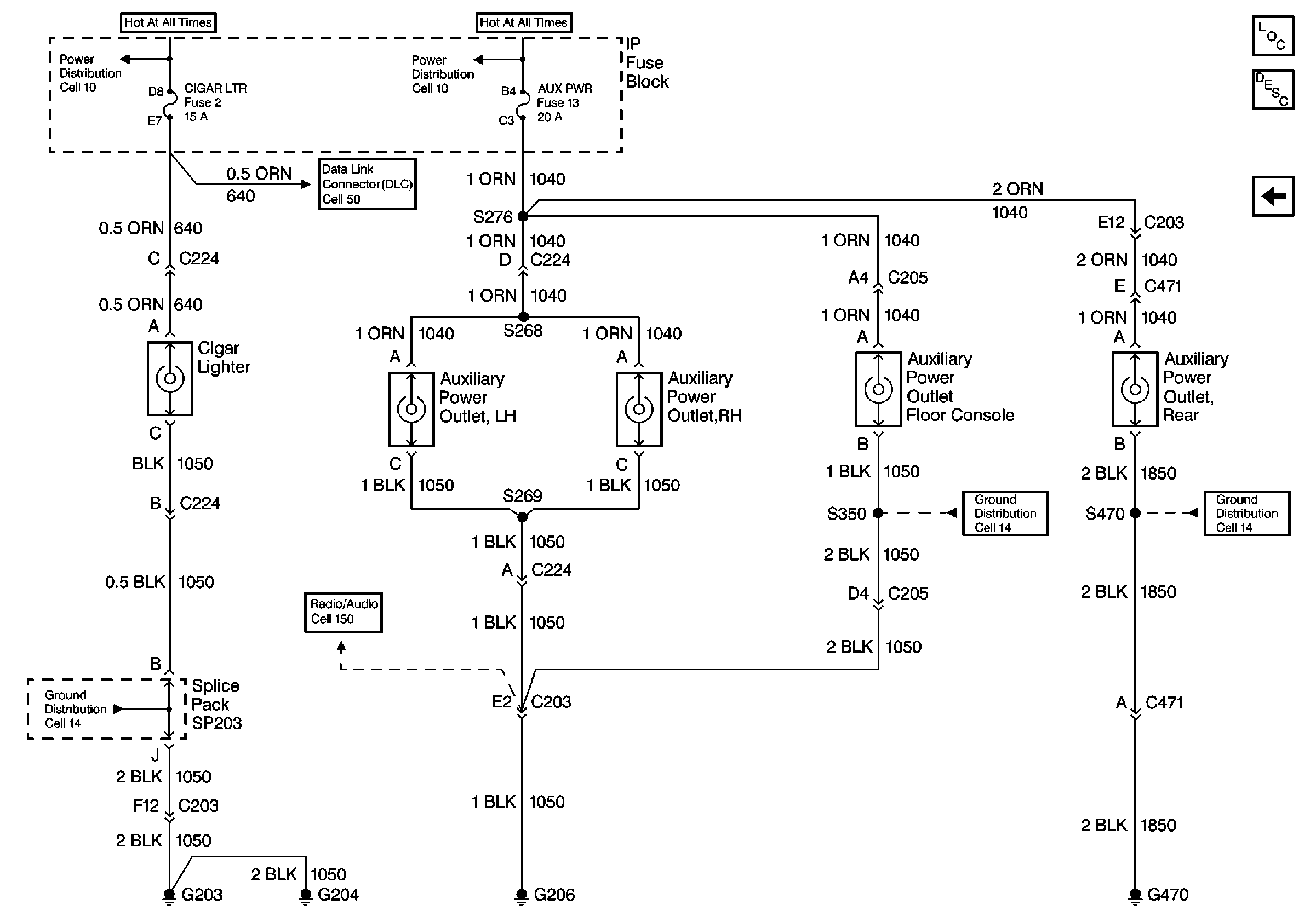
Cigar Lighter/Auxiliary Outlet Circuit Description
Cell 19 (Except Envoy)
Cell 10: INT BATT Fuse
Cell 10: AUX PWR, RDO BATT and HDLP SW Fuses
Cell 50: Power, Ground, SDM and VIU
Cell 150: Amplifier Power and Ground (Chevy/GMC)
Cell 14: G203 and G204 (Envoy)
Cell 14: G206 (Except Base Pickup)
Cell 14: G470 (Envoy)