GM Service Manual Online
For 1990-2009 cars only
Makes
🢒
Chevrolet
🢒
1999
🢒
S10 Pickup - 4WD
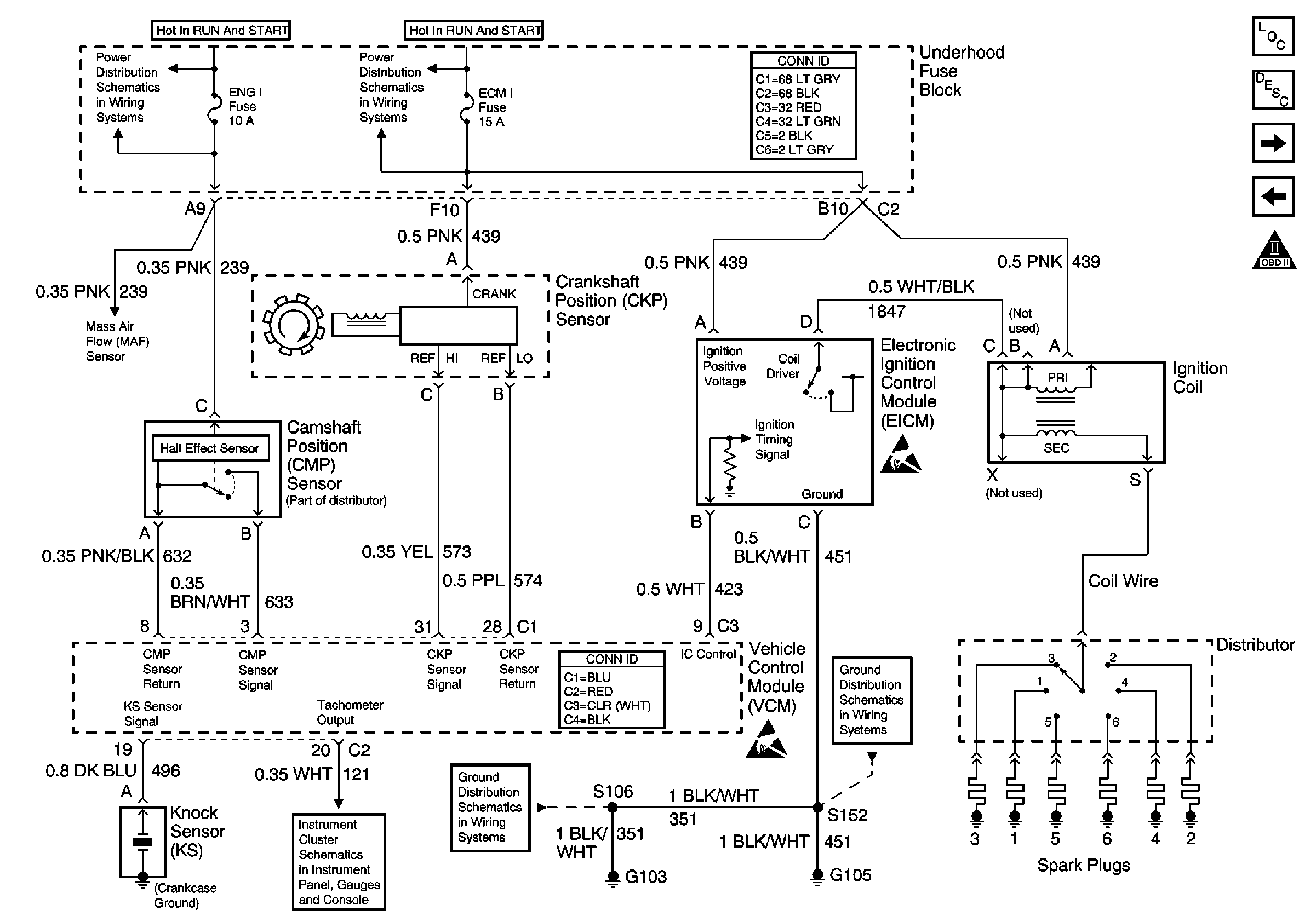
🢒 Ignition Controls
Ignition Controls
Ignition Controls
Engine Controls Components
Enhanced Ignition System Description
Fuel Pump and Sender
Vehicle Speed Sensor (VSS)
OBD II Symbol Description Notice
IGN C, IGN A Fuses and Ignition and Start Switch
IGN C, IGN A Fuses and Ignition and Start Switch
Power and Grounding Connector End Views
MAF Sensor and IAC Valve
Handling ESD Sensitive Parts Notice
Data Link Connector (DLC), PCM/VCM, Engine Oil Pressure Gauge Sensor
G103 and G105 (2.2L)
VCM Connector End Views
Handling ESD Sensitive Parts Notice
G103 and G105 (2.2L)