GM Service Manual Online
For 1990-2009 cars only
Makes
🢒
Chevrolet
🢒
2004
🢒
SSR
🢒
Accessories
🢒
Keyless Entry
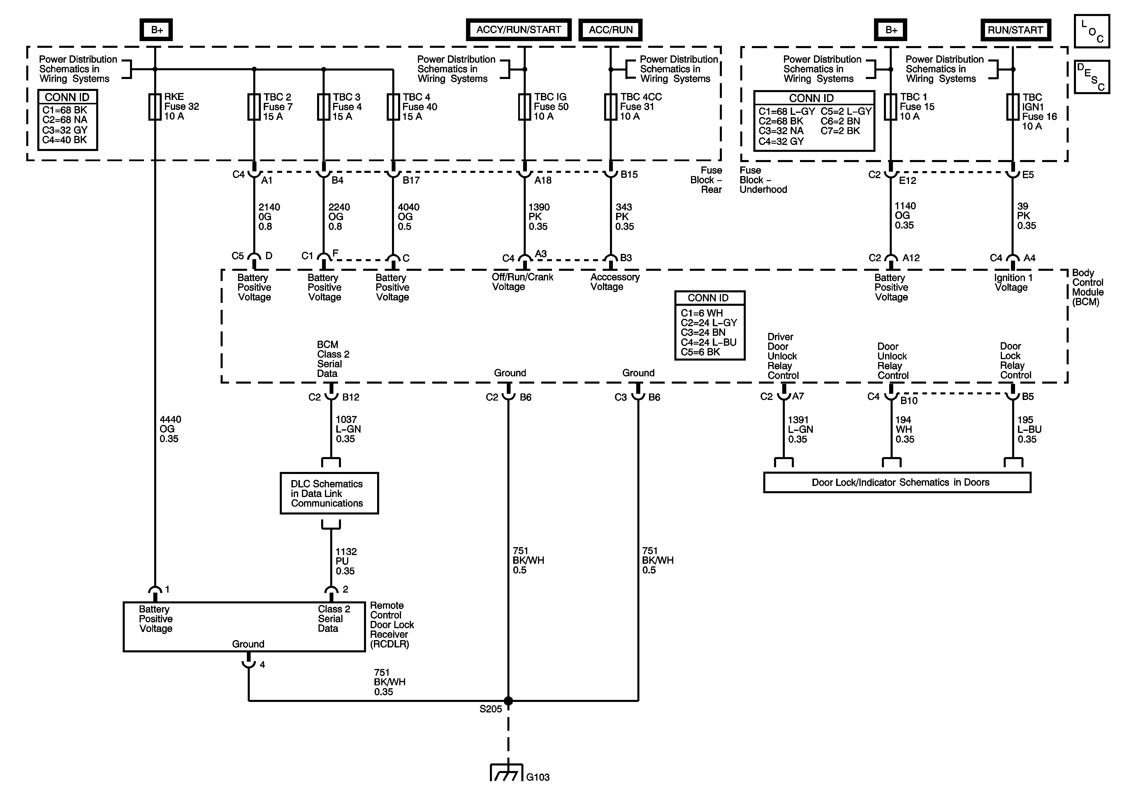
🢒 Keyless Entry Schematics
Master Electrical Component List
Keyless Entry System Description and Operation
B+ Bus - Fuse Block Rear
ACCY/RUN/START, RUN and START Bus Bars
ACCY/RUN and RUN/START Bus Bar
B+ Bus - Fuse Block Underhood
ACCY/RUN and RUN/START Bus Bar
Data Link Connector
Power Door Locks
G103, G104