GM Service Manual Online
For 1990-2009 cars only
Makes
🢒
Chevrolet
🢒
2004
🢒
SSR
🢒 Power Windows
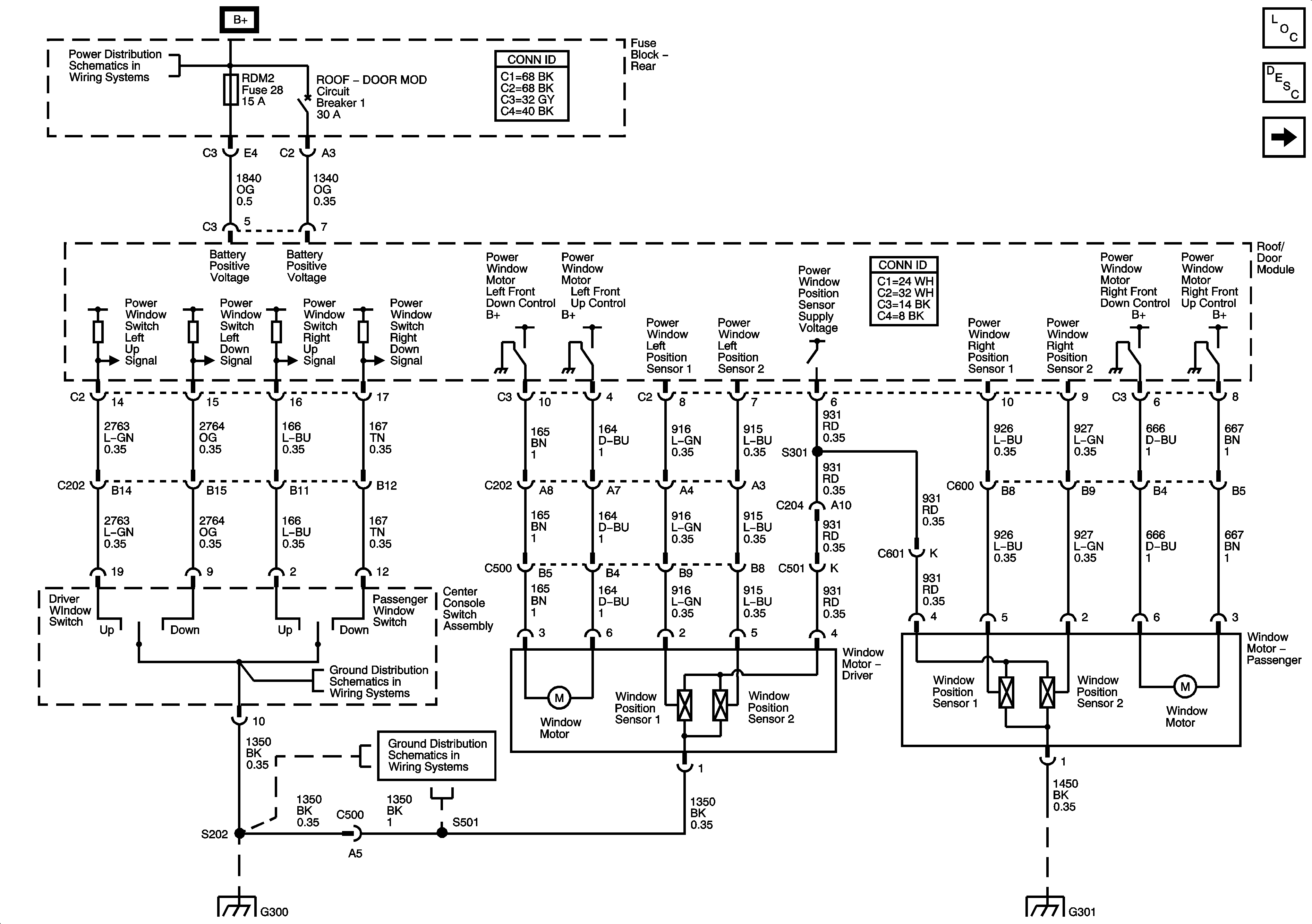
Power Windows
Power Windows
Master Electrical Component List
Power Windows Description and Operation
Window Indexing and Ajar Switch Signals
B+ Bus - Fuse Block Rear
G300
G300
G300
G301, G302