GM Service Manual Online
For 1990-2009 cars only

Removal Procedure

    Caution: Refer to Battery Disconnect Caution in the Preface section.


    Object Number: 211621  Size: SH
  1. Disconnect the negative battery cable.
  2. Raise the vehicle. Refer to Lifting and Jacking the Vehicle in General Information.
  3. Remove the starter. Refer to Starter Motor Replacement in Engine Electrical.

  4. Object Number: 56592  Size: SH
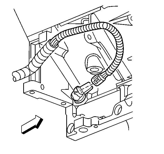
  5. Disconnect the crankshaft position (CKP) sensor electrical connector.

  6. Object Number: 55322  Size: SH
  7. Clean the area around the CKP sensor before removal in order to avoid debris from entering the engine.
  8. Remove the CKP sensor retaining fastener.
  9. Remove the CKP sensor.

Installation Procedure

  1. Install the CKP sensor.
  2. Notice: Refer to Fastener Notice in the Preface section.


    Object Number: 55322  Size: SH
  3. Install the CKP sensor retaining fastener.
  4. Tighten
    Tighten the fastener to 25 N·m (18 lb ft).


    Object Number: 56592  Size: SH
  5. Connect the CKP sensor electrical connector.

  6. Object Number: 211621  Size: SH
  7. Install the starter. Refer to Starter Motor Replacement in Engine Electrical.
  8. Lower the vehicle.
  9. Connect the negative battery cable.
  10. Perform the CKP system variation learn procedure. Refer to Crankshaft Position System Variation Learn .