GM Service Manual Online
For 1990-2009 cars only
Figure 1:

Module Power, Ground, Serial Data and MIL


Object Number: 1458544  Size: FS
Master Electrical Component List
Engine Control Module Description
Control Module References
Engine Data Sensors-5-Volt and Low Referenc
OBD II Symbol Description Notice
B+ Bus Underhood Fuse Block
Ignition Switch - ACCY/RUN and RUN/START Bus Bar and IGN B Fuse
BCK/UP REV LK OUT, BTSI, and IGN E Fuses
Ignition Switch - ACCY/RUN/START,RUN and START Bus Bars, CRNK and IGN A Fuses
IGN0, TBC IG, TBC 4CC, FT WPR Fuses
BCK/UP REV LK OUT, BTSI, and IGN E Fuses
Power, Ground, Serial Data and MIL
IGN0, TBC IG, TBC 4CC, FT WPR Fuses
AIRBAG, ECM 1/TCM, TCB IGN 1, and TRANS Fuses
Data Link Connector Schematics
G101
Figure 2:

Engine Data Sensors - 5-Volt and Low Reference


Object Number: 1458548  Size: FS
Master Electrical Component List
Engine Control Module Description
Control Module References
Engine Data Sensors - MAF, Pressure, Temperature
Module Power, Ground, Serial Data and MIL
OBD II Symbol Description Notice
Figure 3:

Engine Data Sensors - Pressure, Temperature and VSS


Object Number: 1458550  Size: FS
Master Electrical Component List
Engine Control Module Description
Control Module References
Engine Data Sensors - Oxygen Sensors
Engine Data Sensors-5-Volt and Low Referenc
OBD II Symbol Description Notice
Module Power, Ground, Serial Data and MIL
ECM 2, ENG 1, INJ A, INJ B, O2A, and O2B Fuses
Gages and Engine Oil Pressure (EOP)
G101
Figure 4:

Engine Data Sensors - Oxygen Sensors


Object Number: 1458552  Size: FS
Master Electrical Component List
Engine Control Module Description
Control Module References
Engine Data Sensors - Throttle Actuator Controls
Engine Data Sensors - MAF, Pressure, Temperature
OBD II Symbol Description Notice
Module Power, Ground, Serial Data and MIL
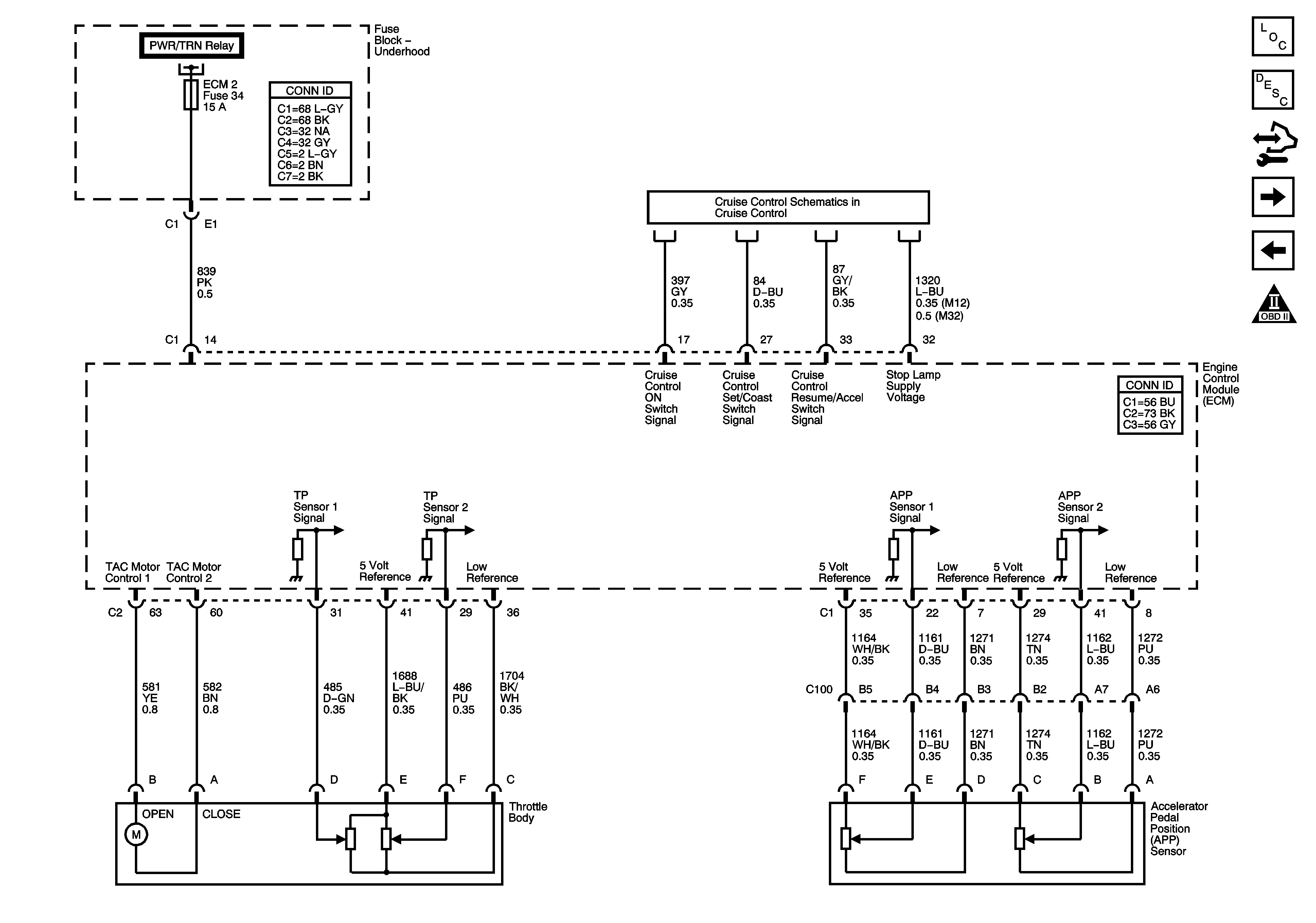
Figure 5:

Engine Data Sensors - Throttle Actuator Controls


Object Number: 1458554  Size: FS
Master Electrical Component List
Engine Control Module Description
Control Module References
Igintion Controls - Ignition System Coils 1, 3, 5, 7
Engine Data Sensors - Oxygen Sensors
OBD II Symbol Description Notice
Module Power, Ground, Serial Data and MIL
Power, Ground, TAC Module, APP Sensor and Throttle Body
Figure 6:

Ignition Controls - Ignition System Coils 1, 3, 5, 7


Object Number: 1458556  Size: FS
Master Electrical Component List
Engine Control Module Description
Control Module References
Ignition Controls - Ignition Systems Coils 2, 4, 6, 8
Engine Data Sensors - Throttle Actuator Controls
OBD II Symbol Description Notice
Module Power, Ground, Serial Data and MIL
ECM 2, ENG 1, INJ A, INJ B, O2A, and O2B Fuses
G100, G102
Figure 7:

Ignition Controls - Ignition System Coils 2, 4, 6, 8


Object Number: 1458558  Size: FS
Master Electrical Component List
Engine Control Module Description
Control Module References
Ignition Controls - Sensors
Igintion Controls - Ignition System Coils 1, 3, 5, 7
OBD II Symbol Description Notice
Module Power, Ground, Serial Data and MIL
ECM 2, ENG 1, INJ A, INJ B, O2A, and O2B Fuses
G100, G102
Figure 8:

Ignition Controls - Sensors


Object Number: 1458560  Size: FS
Master Electrical Component List
Engine Control Module Description
Control Module References
Fuel Controls - Fuel Pump Controls and Fuel Injectors
Ignition Controls - Ignition Systems Coils 2, 4, 6, 8
OBD II Symbol Description Notice
Figure 9:

Fuel Controls - Fuel Pump Controls and Fuel Injectors


Object Number: 1458562  Size: FS
Master Electrical Component List
Engine Control Module Description
Control Module References
Fuel Controls - EVAP Controls
Ignition Controls - Sensors
OBD II Symbol Description Notice
Module Power, Ground, Serial Data and MIL
B+ Bus Underhood Fuse Block
G100, G102
ECM 2, ENG 1, INJ A, INJ B, O2A, and O2B Fuses
Fuel Gage
Figure 10:

Fuel Controls - EVAP Controls


Object Number: 1458565  Size: FS
Master Electrical Component List
Engine Control Module Description
Control Module References
Transmission Control References
Fuel Controls - Fuel Pump Controls and Fuel Injectors
OBD II Symbol Description Notice
B+ Bus Underhood Fuse Block
ECM 2, ENG 1, INJ A, INJ B, O2A, and O2B Fuses
COILS, ECM, FLASHER, HDM, HI HDLP LT, HI HDLP RT, IPC DIC, LOW HDLP LT, LOW HDLP RT, TBC 1, and TCM/CNSTR Fuses
ECM 2, ENG 1, INJ A, INJ B, O2A, and O2B Fuses
Fuel Gage
Figure 11:

Controlled/Monitored Subsystem References


Object Number: 1458568  Size: FS
Master Electrical Component List
Engine Control Module Description
Control Module References
Transmission Control References - A/T
Fuel Controls - EVAP Controls
OBD II Symbol Description Notice
Gages and Engine Oil Pressure (EOP)
A/C Compressor Control
Engine Electrical - Charging System
Engine Electrical - Starting System
Starting System (M12)
Power, Ground, and Electronic Brake Control Module
Stop Lamp Switch, EBCM and PCM
Power, Ground, and Electronic Brake Control Module
Engine Cooling
Figure 12:

Transmission Control Reference - A/T


Object Number: 1458569  Size: FS
Master Electrical Component List
Engine Control Module Description
Control Module References
Transmission Control References
OBD II Symbol Description Notice
Manual Transmission Schematics
Park/Neutral Position (PNP) Switch and VSS Sensor