GM Service Manual Online
For 1990-2009 cars only
Makes
🢒
Chevrolet
🢒
2006
🢒
SSR
🢒
Accessories
🢒
Keyless Entry
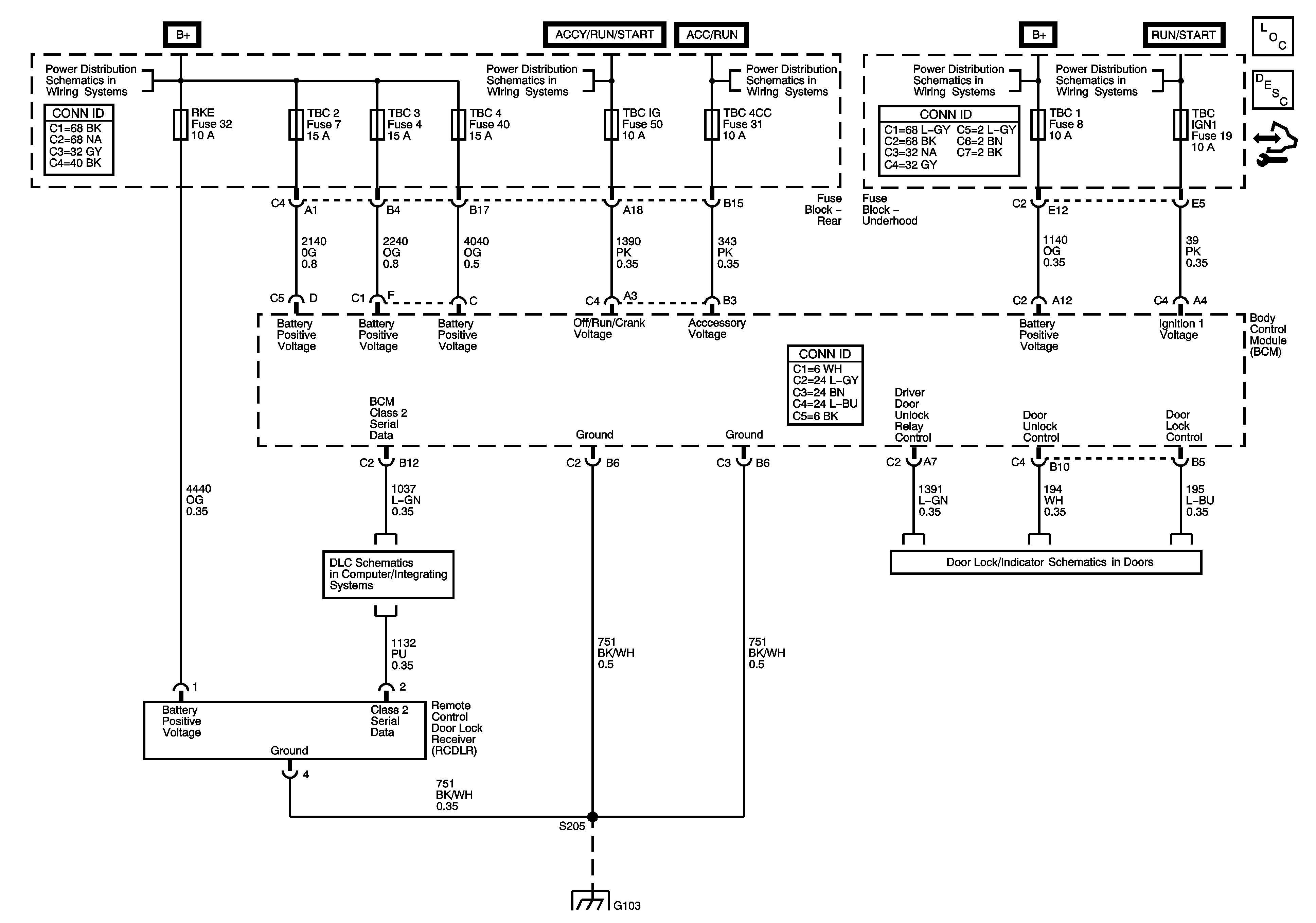
🢒 Keyless Entry Schematics
Master Electrical Component List
Keyless Entry System Description and Operation
Control Module References
B+ Bus - Rear Fuse Block
Ignition Switch - ACCY/RUN/START,RUN and START Bus Bars, CRNK and IGN A Fuses
Ignition Switch - ACCY/RUN and RUN/START Bus Bar and IGN B Fuse
B+ Bus Underhood Fuse Block
Ignition Switch - ACCY/RUN and RUN/START Bus Bar and IGN B Fuse
Data Link Connector Schematics
Power Door Locks
G103, G104