GM Service Manual Online
For 1990-2009 cars only

Removal Procedure

  1. Disconnect the energy storage box before servicing the vehicle. Refer to Hybrid Battery Service Disconnect/Connect .
  2. Remove the coolant surge tank to gain access to the electrical connectors. Refer to Radiator Surge Tank Replacement .

  3. Object Number: 1430007  Size: SH
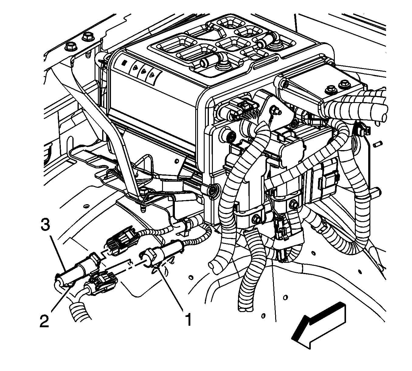
  4. Disconnect the electrical connectors (2) from the harness.

  5. Object Number: 1430004  Size: SH
  6. Remove the bolt retaining the wiring harness bracket (3) from the engine block.
  7. Remove the electrical wiring harness clip (4) from the bracket.

  8. Object Number: 1237574  Size: SH
  9. Disconnect the electrical connector (3) from the power steering pump (4) by pressing downward on the rear of the locking tab and pulling the connector outward.
  10. Remove the power steering pump wiring harness from the vehicle.

Installation Procedure


    Object Number: 1237574  Size: SH
  1. Install the power steering wiring harness to the vehicle.
  2. Connect the power steering pump wiring harness electrical connector (3) to the power steering pump (4) .

  3. Object Number: 1430004  Size: SH
  4. Install the electrical wiring harness clip (4) to the bracket.
  5. Notice: Refer to Fastener Notice in the Preface section.

  6. Install the bolt retaining the wiring harness bracket (3) to the engine block.
  7. Tighten
    Tighten the bolt retaining the ground to the engine block to 9 N·m (80 lb in).


    Object Number: 1430007  Size: SH
  8. Connect the electrical connectors (2) to the wiring harness.
  9. Install the coolant surge tank to the vehicle. Refer to Radiator Surge Tank Replacement .
  10. Connect the energy storage box after servicing the vehicle. Refer to Hybrid Battery Service Disconnect/Connect .