GM Service Manual Online
For 1990-2009 cars only
Makes
🢒
Chevrolet
🢒
2007
🢒
Silverado Classic - 4WD
🢒
Body Systems
🢒
Lighting
🢒 Interior Lights Schematics
Figure
1:
Interior Lamps Control and Interior Lamps 1 of 2
Master Electrical Component List
Interior Lighting Systems Description and Operation
Control Module References
Interior Lamps - 2 of 2
G203 - 2 of 2
Interior Lamps - 2 of 2
Interior Lamps - 2 of 2
I/P Lamps Dimming Control Supply - 2 of 3
G203 - 1 of 2
G203 - 1 of 2
G200 - 2 of 2
G200 - 2 of 2
BLWR, HAZRD, HVAC/EXAS, LBEC 1, RR DEFOG, RR HVAC, TBC 2A, TBC 2B, and TBC 2C Fuses, and LT DOOR Circuit Breaker
Figure
2:
Interior Lamps 2 of 2
Master Electrical Component List
Interior Lighting Systems Description and Operation
Control Module References
Door Jamb Switches (YE9/Y91)
Interior Lamp Controls and Interior Lamps - 1 of 2
Power, Ground, DLC and Splice Pack SP205
Interior Lamp Controls and Interior Lamps - 1 of 2
G200 - 2 of 2
G200 - 2 of 2
Interior Lamp Controls and Interior Lamps - 1 of 2
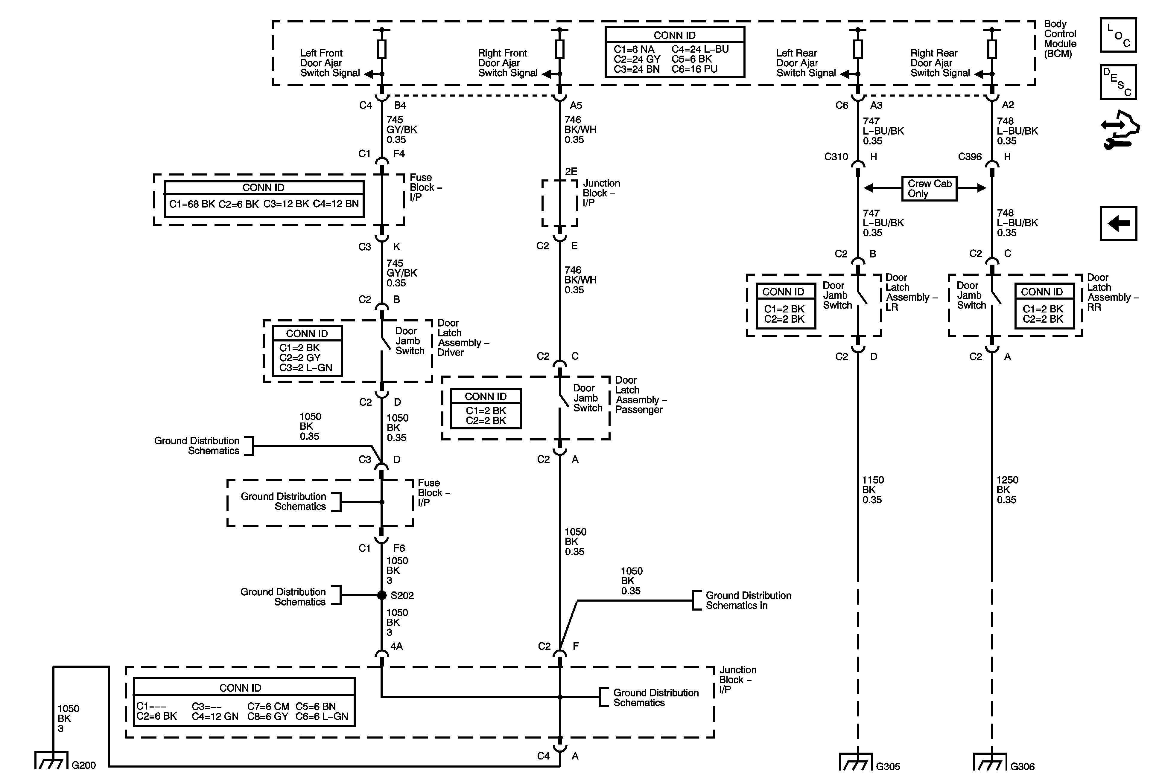
Figure
3:
Door Jamb Switches (YE9/Y91)
Master Electrical Component List
Interior Lighting Systems Description and Operation
Control Module References
Door Jamb Switches (w/o
Interior Lamps - 2 of 2
Power, Ground, DLC and Splice Pack SP205
G304, G305, G306, and G390
Figure
4:
Door Jamb Switches (w/o YE9/Y91)
Master Electrical Component List
Interior Lighting Systems Description and Operation
Control Module References
Door Jamb Switches (YE9/Y91)
G115 and G200 - 1 of 2
G115 and G200 - 1 of 2
G115 and G200 - 1 of 2
G115 and G200 - 1 of 2
G115 and G200 - 1 of 2
G115 and G200 - 1 of 2
G304, G305, G306, and G390