GM Service Manual Online
For 1990-2009 cars only
Makes
🢒
Chevrolet
🢒
2007
🢒
Silverado Classic - 4WD
🢒
Body Systems
🢒
Wipers and Washers
🢒 Wiper/Washer Schematics
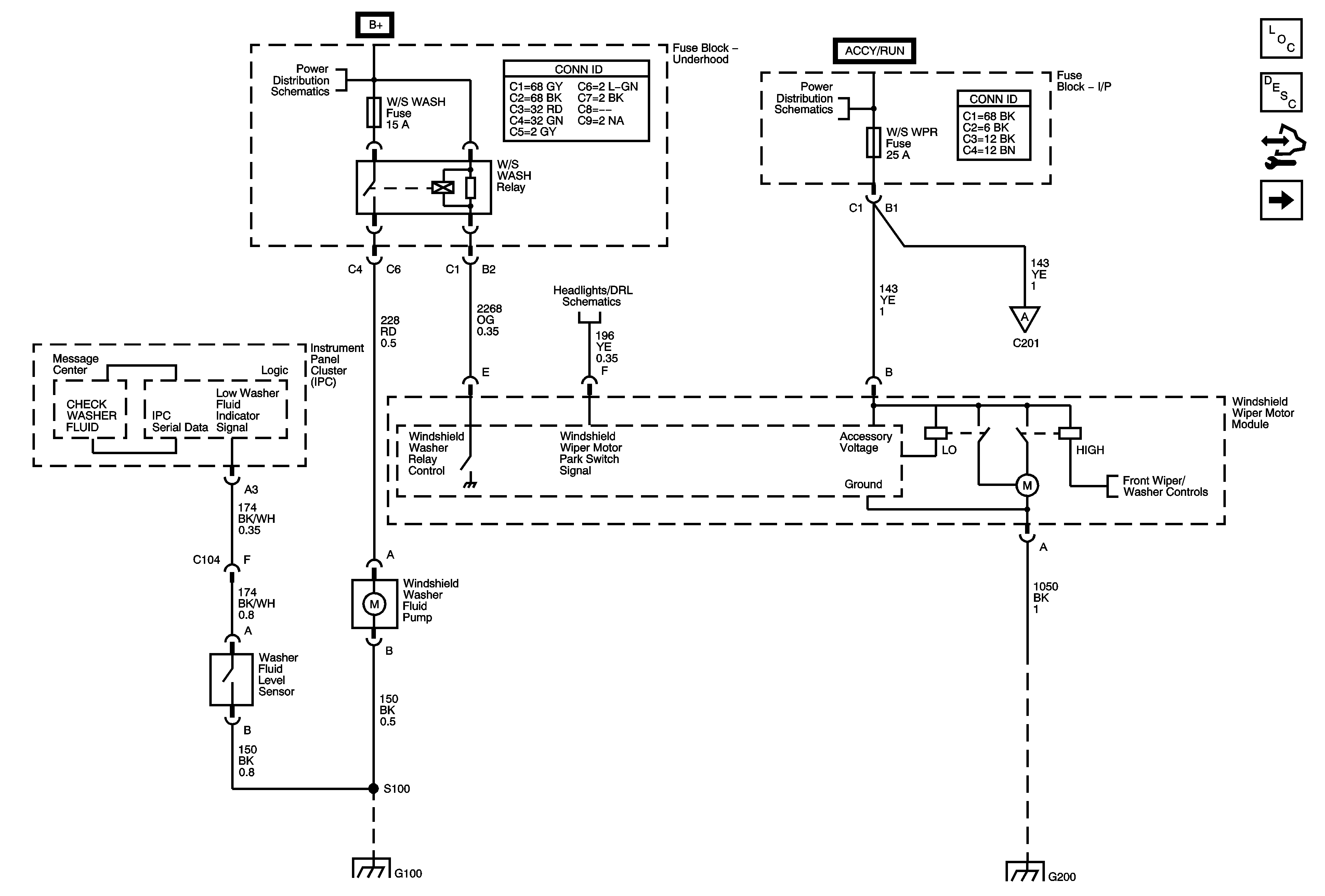
Figure
1:
Front Wiper/Washer Power, Ground, and Controls
Master Electrical Component List
Wiper/Washer System Description and Operation
Control Module References
Front Wiper/Washer Controls
B+ Bus Bar
Headlights/DRL Control
G100 and G102
Ignition Switch - ACC/RUN and RUN/START BUS BARS and IGN B Fuse
Front Wiper/Washer Controls
Front Wiper/Washer Controls
G115 and G200 - 1 of 2
Figure
2:
Front Wiper/Washer Controls
Master Electrical Component List
Wiper/Washer System Description and Operation
Control Module References
Front Wiper/Washer Power, Ground, and Controls
Front Wiper/Washer Power, Ground, and Controls
Front Wiper/Washer Power, Ground, and Controls
G203 - 2 of 2
G203 - 2 of 2