GM Service Manual Online
For 1990-2009 cars only
Makes
🢒
Chevrolet
🢒
2007
🢒
Silverado Classic - 4WD
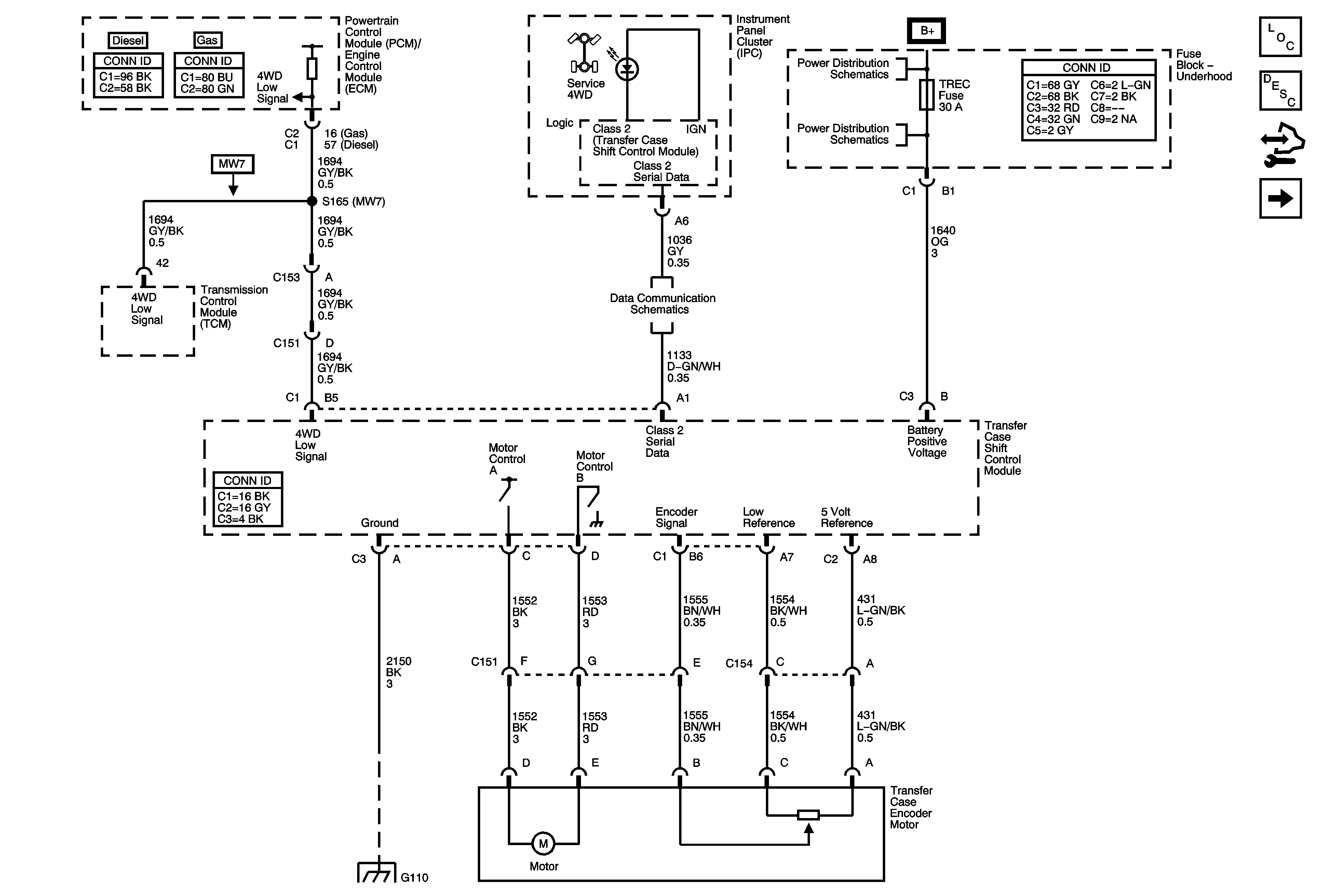
🢒 Power, Ground, Serial Data, and Transfer Case Encoder Motor
Power, Ground, Serial Data, and Transfer Case Encoder Motor
Power, Ground, Serial Data, and Transfer Case Encoder Motor
Master Electrical Component List
Transfer Case Description and Operation
Control Module References
Front Axle Actuator and Switch Controls
Ignition Switch - START, RUN, and ACC/RUN/START BUS BARS, IGN A, and CRNK Fuses
4WS, RR WPR, STOP LP, TREC, VEH STOP, and VEH CHMSL Fuses
Power, Ground, DLC and Splice Pack SP205
G104, G107, and G110