GM Service Manual Online
For 1990-2009 cars only
Makes
🢒
Chevrolet
🢒
2007
🢒
Silverado Classic - 4WD
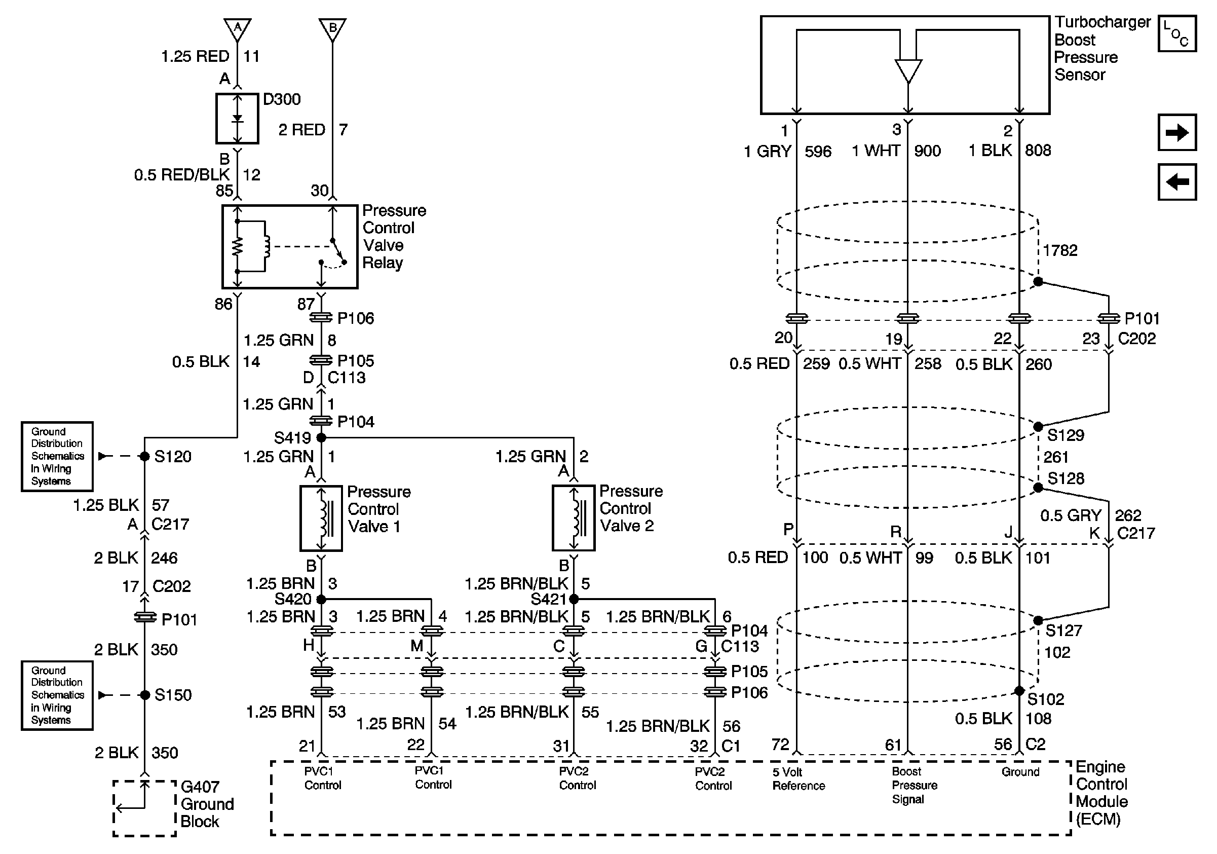
🢒 Pressure Control Valve Relay, Turbocharger Boost Pressure Sensor
Pressure Control Valve Relay, Turbocharger Boost Pressure Sensor
Pressure Control Valve Relay, Turbocharger Boost Pressure Sensor
Master Electrical Component List
Speedometer Adapter
Power and Ground, DLC
G403, G409, S108, S120, S121, S122, S137, S150, S190, S242, S412
G403, G409, S108, S120, S121, S122, S137, S150, S190, S242, S412