GM Service Manual Online
For 1990-2009 cars only
Figure 1:

Park Lamp Controls and Front Park Lamps


Object Number: 1848603  Size: FS
Master Electrical Component List
Exterior Lighting Systems Description and Operation
Control Module References
Left Rear Park Lamps
RT PRK and TRLR PRK Fuses
LT PRK Fuse
Left Rear Park Lamps
Right Rear Park Lamps
Trialer Connector 1 of 2
G201 1 of 2
G100
G200 1 of 2
G101
Figure 2:

Left Rear Park Lamps


Object Number: 1848604  Size: FS
Master Electrical Component List
Exterior Lighting Systems Description and Operation
Control Module References
Right Rear Park Lamps
Park Lamp Controls and Front Park Lamps
Park Lamp Controls and Front Park Lamps
G401 and G403
Figure 3:

Right Rear Park Lamps


Object Number: 1848605  Size: FS
Master Electrical Component List
Exterior Lighting Systems Description and Operation
Control Module References
Exterior Illumination Lamps (DL3/DR4)
Left Rear Park Lamps
Park Lamp Controls and Front Park Lamps
Trialer Connector 1 of 2
G300
G401 and G403
Figure 4:

Exterior Illumination Lamps (DL3/DR4)


Object Number: 1848606  Size: FS
Master Electrical Component List
Exterior Lighting Systems Description and Operation
Control Module References
Turn Signal Controls and Front Turn Signal Lamps
Right Rear Park Lamps
Low Speed Bus - 1 of 3
Figure 5:

Turn Signal Controls and Front Turn Signal Lamps


Object Number: 1848607  Size: FS
Master Electrical Component List
Exterior Lighting Systems Description and Operation
Control Module References
Rear Stop/Turn Signal Lamps
Exterior Illumination Lamps (DL3/DR4)
G201 1 of 2
G100
G201 1 of 2
G200 1 of 2
G101
Figure 6:

Rear Stop/Turn Signal Lamps


Object Number: 1848608  Size: FS
Master Electrical Component List
Exterior Lighting Systems Description and Operation
Control Module References
Stop Lamp Controls and CHMSL
Turn Signal Controls and Front Turn Signal Lamps
G401 and G403
G300
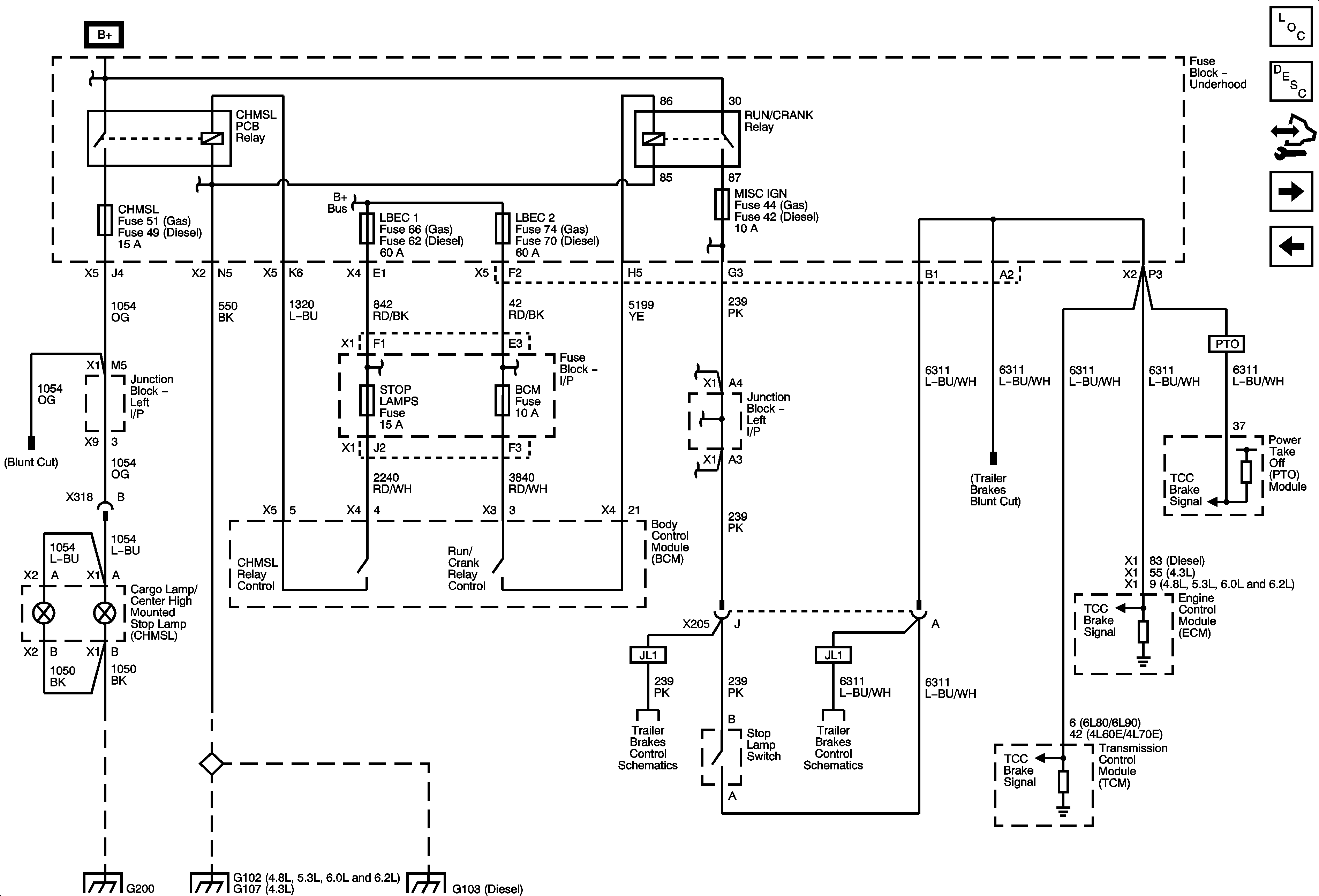
Figure 7:

Stop Lamp Controls and CHMSL


Object Number: 1848609  Size: FS
Master Electrical Component List
Exterior Lighting Systems Description and Operation
Control Module References
Backup Lamps and Backup Alarm
Rear Stop/Turn Signal Lamps
CHMSL, TRLR BCK/UP, TRLR STOP LT, TRLR STOP RT and VEH BCK/UP Fuses
RUN/CRANK BUS - AIRBAG IGN, MISC IGN and SEO/ALC Fuses
Module Power and Ground
Module Power and Ground
G200 1 of 2
G102, G107 (4.3L), G104, G108
G106 (4.3L) and G103
Figure 8:

Backup Lamps and Back-Up Alarm


Object Number: 1848610  Size: FS
Master Electrical Component List
Exterior Lighting Systems Description and Operation
Control Module References
Stop Lamp Controls and CHMSL
CHMSL, TRLR BCK/UP, TRLR STOP LT, TRLR STOP RT and VEH BCK/UP Fuses
CHMSL, TRLR BCK/UP, TRLR STOP LT, TRLR STOP RT and VEH BCK/UP Fuses
High Speed Bus - 1 of 3
G401 and G403
G300
G401 and G403
G106 (4.3L) and G103
G102, G107 (4.3L), G104, G108