GM Service Manual Online
For 1990-2009 cars only

Removal Procedure

Important: The radiator support is joined to the apron panel and front longitudinal. It forms the base for the headlamps and other parts and maintains the rigidity of the front section of the body. Pay particular attention to twists and parallelism and check mounting of related parts when welding.


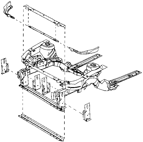
    Object Number: 414767  Size: SH
  1. Remove all of the related panels and components.
  2. Inspect the assembly for damage.
  3. Restore as much of the damage as possible.

  4. Remove the following components as needed:
  5. • The sealers
    • The sound deadeners
    • The corrosion materials
  6. Locate and mark the factory welds.
  7. Drill out the factory welds. Note the location of the welds for the installation procedure.
  8. Remove all of the damaged panels from the radiator support assembly.

Installation Procedure


    Object Number: 414767  Size: SH
  1. Prepare the mating surfaces.
  2. Ensure that all of the service panels fit correctly.

  3. Drill 8 mm (5/16 in) plug weld holes as noted from the original locations.
  4. Important: In areas damaged beyond recognition, space plug weld holes every 40 mm (1 ½ in) apart.

  5. Position the service panel.
  6. Inspect the fit using the body dimensions and the plug weld accordingly. Measure frequently in order to ensure the correct fit.

    Important: Prior to refinishing, refer to GM 4901MD-99 Refinish Manual for recommended products. Do not combine paint systems. Refer to paint manufacturer's recommendations.

  7. Complete the following steps in order to clean and prepare the welded surfaces:
  8. • Prime the welded surfaces with two-part catalyzed primer.
    • Apply the sealers and the corrosion protection materials, as needed.
  9. Install all of the related panels and components.